nunja, da mein Vater gerade für sich eine Sauna fast fertig hat, habe ich ihm die Idee unterbreitet LED/SuperFlux Beleuchtung zu machen.
Kleine Info: Die Sauna wird mit Profilholz verkleidet.
Hier eine kleine Zeichnung: Da die Sauna 1,8m Breit ist habe ich die aufteilung so gemacht das zu der wand mehr abstand ist als zwischen den LEDs(6 Stück á Profilholz), für die ganze Sauna solten 18 Superhelle SuperFlux LED weiß 2000mcd 90° 3.1V reichen, und mein Vater wollte es nicht so Hell haben. Also Los!
Dafür brauchen wir: Dremel, Tacker & Lötkolben
Material:
- 18x Superhelle SuperFlux LED weiß 2000mcd 90° 3.1V (8,46€)
4x Buchsenleiste 20polig Höhe 8,5mm 2,54 (1,36€)
3x 20cm Schrumpfschlauch Schwarz (10Stk = 0,58€)
2x Anschlussklemmen 2polig (0,28€)
1x Lochrasterplatine 100x50mm (0,46€)
1x Trafo 230V 6V 2VA 333mA (2,40€)
1x Brücken-Gleichrichter (0,27€)
1x Widerstand 10 Ohm 1W (0,15€)
1x Kondensator 220µF 16V 0,08€)
1x 6m (von 10m) Klingedraht 0,14mm² (10m = 1,75€)
1x 3,6m (von 5m) Microfon-Kabel Gelb (5m = 1,60€)
1x ca. 0,5m Lötzinn
Wer von Elektronik nicht viel versteht der solte ein fertiges Netzteil für Feuchträume kaufen.
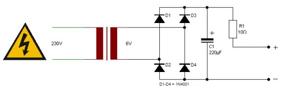
Zu der Schaltung:
Die 4 Dioden stellen den Brücken-Gleichrichter dar, den man auch mit den Dioden so aufbauen kann wenn man keinen zu hand hat. Der (Glättungs)kondensator ist dazu da um die Spannung zu Glätten. Bevor man den Trafo auswählt solte man einwenig Rechnen: 1 SuperFlux verbraucht ca. 18mA, hier haben wir 18 Stück das heißt 18mA x 18 = 324mA somit habe ich mich für ein Trafo mit 333mA entschieden. Der Widerstand ist eigentlich überdimensioniert mit dem 1W, da ich zuerst dachte ich schließe diesen als Lastwiderstand an aber als ich bemerkt habe das er sehr heiß wird hab ich die schaltung geändert.
Jetzt kommen wir zum Hauptteil:
um die SuperFlux anbringen zu können brauchen wir ein Sockel, den löten wir uns aus den Buchsenleisten die auf 3 pins zugeschnitten sind und den Microfon-Kabel ca. 20cm (ich habe ein dünen Video Kabel verwendet den ich noch hatte). Das machen wir 18 mal und eine kleine lötpause.
<table border="0">
<tr>
<td></td>
<td rowspan="2"></td>
</tr>
<tr>
<td></td>
</tr>
</table>
wie oben in der Zeichnung bohren wir die Löcher mit einem 3mm Bohrer.
Auf der Sichtseite vom Profilholz: fräsen wir mit einem 3mm fräser 9mm Tief das Profilholz ist 12,5mm Dick und passend zu unseren SuperFlux Sockel (7,5-9,0mm) , am besten individuell für jeden Sockel. Wenn alle Sockellöcher fertig sind kann man verdrahten. Die drähte werden einfach mit dem Tacker Vorsichtig fest gemacht.
Nach dem verlöten mit Schrumpfschlauch die lötstelle abdichten.
auf dem bild kann man leider schlecht was erkennen.
So sieht es aus wenn eine von 3 reihen Leuchtet.
So sieht es aus wenn zwei von 3 reihen Leuchtet.
Arbeitsaufwand:
für Netzteil ca. 30 Minuten
für 1 Profilholz ca. 2 Stunden
Gesamtkosten: ca. 20 €



