Grundlagen zur Laufschaltung?

Hier werden Fragen zu LED-Grundlagen beantwortet...

Moderator: T.Hoffmann

Antworten
Benutzeravatar
Zorro
User
User
Beiträge: 36
Registriert: Mo, 14.01.08, 18:51

So, 06.04.08, 11:47

Hallo,
LEDs kann ich schonmal zum leuchten bringen :P
jetzt würde mich eine steigerung intressesieren: Eine einfache Laufschaltung.
Ich dachte an einen einfach Kreis (8 oder 12 LEDs) der sich ständig wiederholend "dreht".

Nun hab ich hier die Schaltung der "wohl einfachsten Art ein Lauflicht zu realisieren" gefunden :shock:
wahrscheinlich stimmt das schon, nur ich (Schüler der 10 Klasse Gymnasium. Kondensatoren hab ich noch nicht durchgenommen, also keinerlei kenntnisse daüber) blick nicht ganz durch
Und wenigstens diese Grundkenntnisse sollte ich besitzen, oder?

Das Thema von Jay ist superhilfreich fürs verständnis der (mir unbekannten) schaltsymbole
nur versteh ich nicht ganz, was bei der Schaltung, die ich oben verlinkt habe der "große Kasten" ist.
Ich nehme mal an, er gibt Impulse zu den verschiedenen LEDs in einem bestimmten Zeitabstand (Q0 - Q8)
danach Resettet er (Q9) und fängt von vorne an. Die anderen Kürzel (CLK, STR, COUT) kann ich mir nicht zusammenreimen.
Gibt es noch eine andere Seite oder ein anderes Thema (das ich nicht gefunden hab) zur "Grunderklärung" einer solchen Laufschaltung?

vielen dank im vorraus
Benutzeravatar
Elektronikmann
Ultra-User
Ultra-User
Beiträge: 844
Registriert: Mo, 19.03.07, 10:37
Wohnort: Mainz

So, 06.04.08, 12:02

Hab das mal von einer CD kopiert.
mfg
4017-1.jpg
4017-2.jpg
4017-2.jpg (17.9 KiB) 22127 mal betrachtet
4017-3.jpg
4017-3.jpg (25.95 KiB) 22138 mal betrachtet
Benutzeravatar
Zorro
User
User
Beiträge: 36
Registriert: Mo, 14.01.08, 18:51

So, 06.04.08, 19:48

Das heist das is ein sogenannter IC, den Jay in seinem Threat schon erwähnt hat.
So ein IC, ist doch im Grunde nichts anderes als ein "Intelligenter Schalter", der - je nach Bedingungen - den Pin (damit den mit ihm verbundenen Verbraucher) wechselt.

Das bedeutet für mein Projekt ich bräuchte erst einmal so einen IC?!

Ich denke die Erklärung von der CD ist für jemanden, der schon erste Einführungen in solche ICs hatte, sehr gut und verständlich.
Nur für einen sehr blutigen Anfänger -wie mich :roll: - doch noch etwas kompliziert.

In meinem Denken bräuchte der IC nur einen "Clock" Pin, der nach einer gewissen, vorprogrammierten Zeit den "Ausgangspin" wechselt, und einen "Reset" Pin, der die Uhr wieder auf Null stellt. (Und natürlich verschiedene Ausgangspins, zwischen den gewechselt wird)
was genau stimmt an diesem Denken nicht?? :wink:

danke trozdem
Benutzeravatar
jm2_de
Hyper-User
Hyper-User
Beiträge: 1188
Registriert: Sa, 06.01.07, 01:26

So, 06.04.08, 23:01

Zorro hat geschrieben: In meinem Denken bräuchte der IC nur einen "Clock" Pin, der nach einer gewissen, vorprogrammierten Zeit den "Ausgangspin" wechselt, und einen "Reset" Pin, der die Uhr wieder auf Null stellt. (Und natürlich verschiedene Ausgangspins, zwischen den gewechselt wird)
was genau stimmt an diesem Denken nicht?? :wink:
Der Clock Pin muss mit einem Taktsignal verbunden werden das den ICs sagt wann sie
das Signal zum nächsten Ausgang "weiterschieben" sollen,
dieses Taktsignal muss an die Clock Pins aller ICs angeschlossen werden.
Üblicherweise nimmt man in so einem Fall eine Schaltung mit dem NE555 um ein
entsprechendes Taktsignal zu erzeugen, die geschwindigkeit des Taktsignals (Frequenz)
bestimmt dann später wie schnell die Lichter wandern.

Das ganze nennt man auch "Schieberegister", wenn der am "clock" Pin ein HighSignal
anliegt und gleichzeitig an "enable" ein HighSignal anliegt, wird "Q1" auf High gesetzt,
also die LED an Q1 würde dann leuchten.
Bei jedem clock Signal wird dann das "High" Signal von Qx an den nächsten Ausgang
weitergegeben (daher "SCHIEBEregister"), also von Q1 an Q2, das von Q2 an Q3.
Wenn Du also beim ersten und beim zweiten Takt nach dem einschalten "enable"
auf High setzt, hast Du nicht eine sondern zwei leuchtende LEDs die in dem Kreis
wandern ....

Dann brauchst Du auch noch eine Logik (Schaltung) die beim einschalter der Schaltung
ein High Signal erzeugt das dann von den ICs weitergereicht wird.
Bei niedrigen Frequenzen reicht da auch eine einfache Beschaltung mit einem Kondensator.

Such mal nach "digitalsimulator", der ist gratis und es müsste Lauflichter auch als
Beispieldateie zum download geben, der zeigt Dir dann bei der simulation die Zustände
aller Ein- und Ausgänge an.
Benutzeravatar
Zorro
User
User
Beiträge: 36
Registriert: Mo, 14.01.08, 18:51

Di, 08.04.08, 22:02

Soo..
die Schule hat wieder begonnen...das heist für die armen schüler für arbeiten lernen :wink:
das heist keine zeit mehr :cry:

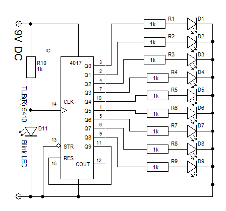
Wenn ein Timer angeschlossen ist, ist es für mich logisch, dass der IC "weiß" wann er umschalten muss. Nun ist bei dieser schaltung an den Clock pin ein "TLB(R) 5410 angeschlossen
lauflicht.gif
lauflicht.gif (9.19 KiB) 21989 mal betrachtet
dazu habe ich 2 Fragen:
Was genau ist dieser TLB(R) 5410??
hab eben schnell ma gegoogelt, hab aber nichts wirklilch brauchbares gefunden
ist das ein vorprogrammierter timer, mit fester taktfrequenz??
und
was bedeutet das STR auf dem IC?
Fahrstuhllicht
Mini-User
Beiträge: 9
Registriert: Mi, 09.04.08, 05:35
Wohnort: Ahrensfelde
Kontaktdaten:

Mi, 09.04.08, 06:05

Hi Zorro,
es ist schon eine Weile her, als ich mit dem 4017 gearbeitet habe, aber so ein wenig glaub ich, ist noch hängen geblieben. :D
Also folgendes, dieser Eingang STR (PIN 13) heißt glaub ich Clock Enable. Anhand des inneren Aufbaus erklärt sich, warum dieser ein LOW Signal haben muss und in diesem Schaltbild auf 0 V liegt. Sofern ich das richtig gelesen habe, bist du Einsteiger. Deswegen werde ich dich jetzt nicht weiter mit dem inneren Aufbau und Technik zuquasseln. :D Dann gebe ich dir mal ein kleinen Tip, wie ich das Lauflicht aufbauen würde. Erstmal würde ich die Ausgänge des 4017 mit Transistoren bestücken. Dies hat den Grund, dass an den Ausgängen des IC 4017 eine gewisse Spannung anliegt, aber kein "großer" Strom zur Verfügung steht. Mit Hilfe eines Transistors könntest du auch stärkere LED´s anschließen. Solltest du dies beabsichtigen, meld dich einfach nochmal, wenn nicht ignoriere den letzten Satz. :D Wäre aber gut von den anderen Forenusern, wenn diese mein Beitrag zustimmen würden, wenn dies richtig ist und wenn nicht mich korrigieren :D. Wie gesagt, ist schon eine Weile her, als ich mit dem IC gearbeitet habe
Was ein TLB(R) 5410 ist, kann ich dir nicht sagen. Die Takterzeugung würde ich aber ebenfalls mit einem NE555 herstellen.
Benutzeravatar
Sailor
Moderator
Beiträge: 9427
Registriert: Di, 28.11.06, 22:16
Wohnort: Saarland, Deutschland und die Welt

Mi, 09.04.08, 07:31

Soweit OK. Bei dem von Elektronikmann eingestellten Anschlussplan des IC ist der Pin 13 ja mit "Clock Enable" bezeichnet. :D

Zum Taktgeber: Die Bezeichnung ist nicht für irgend ein externes Bauteil und es wird auch kein weiterer Taktgeber verwendet:

Allein die Blink-LED gibt den Takt vor!

Die Schaltung ist also genau so funktionsfähig. Beim Einsatz eines anderen Taktgebers dürfen Blink-LED und Vorwiderstand nicht benutzt werden.

Die nachgefragte Bezeichnung wird sich wohl auf die von Bader-Frankfurt verwendete Blink-LED beziehen, da sollte aber jede rote Blink-LED ihre Arbeit genau so gut verrichten!
Benutzeravatar
jm2_de
Hyper-User
Hyper-User
Beiträge: 1188
Registriert: Sa, 06.01.07, 01:26

Mi, 09.04.08, 13:04

Sailor hat geschrieben: Zum Taktgeber: Die Bezeichnung ist nicht für irgend ein externes Bauteil und es wird auch kein weiterer Taktgeber verwendet:

Allein die Blink-LED gibt den Takt vor!
Das geht natürlich, keine Frage, nur kann man die Frequenz der Blink LED nicht extern
beeinflussen, bei den wenigen Taktraten (niedrig, alle ca um 1 Hz) die es zur Auswahl
gibt kann man die nur in den seltensten Fällen benutzen.
Ich mein wenn 1 Hz passt, gut dann kann er die nehmen, macht es natürlich einfacher :mrgreen:
Benutzeravatar
Sailor
Moderator
Beiträge: 9427
Registriert: Di, 28.11.06, 22:16
Wohnort: Saarland, Deutschland und die Welt

Mi, 09.04.08, 13:24

Es ist halt einme einfache Schaltung, die zum Erkennen der Vorgänge wohl sehr gut geeignet ist:

Die Blink-LED zeigt den Takt der Clock optisch an.
Die Zeiten sind gerade so lang, dass erkennbar ist, ob der 4017 bei positiver oder negativer Flanke schaltet.

Diese Schaltung in Verbindung mit dem Datenblatt und die Wirkungsweise des 4017 lässt sich "ersehen".

Jetzt bleibt nur noch die Frage offen: Warum habe ich oben geschrieben, dass jede andere ROTE Blink-LED auch geht?
Benutzeravatar
Zorro
User
User
Beiträge: 36
Registriert: Mo, 14.01.08, 18:51

Mi, 09.04.08, 14:09

Die Frage kann ich nicht beantworten :?

aber mir stellen sich noch welche...
die Blink-LED hat eien vorgegeben, unveränderbaren Takt (wie jm2_de sagte um die 1Hz), wenn ich das richtig verstanden habe!?
Erstmal würde ich die Ausgänge des 4017 mit Transistoren bestücken. Dies hat den Grund, dass an den Ausgängen des IC 4017 eine gewisse Spannung anliegt, aber kein "großer" Strom zur Verfügung steht
wieviel strom steht mir dort zur verfügung?
Ich würde LEDs mit 2mA betreiben. Bräuchte ich dafür schon Transistoren?

wie verhält sich die spannung "im" IC?
kommen die 9V (abgesehen von den wiederständen) an den LEDs an?
Benutzeravatar
Sailor
Moderator
Beiträge: 9427
Registriert: Di, 28.11.06, 22:16
Wohnort: Saarland, Deutschland und die Welt

Mi, 09.04.08, 15:01

Sieh Dir bitte zuerst einmal das Datenblatt an (z.B. von hier).

(Fast) alle Fragen können daraus beantwortet werden. Wir helfen Dir gerne weiter, wenn Du mit den zugegeben verwirrenden Angaben dort nicht klar kommst.

Dafür kannst Du Dir dann später auch mal selber helfen - oder dem nächsten Anfänger beim Datenblatt lesen.
Fahrstuhllicht
Mini-User
Beiträge: 9
Registriert: Mi, 09.04.08, 05:35
Wohnort: Ahrensfelde
Kontaktdaten:

Mi, 09.04.08, 17:06

Darf ich mal erfahren, was das für LED´s sind?
Wenn ich davon ausgehe, dass eine normale LED 20 mA zieht 2V benötigt und die Ströme in einer Reihenschaltung gleich sind, dann würde das ja heißen
bei
U=RxI
U= 1000 Ohm x 0,02A = 20 V, das kann ich mir nicht vorstellen, dass am Vorwiderstand 20 V abfallen.
Wenn die LED 2 mA zieht heißt das ja
1000 x 0,002 = 2 V plus die 2 V von der LED, dann würden am Ausgang ja 4 V sein.
Das würde dann schon eher passen, in Bezug auf denn Clock Enable, da ja durch den Vorwiderstand R10 und der Blink LED insgesamt auch ca 3-5 V abfallen. Laut dem Inneren Schaltplan gibt doch die Spannung am Clock Enable die Ausgangsspannung an oder hab ich jetzt ein Denkfehler?

Hab ich schon mal angemerkt, dass ich die Datenblätter hasse :D
Dieser undurchsichtige Aufbau, sorry aber ich habe daraus nicht lesen können, welche Ausgangsspannung bzw. Strom zur Verfügung steht. Da stand was von Output Voltage 5,10,15 V, aber ob es das ist weiß ich nicht :?
Benutzeravatar
Zorro
User
User
Beiträge: 36
Registriert: Mo, 14.01.08, 18:51

Mi, 09.04.08, 19:57

sorry...hab mich verschrieben
es sind diese LEDs:
20mA
2.1 V
das hieße ja, dass das:
U= 1000 Ohm x 0,02A = 20 V, das kann ich mir nicht vorstellen, dass am Vorwiderstand 20 V abfallen.
stimmen würde?!
Benutzeravatar
Sailor
Moderator
Beiträge: 9427
Registriert: Di, 28.11.06, 22:16
Wohnort: Saarland, Deutschland und die Welt

Mi, 09.04.08, 22:11

Viele Datenblätter sind schon Verwirrspiele, trotzdem kann man sie lesen, wenn erst mal etwas Übung da ist.

Die Berechnung der Spannung über Strom und Widerstand ist in diesem Fall ein unzulässiger Umkehrschluss: Es liegt eine bestimmte (vorgegebene) Spannung über dem Widerstand (bzw. der Reihenschaltung aus Widerstand und LED) an. Daraus folgt ein Strom. Wenn Die Spannung kleiner wird, wird auch der Strom kleiner. Die Spannung kann aber nicht größer als die Netzteilspannung werden, nur weil ein Bauteil einen bestimmten Strom vertragen kann.

Zuerst zur Frage der Ausgangsspannung, wobei die Netzteilspannung (im Datenblatt mit VDD bezeichnet) in unserer Schaltung 9 Volt beträgt.

Darüber gibt die Tabelle auf Seite 3 für 3 typische Eingangsspannungen Auskunft. Die unserer Netzteilspannung nächst liegende ist die 10 Volt Spannung. Die Ausgangsspannungen werden in den Spalten VIL und VIH abgelesen.

VIL gibt die Spannung am Ausgang an, die bei "Signal aus" noch am Ausgang steht. Als typische Levelspannung ist 1 V für Low und 9 Volt für High genannt, dahinter die maximale Spannung bei Low bei verschiedenen Temperaturen, hier bei allen Temperaturen 3 Volt und bei 9 Volt Netzteilspannung 2,7 Volt (0,3 Volt pro Volt Netzteilspannung).

LOW ist maximal 2,7 Volt.

Entsprechend ist bei VIH, also "Signal ein" eine minimale Spannung von 9 Volt angegeben. Bei unserer Eingangspannung von 9 Volt ist die minimale Eingangspannung 8,1 Volt. Das folgt aus der Betrachtung, dass die minimale Ausgangsspannung bei 5 Volt VDD (Netzteilspannung) 0,5 beträgt.

HIGH ist mindestens 8,1 Volt.

Diese beiden Werte sind wichtig, wenn die nachfolgende Schaltung betrachtet wird.

Als Folgeschaltung ist eine LED angeschlossen, die bei 2,7 Volt (LOW) sicher aus sein soll und bei 8,1 Volt sicher leuchten soll. Danach richtet sich die Größe des Widerstandes.

Dass bei 8,1 Volt und einem Widerstand von 1 Kiloohm nicht der maximal mögliche Strom durch die LED fließt wird zugunsten des sicheren Ausschaltens der LED in Kauf genommen.

Bei dem einfachen Aufbau der Schaltung ein zulässiger Kompromiss.

Soviel zu diesem Teil im Datenblatt. Wenn Interesse besteht geht es weiter.

Zum Verstehen vieler Anwendungen ist das Lesen von Datenblättern schon wichtig. Eigene Schaltungen ohne Datenblatt aufzubauen ist unmöglich (mit der Zeit hat man natürlich die relevanten Daten viel benutzter Bauteile im Kopf - dann kommt das Datenblatt nur noch bei besonderen Anforderungen aus der Schublade oder wenns dann doch nicht läuft).
Fahrstuhllicht
Mini-User
Beiträge: 9
Registriert: Mi, 09.04.08, 05:35
Wohnort: Ahrensfelde
Kontaktdaten:

Do, 10.04.08, 06:13

Mojen,
das war ja eine sher schöne Auskunft über das Datenblatt auch wenn ich ansich kaum was verstanden habe, aber ich nehm mal an du hast Recht.

Also mit dem Levelspannung ok, das hab ich verstanden. Die Temperaturen ja ok, kann man nehm ich mal an diesmal vernachlässigen. Aber sagen wir mal 25 Grad Celsius.Den Rest nööö :) 0,3 V pro Volt Netzteilspannung wa ? :)
Also, wenn du dit nochmal erklären könntest und weiterfolgend, wäre ich dir sehr dankbar :)

Zorro, hast du ein Datenblatt der LED irgendwo ?
Benutzeravatar
Sailor
Moderator
Beiträge: 9427
Registriert: Di, 28.11.06, 22:16
Wohnort: Saarland, Deutschland und die Welt

Do, 10.04.08, 07:25

Beim HIGH-Level habe ich es besser beschrieben.

Bei LOW-Level sagt das Datenblatt: bei 5 Volt Eingangsspannung (Netzteilspannung) ist die maximale Ausgangsspannung 1,5 Volt und bei 10 Volt Eingangsspannung ist die maximale Ausgangsspannung 3 Volt.

Daraus folgt, dass die maximale Ausgangsspannung (zumindest in dem für uns relevanten Bereich zwischen 5 Volt und 10 Volt) sich um 0,3 Volt ändert, wenn die Eingangsspannung sich um ein Volt ändert.

Bei der vorgegebenen Schaltung ist die Eingangsspannung 9 Volt, mit einem einfachen Dreisatz ist daher festzustellen, dass die Ausgangsspannung bei LOW-Level maximal 2,7 Volt beträgt.

Wichtig ist dabei festzuhalten:

Auch wenn die LED´s ausgeschaltet sind fließt noch ein Strom durch die LED´s. Dieser Strom muss so klein gehalten werden, dass die LED´s nicht mehr leuchten.

Außerdem geht dieser Strom in die Energiebilanz ein und begrenzt u.U. den Strom des aktiven Ausganges durch Errreichen des maximal zulässigen Stromes des IC´s.
Fahrstuhllicht
Mini-User
Beiträge: 9
Registriert: Mi, 09.04.08, 05:35
Wohnort: Ahrensfelde
Kontaktdaten:

Do, 10.04.08, 07:48

Kann man die Stromwerte auch aus dem Datenblatt ablesen? Natürlich ist da wiederum wichtig, welcher Maximalstrom fließen kann. Ok danke jetzt hab ich es aber verstanden. Mir fehlte nur der Punkt, dass du mitn Dreisatz rangegangen bist :) Also nochmal danke :P
Benutzeravatar
Zorro
User
User
Beiträge: 36
Registriert: Mo, 14.01.08, 18:51

Fr, 11.04.08, 22:26

hmm..ich werde gerade enttäuscht..

ich hab mir jetzt mal teile besorgt, um das Theoretische auch mal in die Praxis umzusetzten.
ich wollte mir diese Schaltung bauen:
lauflicht2_schaltplan.png
ich hab bis jetzt die linke Seite fertig
(es wird empfohlen diese zu testen, indem man eine LED an pin 1 und 3 des NE555 hält, die dann blinken soll.)
Nun habe ich das mal gemacht, und mein Ergebnis ist etwas ernüchternd:
-Die LED blinkt nicht, sondern leuchtet nur
-der NE555 wird nach wenigen Sekunden sehr heiss (Verbindungsfehler/Kurzschluss im stromkreis?)

habe ich einen "dummen" oder typischen Anfängerfehler gemacht, oder habe ich den Stromkreis einfach falsch aufgebaut?

Den Schaltplan + "Anleitung" habe ich von hier
Benutzeravatar
Zorro
User
User
Beiträge: 36
Registriert: Mo, 14.01.08, 18:51

Fr, 11.04.08, 22:38

Kann mir bitte jemand sagen warums jetzt geht?!?! :?
also entweder war ich zu blöd die LED an die richtigen pins zu halten oder sonstirgentwas....
jedanfalls funktioniert die linke seite.. :D :D
Antworten