Berechnungen mit dem LM317 als KSQ

Fragen zu Schaltungen, Elektronik, Elektrik usw.

Moderator: T.Hoffmann

Benutzeravatar
_nabla
Hyper-User
Hyper-User
Beiträge: 1171
Registriert: So, 30.07.06, 13:16
Wohnort: Gießen*Dortmund
Kontaktdaten:

Fr, 07.03.08, 19:06

Moin,
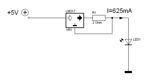
ich möchte einmal diese einfache KSQ aufbauen:
lm317.GIF
lm317.GIF (2.22 KiB) 26619 mal betrachtet
Nun interessieren mich folgende Dinge.
Wenn ich einen 2 Ohm Widerstand verbaue, kommen 625mA heraus. Mit einem Widerstand als Last funktioniert dies auch.

Nun habe ich hier eine Eingangsspannung von 5V. Laut Datenblatt der zu verbauenden LED beträgt die Spannung über der LED bei 625mA ungefähr 3,5V.

Wenn das alles soweit richtig ist, beträgt die Verlustleistung ~0,94W (1,5V*0,625A).
Die TO-220 Version sollte das mit Kühlung ja wohl aushalten.

Hält die Cree Q5 auch 625mA aus? Habe diese noch nie verbaut. Nicht, dass ich sie zerstöre.

Würd' mich über Meinungen hierzu sehr freuen...
Zuletzt geändert von _nabla am Sa, 08.03.08, 13:18, insgesamt 1-mal geändert.
Benutzeravatar
Fightclub
Post-Hero
Post-Hero
Beiträge: 5114
Registriert: Mi, 01.03.06, 18:40

Fr, 07.03.08, 19:58

bei ner Verlustleistung von ca 1W solltest du dem TO220 noch ein kleines Kühlfähnchen schenken, damit er dir vorm Abrauchen noch zuwinken kann :mrgreen: Ne Scherz beiseite, 1W ist ok, aber kühlfahne wäre ratsam.

Zur Q5:
Ein einfacher Blick ins Datenblatt hätte gereicht:
Typischer Strom typ. 350mA (max.1000mA)

Damit dürfte deine Frage mit den 625mA geklärt sein oder? 8)
Benutzeravatar
jm2_de
Hyper-User
Hyper-User
Beiträge: 1188
Registriert: Sa, 06.01.07, 01:26

Fr, 07.03.08, 19:59

Sicher das die Schaltung mit dem LM317 so aussehen soll ?
Sitzt der Widerstand da richtig ???
Benutzeravatar
Mominik
Mega-User
Mega-User
Beiträge: 474
Registriert: Sa, 07.07.07, 18:20

Fr, 07.03.08, 20:11

Der Widerstand ist definitiv falsch. Der gehört zwischen LM317 und Last. Zwischen Last und Widerstand wir abgegriffen und auf den Adjust geführt.

I(last)=1,25V/R
Benutzeravatar
Fightclub
Post-Hero
Post-Hero
Beiträge: 5114
Registriert: Mi, 01.03.06, 18:40

Fr, 07.03.08, 21:18

ich empfehle diesen link. Inkl. Rechner :D

http://www.roboternetz.de/phpBB2/konstantstrom.php
Benutzeravatar
Crossfire
Hyper-User
Hyper-User
Beiträge: 1059
Registriert: Di, 30.10.07, 11:44
Wohnort: Filderstadt
Kontaktdaten:

Fr, 07.03.08, 23:48

@ fightclub bei 700mA wäre ja ein 1,8Ohm widerstand richtig aber wie viel watt muss der vernichten können? und kann man anstatt dem LM317K auch einen LM317T nehmen?

was ist gnd?

gruß felix
Benutzeravatar
Sh@rk
Auserwählter
Auserwählter
Beiträge: 3820
Registriert: Do, 17.08.06, 17:55
Wohnort: Thüringen
Kontaktdaten:

Sa, 08.03.08, 00:00

@Crossfire
was ist gnd?
GND ist die Masse bzw. das Minus. Das zeichen ist dazu da um nicht noch einmal eine Linie an die Minus Linie zu ziehen ;-).
Ragnar Roeck
Ultra-User
Ultra-User
Beiträge: 924
Registriert: Di, 20.02.07, 19:40

Sa, 08.03.08, 13:01

Crossfire hat geschrieben:@ fightclub bei 700mA wäre ja ein 1,8Ohm widerstand richtig aber wie viel watt muss der vernichten können? und kann man anstatt dem LM317K auch einen LM317T nehmen?

was ist gnd?

gruß felix
Also P=U×I, U ist I×R, 0,7A×1,8Ω=1,26V, daher 1,26V×0,7A=
0,88W. Schneller gehts mit P=I²*R, aber es ist natürlich genau das selbe.

Der LM317T kann maximal 1,5A regeln, also für die meisten Highpower-LEDs OK. Ein LM317L kann hingegen nur 100mA ab, hat aber auch ein kleines Gehäuse und ist damit nicht aus versehen zu verwechseln.
Benutzeravatar
_nabla
Hyper-User
Hyper-User
Beiträge: 1171
Registriert: So, 30.07.06, 13:16
Wohnort: Gießen*Dortmund
Kontaktdaten:

Sa, 08.03.08, 13:27

Moin,

danke für den Hinweis, habe den Plan geändert.
Ich habe gestern Abend noch einmal die Schaltung getestet. Mit einem 1,5 Ohm Widerstand als Last gehen die Werte genau auf.
Der Strom (625mA) und die Spannung (0,94V) über dem Widerstand bleiben wirklich bis Uein=25V konstant. Allerdings kann man auf dem (ungekühlten) LM317 TO-220 nach ein paar Sekunden Eier braten, was bei 15W Verlustleistung auch kein Wunder ist.

Feine Sache...

Sagt mal, hat wer von euch diese KSQ schon mal mit PWM gedimmt? Über einen Leistungstransistor könnte man ja die komplette Schaltung dimmen...
Benutzeravatar
Fightclub
Post-Hero
Post-Hero
Beiträge: 5114
Registriert: Mi, 01.03.06, 18:40

Sa, 08.03.08, 21:43

Crossfire hat geschrieben:@ fightclub bei 700mA wäre ja ein 1,8Ohm widerstand richtig aber wie viel watt muss der vernichten können?
ich würde einfach berechnen, wieivle der widerstand ohne den LM vernichten würde. Dann bist du auf der sicheren Seite. Aber denk dran, dass auch noch ein Teil vom LM vernichtet wird.
gil
Ultra-User
Ultra-User
Beiträge: 753
Registriert: Di, 21.03.06, 21:27
Wohnort: Cologne

Sa, 08.03.08, 22:59

Sagt mal, hat wer von euch diese KSQ schon mal mit PWM gedimmt?
ja, kein Problem!
Benutzeravatar
Crossfire
Hyper-User
Hyper-User
Beiträge: 1059
Registriert: Di, 30.10.07, 11:44
Wohnort: Filderstadt
Kontaktdaten:

Sa, 08.03.08, 23:07

-skunk- hat geschrieben:...
Allerdings kann man auf dem (ungekühlten) LM317 TO-220 nach ein paar Sekunden Eier braten, was bei 15W Verlustleistung auch kein Wunder ist....
wenn man das dann an 12V macht wandelt der 15watt in wärme um oder wie? Dann ist die ksq ja nicht grade energiesparend oder wie??
Benutzeravatar
_nabla
Hyper-User
Hyper-User
Beiträge: 1171
Registriert: So, 30.07.06, 13:16
Wohnort: Gießen*Dortmund
Kontaktdaten:

So, 09.03.08, 13:07

Na die Rechnung ist nicht schwer.

Bei 2 Ohm am LM317 und 1,5Ohm als Last fließen 625mA bei einer Spannung von 0,94V. Wenn am Eingang jetzt 25V anliegen, ist die Verlustleistung 24,06V*0,625A=15W

Bei 12V Eingansspannung wären es in meinem Fall ca. 7W Verlust...
Ragnar Roeck
Ultra-User
Ultra-User
Beiträge: 924
Registriert: Di, 20.02.07, 19:40

So, 09.03.08, 14:12

Energiesparend sind nur Schaltregler (switched). Alles andere (linear und widerstand) verbrät einfach nur, was nicht auf die LED gelangen soll. Liegt eine lineare KSQ¹ nahe bei der gewünschten Spannung, können die Verluste allerdings geringer sein, als bei einem Schaltregler.

¹ Mit OpAmp, MosFET und kleinem Shuntwiderstand um eine niedrige Dropspannung zu erhalten. Ein LM317 braucht immer 2,5-3V über der gewünschten Spannung, mit einer Selbstbaulösung kann man in Bereiche unter 0,2V vorstossen und braucht auch nicht mehr als ein paar Bauteile. Da ist hier im Forum in verschiedenen Varianten auch was zu finden.
Benutzeravatar
_nabla
Hyper-User
Hyper-User
Beiträge: 1171
Registriert: So, 30.07.06, 13:16
Wohnort: Gießen*Dortmund
Kontaktdaten:

So, 16.03.08, 23:59

Hm...ich hätte nie gedacht, dass die Geschichte so schnell so heiß wird und ich den 317 so groß sehr kühlen muss.

Daher habe ich mal ein bisschen im Netz gesucht und diese KSQ gefunden:

http://www.mikrocontroller.net/wikifile ... rent_2.png

Hat schon mal jemand diese KSQ nachgebaut und kann mir Infos zum Wirkungsgrad usw. geben?
Des Weiteren braucht man hier doch eine Spule, die den max. Strom aushält. Ich finde bei Reichelt leider nur welche, die relativ wenig Strom führen können.
Hier wäre eine, die bei 820µH einen max. I von 310mA hat. Davon könnte ich ja 2 Stück parallel schalten.
Gibts denn hierbei auch einfachere Lösungen bezüglich der Induktivität?
Benutzeravatar
_nabla
Hyper-User
Hyper-User
Beiträge: 1171
Registriert: So, 30.07.06, 13:16
Wohnort: Gießen*Dortmund
Kontaktdaten:

Sa, 29.03.08, 21:03

*schieb*

würd mich immer noch über kommentare freuen.. :)
Benutzeravatar
Mirfaelltkeinerein
Ultra-User
Ultra-User
Beiträge: 748
Registriert: Mi, 25.10.06, 17:52
Wohnort: Südwesten

Mo, 31.03.08, 18:18

Ob man was passendes bei Reichelt findet, weiß ich nicht, aber such' mal nach Drosseln (nicht nach Spulen, obwohl es vom Prinzip her das gleiche ist). Bei der Firma RS-Components gibt es sowas ganz sicher. Allerdings sind die Drosseln mit hohen Sättigungsströmen nicht ganz billig (um nicht zu sagen A****teuer :x )
Benutzeravatar
_nabla
Hyper-User
Hyper-User
Beiträge: 1171
Registriert: So, 30.07.06, 13:16
Wohnort: Gießen*Dortmund
Kontaktdaten:

Mo, 31.03.08, 18:31

hab in zwischenzeit bei reichelt high-power-smd-spulen gefunden mit Imax=3,1A für 90cent...
Benutzeravatar
Mirfaelltkeinerein
Ultra-User
Ultra-User
Beiträge: 748
Registriert: Mi, 25.10.06, 17:52
Wohnort: Südwesten

Di, 01.04.08, 08:42

Wow :shock: Das ist ein sehr sehr guter Preis.
luckylu1
Hyper-User
Hyper-User
Beiträge: 1405
Registriert: So, 29.04.07, 05:11
Wohnort: berlin

Di, 01.04.08, 10:39

100µH - 500µH sind sehr grosse werte, dadurch wird der wirkungsgrad nur unnötig verschlechtert! in diesem leistungsbereich lassen sich induktivitäten sehr leicht selbst herstellen, eisenpulver-ringkerne (gelb-weiss, gelb-rot,findet man in jedem PC-netzteil), bei ringkerndurchmessern von ca.10mm bis 35mm, lassen sich leistungen bis zu 50W(bei den grösseren kernen) locker bei 20kHz-100kHz übertragen. optimale induktivitäten liegen, nach meiner erfahrung zwischen 20µH bis 80µH, das entspricht windungszahlen zwischen 60Wdg bis 20Wdg (geschätzt).
wegen des geringeren AL wertes bei kleinen kernen, sind dort höhere windungszahlen für gleiche induktivität nötig, zur optimierung wird von der grössten windungszahl ausgegangen, diese kann dann leicht während der messreihe abgewickelt werden. nach ermittlung der günstigsten induktivität wird dann der draht entfernt und durch einen mit maximalem durchmesser ersetzt,
wobei die günstigste anordnung eine gleichmässig auf den ganzen umfang verteilte wicklung darstellt. mit einer solchermassen hergestellten induktivität, lassen sich, auch ohne teure spezialkerne, wirkungsgrade bis zu 97% erreichen, naja, die schaltung muss das aber auch hergeben^^, also gute teile raussuchen, die kosten oft nur ein paar cent mehr bringen aber deutlich bessere wirkungsgrade! daten zu ferrit und eisenpulverringkernen findet ihr hier:

http://www.amidon.de/websho/stratoindex.html

eine sehr gute !!! seite, da sind daten eine downloaddatei mit berechnungshinweisen und wicklungsbeispielen zu finden. unter den produkten findet jeder was er braucht und bestellen könnt ihr da auch gleich, ohne umwege über händler, direkt beim hersteller.
Benutzeravatar
Mirfaelltkeinerein
Ultra-User
Ultra-User
Beiträge: 748
Registriert: Mi, 25.10.06, 17:52
Wohnort: Südwesten

Di, 01.04.08, 11:10

Entweder bin ich blind, oder die Sättigungsflussdichte ist da nicht angegeben. Die ist ja nicht ganz unwichtig, weil sie den Maximalstrom bei einer bestimmten Windungszahl definiert. Wenn der Kern in die Sättigung geht, sinkt die Induktivität ab und die Schaltfrequenz des Wandlers steigt erheblich an. Wenn sie nicht mehr weiter ansteigen kann, kann es, je nach Wandler, dazu führen, dass der Strom durch die angeschlossene LED zu groß wird. Ich würde da doch lieber auf die fertigen Spulen zurückgreifen, zumal sie im vorliegenden Fall meistens kleiner bauen, als selbstgewickelte. Und die SMD-Spulen sind für diesen Leistungsbereich auch schon so groß, dass einer normalen Handhabung nichts im Wege steht, außer, dass sie halt keine Beinchen zum irgendwo reinstecken haben.
luckylu1
Hyper-User
Hyper-User
Beiträge: 1405
Registriert: So, 29.04.07, 05:11
Wohnort: berlin

Fr, 04.04.08, 00:56

also, bei amidon findest du zu jedem material auch kurven und sehr gute erläuterungen.
die sättigungsflussdichte ist kein absolut fester wert (ist unter anderem definitions und temperaturabhängig), deswegen sind kurven viel aussagekräftiger! die für eine led notwendige leistung bekommt man über fast jeden kern übertragen, notfalls reicht sogar ein stück einer zum kreis gebogenen büroklammer (verlöten), allerdings sind die verluste dann etwas zu gross!^^
da das hier off topic ist, eröffne doch nen neuen thread!?
Benutzeravatar
exelero
Mega-User
Mega-User
Beiträge: 184
Registriert: Do, 22.01.09, 20:42
Wohnort: Norddeuschland

So, 12.04.09, 22:51

kann mir jeamand sagen wo die pwm frequenz angelegt werden muss bei der standard schalung?
und wie groß muss die amplitude sein?


gruß
Borax
Star-Admin
Star-Admin
Beiträge: 12243
Registriert: Mo, 10.09.07, 16:28

Mo, 13.04.09, 10:32

Einen 'typischen' PWM-Eingang hat diese Schaltung natürlich nicht. Du kannst nur zwischen LED und Masse einen N-Channel-Mosfet dazwischen schalten und an diesem die PWM Regelung anschließen (oder einen P-Channel-Mosfet zwischen +5V und Eingang des LM317). Ist aber keine besonders gute Möglichkeit. Der LM1317 hat wie oben schon gesagt einen recht hohen Drop. Ist IMHO also höchstens für den Einsatz an fertigen RGB-Controllern (mit Mosfet Ausgang) geeignet, wenn man keine Widerstände verwenden will (z.B. für High-Power RGB LEDs). Wenn Du dagegen nur einen schwachen Steuerstrom als PWM-Signal hast (z.B. von einem µP), dann geht es besser (weil weniger Drop) und billiger (ein simpler NPN-Transistor kostet nur wenige Cent) mit einer Zwei-Transistor-KSQ (wobei der zweite Transistor für Ströme ab ca. 200mA ein Mosfet sein sollte).
Schaltungsbeispiele:
viewtopic.php?p=84180#p84180
viewtopic.php?p=80257#p80257
viewtopic.php?p=84748#p84748
Benutzeravatar
exelero
Mega-User
Mega-User
Beiträge: 184
Registriert: Do, 22.01.09, 20:42
Wohnort: Norddeuschland

Do, 25.06.09, 10:26

Nochmal darauf zurück zukommen:
Einen 'typischen' PWM-Eingang hat diese Schaltung natürlich nicht. Du kannst nur zwischen LED und Masse einen N-Channel-Mosfet dazwischen schalten und an diesem die PWM Regelung anschließen
Geht das wirklich?
Versucht der LM317 nicht eher den strom konstant zu halten ...und sich dabei selbst zersört? ( was ja nicht geht wenn der Mosfet nicht durchsteuert (duty cyle 0%) )
(oder einen P-Channel-Mosfet zwischen +5V und Eingang des LM317)
Das erscheint mir sinniger - daran hatte ich auch gedacht.
Aber der LM317 hat doch auch eine art "hochfahrzeit"(also die regelstrecke intern) bis der konstante Strom fließt.

Wie kann man / sollte man die KSQ in PWM betrieb benutzen?

gruß
Antworten