LED Lauflicht / Landebahn

Fragen zu Schaltungen, Elektronik, Elektrik usw.

Moderator: T.Hoffmann

Antworten
Benutzeravatar
LED
Super-User
Super-User
Beiträge: 72
Registriert: Sa, 03.02.07, 18:08
Wohnort: Neubiberg
Kontaktdaten:

So, 25.11.07, 21:21

Hallo Leute
Es ist wieder soweit.
Die Planungen für den nächsten umbau sind fertig.
Nun brauche ich aber eure Hilfe.
Ich brauche eine Schaltung die wenn ich einen Schalter betätige ,im abstand von ein paar millisecunden , die LEDs nacheinander einschaltet.
Die LEDs sollten dann auch eingeschaltet bleiben bis ich den schalter wider betätige.
So eine art Landebahn licht.
Könnt ihr mir Helfen?????

Danke schon mal im voraus
Benutzeravatar
Elektronikmann
Ultra-User
Ultra-User
Beiträge: 844
Registriert: Mo, 19.03.07, 10:37
Wohnort: Mainz

Mo, 26.11.07, 10:39

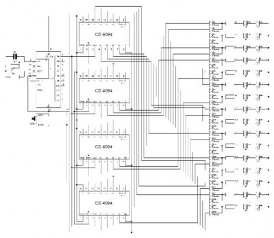
Damit kann ich dienen. Habe die Schaltung noch nicht nachgebaut. Ist mit herkömmlichen ICs zu realisieren aber sehr aufwendig.MfG
Einmal Layout:
Startb-Beleuchtunglay.jpg
Einmal Schaltplan:
Startb-Beleuchtung.jpg
Zeichnung ist nicht so schön. Hier der Link:http://www.bader-frankfurt.de/elek/flugleitled.gif
Antworten