Raumbeleuchtung mit 8xP4

Anleitungen für "hausgemachte" LED Projekte

Moderator: T.Hoffmann

Benutzeravatar
Mominik
Mega-User
Mega-User
Beiträge: 474
Registriert: Sa, 07.07.07, 18:20

Mo, 30.07.07, 21:16

Guten Abend!

Heute Mittag kam endlich mein heiß erwartetes Paket mit den LEDs. Ich habe mir nämlich schon seit langer Zeit vorgenommen meine Halogenspannlampe auf LED umzurüsten.

Material:

2x Regelbarer Spannungskonstanthalter LM350T 2€/4€
2x Kühlkörper für LM350T SK104 2,28€/4,56€
1x Scheibenvaristor S20K275 0,87€
1x Scheibenvaristor S05K20 0,29€
1x Feinsicherung 3,15A MT
6x Bimetallöffner 75°C 3,38€/20,28€
1x Kondensator 4700µF 25V 1,.29€
6m Litze NYFAZ 2x0,5 2,40€
3x Widerstand Metall 1W 1% 2,2 Ohm 0,15€/0,45€
3x Widerstand Metall 1W 1% 3,9 Ohm 0,15€/0,45€
1x Brückengleichrichter B40C7000 3,93€


Lumitronix:
4x Seoul Z-LED P4 Star, weiß, 240 Lumen 8,20€/32,80€
4x Seoul Z-LED P4 Emitter, warm-weiß, 70 Lumen/W 7,95€/31,80€
4x Star-Platine für Seoul P4 Emitter 0,65€/2,60€
8x Stern-Kühlkörper 51x51mm 1,54€/12,32
1x Arctic Silver Wärmeleitkleber (2x 3.5g) 8,91€

Gesamt: 125,41€ + anderes Zeugs

Das ist die Lampe:
LED1.jpg
LED1.jpg (105.85 KiB) 33291 mal betrachtet
Als erstes habe ich die Spots abmontiert, die Strahler herraus genommen und kleine Nuten hieneingesät, damit ich der Sternkühlkörper ohne Herrumrutschen sitzt.
LED2.jpg
LED2.jpg (116.36 KiB) 33290 mal betrachtet
LED3.jpg
LED3.jpg (131.18 KiB) 33290 mal betrachtet

Hier seht ihr wie gerade der Wärmeleitkleber trocknet. Die großen schwarzen Dinger sind Bimetallschalter, die den Stromkreis bei einer Temperatur von 75°C unterbrechen sollen. Dies soll die LED vor überlast schützen. Die Temperatur des Wiedereinschaltens beträgt 65°C. In meinem Dauertest hat sich bis jetzt noch keine ausgeschaltet.
LED4.jpg
LED4.jpg (145.51 KiB) 33289 mal betrachtet

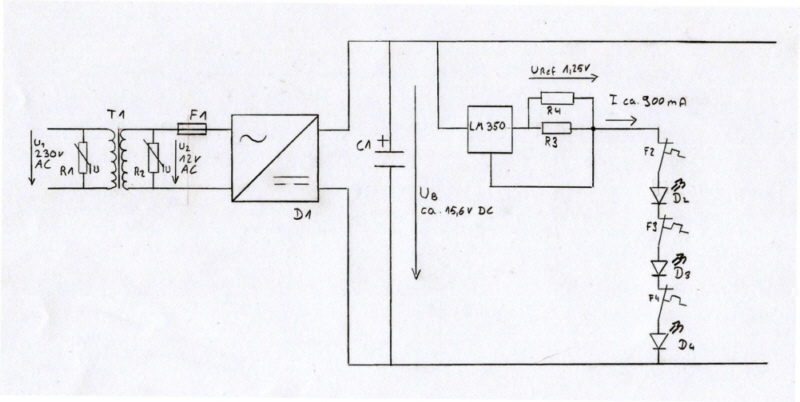
Ich habe mich für eine Dezentrale Stromregelung entschieden, auf Grund von thermischen und räumlichen Probemen im Trafogehäuse. Als Regelung arbeiten 3 einfache LM350 geschaltet als Konstantstromquelle. In der Praxis unterscheiden sich jedoch die Werte zu den errechneten sehr. 900mA waren geplant, doch 800mA sind es, was auch ausreichend ist. Der LM sitzt direkt am Lampenspott, auf einen 2. Külkörper montiert.

Hier meine Schaltung:
Schaltung LED.jpg
Jetzt aber endlich mal zu den Ergebnissen!!!
LED5.jpg
LED5.jpg (163.17 KiB) 33290 mal betrachtet
LED6.jpg
LED6.jpg (145.93 KiB) 33288 mal betrachtet

Da eigentlich nur 6 LEDs geplant waren, ich aber doch 8 verbaut habe, stimmt die Grafik nicht ganz. Sie dürfte aber nicht wirklich anders ausschauen. Sie zeigt den Schnittpunkt, ab wann ich im Vergleich zur Halogenbeleuchtung sparen werde. Die X-Achse gibt Die Betriebssunden an.
Kostendarstellung.jpg
Kostendarstellung.jpg (45.76 KiB) 33287 mal betrachtet

Die Kühlkörper der LEDs werden nicht wirklich warm, man kann sie Problemlos mit der Hand anfassen. Die Kühlkörper der LM350 werden schon etwas wärmer. Da ich keine 9 LEDs hatte konnte ich bei einem leider nur 2 in Serie schalten. Diesen kann man nicht mehr mit den Fingern berühren, ohne dass man sich verbrennt. Die Kühlung sollte aber passen, da ich sie sicherheitshalber auf die entsprechende Verlustleistung berechnet habe.

Hoffe ihr habe Freude an meiner Heimwerkerei!!!

Achtung!!! Arbeiten an 230V dürfen nur von ausgebildeten Fachleuten durchgeführt werden. Bereits 50V Wechselspannung können für einen Menschen lebensgefährlich sein. Bei Gleichspannung 120V!
Zuletzt geändert von Mominik am So, 27.07.08, 14:15, insgesamt 4-mal geändert.
Benutzeravatar
jm2_de
Hyper-User
Hyper-User
Beiträge: 1188
Registriert: Sa, 06.01.07, 01:26

Mo, 30.07.07, 21:30

Sieht sehr gut aus und die Ausleuchtung ist auf jeden Fall gross genug :D

Wie hoch ist denn der Widerstand in den Bimetallschaltern, hast Du das mal gemessen ?
Benutzeravatar
Mominik
Mega-User
Mega-User
Beiträge: 474
Registriert: Sa, 07.07.07, 18:20

Mo, 30.07.07, 21:33

Die hatten 0,irgendwas Ohm

Werden bei euch die Bilder komplett angezeigt???

Bei mir nicht. Sollte ich sie auf einen anderen Server laden?
Benutzeravatar
Sailor
Moderator
Beiträge: 9427
Registriert: Di, 28.11.06, 22:16
Wohnort: Saarland, Deutschland und die Welt

Mo, 30.07.07, 21:54

100 Credits für das How²!

Bei mir sind die Bilder incl. Grafik perfekt. Realisierung und Beschreibung auch.

Wie sieht es mit der (subjektiven) Helligkeit vorher/nacher aus?
Benutzeravatar
Cyberhofi
Ultra-User
Ultra-User
Beiträge: 545
Registriert: Mo, 16.10.06, 11:10
Kontaktdaten:

Mo, 30.07.07, 22:00

Wie hast du das mit der Reihenschaltung gemacht?
Hast du da extra Leitungen zu den LEDs gelegt?
Benutzeravatar
Mominik
Mega-User
Mega-User
Beiträge: 474
Registriert: Sa, 07.07.07, 18:20

Mo, 30.07.07, 22:00

Danke

Meiner meinung nach war der Raum mit Halogenbeleuchtung heller, aber das war so ekliches superwarmes Licht. Ich finde es mit den LEDs genau richtig. Ich habe ja 4 Weiße mit 4 Warmweiße gemischt. Weniger dürfen es nicht sein, sonst ist es zu dunkel.
Benutzeravatar
Mominik
Mega-User
Mega-User
Beiträge: 474
Registriert: Sa, 07.07.07, 18:20

Mo, 30.07.07, 22:03

Auf den Ursprüglichen Leitungen ist Gleichspannung ca 15V. An den Spotts mit Stromregelung habe ich von einer Leitung + Abgezapft und dann bin ich mit dünner Litze weiter zum nächsten, habs um die Leitungen drumgezwirbelt, sieht gar nicht mal schlecht aus. Beim letzten, also 3., bin ich zurück auf -.
Benutzeravatar
Sailor
Moderator
Beiträge: 9427
Registriert: Di, 28.11.06, 22:16
Wohnort: Saarland, Deutschland und die Welt

Di, 31.07.07, 07:11

Eine Alternative zur Realisierung einer Reihenschaltung bei Seilzugsystemen könnte auch so aussehen:
1128_SeilzugLED_1.png
1128_SeilzugLED_1.png (3.15 KiB) 38307 mal betrachtet
Bei Systemen mit den Armträgern wie hier ist es mechanisch etwas schwieriger, aber doch auch realisierbar.
Deine Lösung mit der zusätzlichen Leitung ist dann doch einfacher zu realisieren!

Auf Dauer solltest Du die Stromsteuerung ändern. Das spart nicht nur noch mehr Energie, sondern minimiert auch das Wärmeproblem, das durch die Verwendung eines Längsreglers entsteht.

Dabei fällt mir ein, dass ich die Material- und Baukosten eigentlich nicht so stark in die Kosten-/Nutzen-Rechnung einbeziehe. Wenn ich bedenke, was ich in der Bastelzeit an Geld in mein anderes, kostspieliges Hobby stecken würde ... :lol:
Benutzeravatar
Sh@rk
Auserwählter
Auserwählter
Beiträge: 3820
Registriert: Do, 17.08.06, 17:55
Wohnort: Thüringen
Kontaktdaten:

Di, 31.07.07, 08:10

Ein wirklich sehr schönes How² hast du da geschrieben. Die Ausleuchtung ist wirklich sehr Perfekt! Auch das zusammenspiel von Weißen und Warm Weißen Led's gefällt mir! Weiter so!

mfg Sh@rk
Benutzeravatar
Mominik
Mega-User
Mega-User
Beiträge: 474
Registriert: Sa, 07.07.07, 18:20

Di, 31.07.07, 08:11

So wie du gezeichnet hast, hab ich es mir sogar mal vorgestellt. Nur es ist nicht so leicht möglich, da ich die Spannlitzen ja unterbrechen müsste. Das kann ich aber nicht, weil sie extrem an stabilität verlieren würden. Denn es heißt ja Spannlampe und nicht Hängelampe. Bei dem Zug, der auf diesen beiden Leitungen ist, vermute ich mal, dass es kein 6mm² mehr ist ;) Wenn ich es doch so gemacht hätte, hätte ich in jedem gehäuse eine Zugentlastung benötigtund die wiederum Platz. Thermische Probleme würde ichs noch nicht nennen. Ich habe zwar kein Temperaturmessgerät, aber ich ruhigem Gewissen sagen, dass die Temperatur im grünen Bereich ist. Bis auf den Kühlkörper vom LM, der nur 2 LEDs betreibt, kann man jeden Problemlos anfassen. Ich schätz einfach mal ~60°C. Der LM vielleicht ~80°C, was aber laut Datenblatt nichts besonderes ist. Die Lampe war gestern ca 5 Stunden im Belastungstest und ich habe nichts auffälliges festgestellt. Den Strom kann ich nicht ändern, denn es war eine riesen Fuddelei die Widerstände wenigsten im Inneren des Spots zu verstecken, wenn der LM ja schon aussen sitzt. 2. Grund, wie bereits geschrieben, es ist dunkler als vorher und noch dunkler sollte es nicht sein.

Danke für das nette mitdenken. Wenn ich mal wacher bin, mache ich auch mal ein Bild im hellen, dann sieht man sie mal ausgeschaltet.
Synthy82
Hyper-User
Hyper-User
Beiträge: 1956
Registriert: Do, 05.04.07, 15:15
Wohnort: Hamburg
Kontaktdaten:

Di, 31.07.07, 15:13

Das gezeigte Diagramm finde ich interessant! Ist das Wechseln der Halogenlampe ein Prozess, der sich kostenmäßig über 200 Betriebsstunden hinzieht? ;-)
luckylu1
Hyper-User
Hyper-User
Beiträge: 1405
Registriert: So, 29.04.07, 05:11
Wohnort: berlin

Di, 31.07.07, 15:49

naja, die sterben ja nicht alle am gleichen tag, er hatte sicher keine lust so viele stufen einzuarbeiten.^^
Benutzeravatar
Mirfaelltkeinerein
Ultra-User
Ultra-User
Beiträge: 748
Registriert: Mi, 25.10.06, 17:52
Wohnort: Südwesten

Di, 31.07.07, 17:09

Sehr schön gemacht! Respekt.
Eine Frage hätte ich aber noch. Warum sind diese Stufen in der Kosten-Grafik für die Halogenlampen bei 2000 und bei 4000 Stunden? Sind das die Kosten für neue Lampen? Allerdings erscheinen mir dabei ca. 25 Euro etwas viel. Könntest du das nochmal für Doofe (wie mich :wink: ) kommentieren?
Benutzeravatar
Mominik
Mega-User
Mega-User
Beiträge: 474
Registriert: Sa, 07.07.07, 18:20

Di, 31.07.07, 17:12

Dank dir!

Die Lampe hatte ursprünglich 7 Spots. In dem Schaubild bin ich davon ausgegangen, dass sie alle gleichzeitig nach 2000h verrecken und einer 3 € kostet. das wären dann 21€. Excel hat die Kurve irgendwie verfuscht. Kann man sie auch irgendwie so zeichnen lassen, dass es auch stimmt?
Benutzeravatar
balingertiger
Mega-User
Mega-User
Beiträge: 208
Registriert: Mi, 30.08.06, 14:07

Di, 31.07.07, 17:16

Wirklich schön. Wie viele Stunden hast du das Licht am Tag/in der Woche an?

Bei mir würde sich das nach deinem Diagramm nach ca. 2 Jahren lohnen.
Benutzeravatar
Mirfaelltkeinerein
Ultra-User
Ultra-User
Beiträge: 748
Registriert: Mi, 25.10.06, 17:52
Wohnort: Südwesten

Di, 31.07.07, 17:17

@Mominik: Hmmm, es sieht so aus, als hättest du bei Excel die Option 'Kurve glätten' an. Dadurch gibt es diese Verrundungen. Zu den Halogenlampen: Ein Lämpchen für 3Euro halte ich schon für ziemlich teuer. Sicherlich haben die eine bessere Qualität als die Zehn-Stück-für-fünf-Euro-Packs aber die sind meiner Meinung nach auch unverhälnismäßig teuer.
Nichtsdestotrotz würde sich dadurch der Schnittpunkt nur etwas weiter nach rechts verschieben. Und wenn der Strompreis immer weiter steigt, verschiebt er sich nach links. Soweit also zur Zuverlässigkeit von Prognosen...
Benutzeravatar
Berni
Ultra-User
Ultra-User
Beiträge: 710
Registriert: Mi, 30.08.06, 15:19
Wohnort: Balingen
Kontaktdaten:

Di, 31.07.07, 17:25

Na endlich...
Auf so eine Lampe hab ich gewartet :)

Liege ich richtig, wenn das die erste Lampe ist, die alleine durch LEDs ein Zimmer ausleuchtet hier im Forum?
(Ich meine wirklich durch eine Lampe, nicht dur mehrere!)

Würdest du mir bitte noch eine Nahansicht eines einzelnen, fertigen, ausgeschalteten Spots machen?
Hast du da noch was drumrum gemacht, oder ist das nur P4, Star und Kühlkörper (also ohne Glas oder sowas drumherum)?

Grüße,
Berni
Benutzeravatar
Mominik
Mega-User
Mega-User
Beiträge: 474
Registriert: Sa, 07.07.07, 18:20

Di, 31.07.07, 17:25

Hier mal ein Bild im hellen:
LED7.jpg
LED7.jpg (90.87 KiB) 33292 mal betrachtet
LED8.jpg
LED8.jpg (155.46 KiB) 33288 mal betrachtet
LED9.jpg
LED9.jpg (111.73 KiB) 33294 mal betrachtet
LED10.jpg
LED10.jpg (87.42 KiB) 33290 mal betrachtet
Zuletzt geändert von Mominik am So, 27.07.08, 14:18, insgesamt 2-mal geändert.
Benutzeravatar
Berni
Ultra-User
Ultra-User
Beiträge: 710
Registriert: Mi, 30.08.06, 15:19
Wohnort: Balingen
Kontaktdaten:

Di, 31.07.07, 17:46

:D Sieht extremst futuristisch aus ;)
Aber gefällt mir, hast eine schöne Lampe an der Decke kleben.

Danke für die Bilder,
Berni
Benutzeravatar
Mominik
Mega-User
Mega-User
Beiträge: 474
Registriert: Sa, 07.07.07, 18:20

Di, 31.07.07, 18:00

Sagt mal, kennt sich einer richtig mit Licht aus, also ich meine, wenn meine Lampe an ist und ich an die Decke schau, was grad oft vor kommt, dann blenden mich die LEDs sehr. Es ist ja auch eine starke auf kleinem Raum konzentriete Lichtleistung. Kann das schon schädlich für die Augen sein? Wenn ich jetzt an Laser denke, dass diese schon mit 5mW schädigend sein können, bzw. sind.
Benutzeravatar
Mirfaelltkeinerein
Ultra-User
Ultra-User
Beiträge: 748
Registriert: Mi, 25.10.06, 17:52
Wohnort: Südwesten

Di, 31.07.07, 18:16

Laser sind mit 'normalen' Lichtquellen nicht direkt vergleichbar. Gefährlich sind Laser auf größere Entfernungen eigentlich 'nur' dann, wenn ihr Licht kollimiert ist, das heißt, dass ein paralleles Lichtbündel emmitiert wird. Das muss nicht vom Laser direkt ausgehen, sondern kann auch mit einer entsprechenden Optik erzielt werden (Diodenlaser emittieren in der Regel mehr oder weniger stark divergentes, d.h. auseinanderlaufendes Licht in einem abgeplatteten Kegel). Wenn jetzt so ein Strahl das Auge Trifft, sind die Chancen sehr gut, dass das gesamte Lichtbündel durch die Pupille kommt und gebündelt auf die Netzhaut trifft. So ein paralleles Lichtbündel lässt sich außerdem noch sehr gut fokussieren und der resultierende Lichtfleck auf der Netzhaut hat nur noch einige Mikrometer Durchmesser. Bei, sagen wir 5mW Lichtleistung auf einem Lichtfleck mit 10 Mikrometern Durchmesser entspricht das einer Lichtleistung von 63,7 Megawatt (!!!) pro Quadratmeter. Das hält keine Netzhaut lange aus!
Bei einer normalen Lampe oder einer LED ist die emittierende Fläche wesentlich größer als bei einem Laser (einen Laser kann man aufgrund seiner Eigenschft der Kohärenz mit einer ideal punktfömigen Lichquelle vergleichen, zumindest wenn er auf seiner Grundmode emittiert) und damit ist auch der minimale Lichtfleck, auf den sich das Licht fokussieren lässt, wesentlich größer. Außerdem Fällt bei zunehmendem Abstand auch nur noch sehr wenig Licht ins Auge. Aber trotzdem kann man sich die Augen schädigen. Deshalb sind spätestens bei den Power-LEDs ja auch die Warnhinweise angebracht. Bei zu viel Leistung auf der Netzhaut geht diese kaputt!!!

Wenn du Sorgen hast, mach' doch eine Streufolie vor die LEDs. Die vergrößert die sichtbare Fläche der Lichtquelle und verringert die Leuchtdichte und damit auch die Lichtleistung, die auf einen bestimmten Punkt der Netzhaut trifft.
Benutzeravatar
Mominik
Mega-User
Mega-User
Beiträge: 474
Registriert: Sa, 07.07.07, 18:20

Di, 31.07.07, 18:29

Danke für diese wirklich sehr ausführliche Antwort!!! Ich habe gerade alle LEDs zur Decke hin gedreht. Diese ist Weiß und hat somit einen relative großen reflektionsgrad, aber das Ergebnis ist ernüchternd. Ich glaub ich baue wirklich was mit Streufolie, aber das mache ich frühstens Morgen abend oder Übermorgen, weil morgen das neue Auto kommt :DDDD
luckylu1
Hyper-User
Hyper-User
Beiträge: 1405
Registriert: So, 29.04.07, 05:11
Wohnort: berlin

Di, 31.07.07, 19:07

berni, das war auch das erste, was mir dazu einviel Lol
Benutzeravatar
[pedda]
Mega-User
Mega-User
Beiträge: 367
Registriert: Sa, 03.02.07, 16:41
Kontaktdaten:

Di, 31.07.07, 19:29

Die Idee gefällt mir richtig gut!
Hab über so etwas bereits nachgedacht es aber immer verworfen, weil ich bei meinem Seilsystem wenn überhaupt die gespannten Leitungen verwenden und diese nicht noch umwickeln wollte.

Aber gefällt mir wirklich gut!
Glückwunsch zur ersten zur 100% Glühlampen ersetzenden LED-Beleuchtung! :D

Mich persönlich würde nur stören, dass die Beleuchtung aufgrund ds hohen Abstrahlwinkels der LEDs nicht ansatzweise punktuell ist.
Da hat man irgendwie immer ein "Neonröhren"-Feeling :/

Grüße
gil
Ultra-User
Ultra-User
Beiträge: 753
Registriert: Di, 21.03.06, 21:27
Wohnort: Cologne

Mi, 01.08.07, 05:31

meiner Meinung nach ein Beweis dafür, dass man die Power LEDs nicht ohne Linsen für eine Direktbeleuchtung einsetzen sollte.Das Licht ist nicht schön,viele Doppelschatten, und es blendet extrem,ist sogar gefährlich für die Augen.
Also: noch 40° Linsen davor und Du hast schöne Downlights, die sich aber nicht mehr so gut mischen und den Raum nicht mehr ausreichend erhellen.Das bedeutet, noch mehr Geld für die Anschaffung und noch eine Lampe für indirektes Licht (Halogen)
Nur keine Euphorie aufkommen lassen, so leicht ersetzen die LEDs nicht das Halogen-Wohnraumlicht!!
Antworten