LED Cree High Power über KSQ PWM Dimmen Aquarium
Moderator: T.Hoffmann
-
LongLong00
- User

- Beiträge: 33
- Registriert: Mi, 04.11.15, 15:09
Hallo,
Ich habe KSQ 750mah 2 St mit je 5 Cree 1 Watt
1 St ksq 450mah mit 4 Cree 1 Watt
Ein Netzteil habe ich noch nicht. Ich weiss nicht welches ich benötige.
Die KSQ sind die Anvilex 36-450 HV 48.
Ich weiss leider nicht wie das Verkabelt wird und benötige da hilfe.
Welche Steuerleitung nehme ich da und welche Technik zum Automatischen Dimmen .
Habe über Googel nichts gefunden. Würde es gerne mit einem TC 420 machen.
Gruss
Sven
Ich habe KSQ 750mah 2 St mit je 5 Cree 1 Watt
1 St ksq 450mah mit 4 Cree 1 Watt
Ein Netzteil habe ich noch nicht. Ich weiss nicht welches ich benötige.
Die KSQ sind die Anvilex 36-450 HV 48.
Ich weiss leider nicht wie das Verkabelt wird und benötige da hilfe.
Welche Steuerleitung nehme ich da und welche Technik zum Automatischen Dimmen .
Habe über Googel nichts gefunden. Würde es gerne mit einem TC 420 machen.
Gruss
Sven
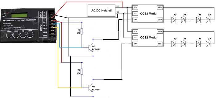
Das TC 420 hat nur High-Level Ausgänge. Ist somit nicht zum direkten Steuern des PWM Einganges der Anvilex KSQs geeignet.
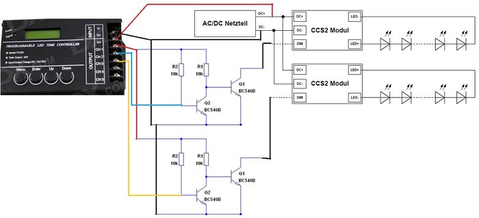
Um die KSQs mit dem TC 420 zu steuern ist aber pro Kanal der unabhängig gesteuert werden soll eine Zusatzschaltung nötig. Wenn es nicht stört, dass der Ausgang invertiert ist (hängt von der Programmierung des TC 420 ab), reicht dafür ein NPN Transistor und ein Widerstand. Ansonsten müssen es zwei Transistoren und 2 Widerstände sein (zwei mal invertiert ist wieder das gleich wie am Anfang). Schaltpläne für diese beiden Fälle kann ich Dir gerne geben, aber bauen musst Du selbst.
Das passt nicht. 1W LEDs werden mit 350mA bestromt. Wenn es 3W LEDs sind passt es. Besser wäre es, uns gleich den genauen Typ der LEDs anzugeben. Weil so kann man deren Spannung nur erraten (vmtl. 3-3,5V). Unter dieser Annahme würde ein 24V 2A Netzteil reichen. Z.B.: http://www.leds.de/LED-Zubehoer/Spannun ... -IP67.html750mah 2 St mit je 5 Cree 1 Watt
Um die KSQs mit dem TC 420 zu steuern ist aber pro Kanal der unabhängig gesteuert werden soll eine Zusatzschaltung nötig. Wenn es nicht stört, dass der Ausgang invertiert ist (hängt von der Programmierung des TC 420 ab), reicht dafür ein NPN Transistor und ein Widerstand. Ansonsten müssen es zwei Transistoren und 2 Widerstände sein (zwei mal invertiert ist wieder das gleich wie am Anfang). Schaltpläne für diese beiden Fälle kann ich Dir gerne geben, aber bauen musst Du selbst.
-
LongLong00
- User

- Beiträge: 33
- Registriert: Mi, 04.11.15, 15:09
Die leds sind die Cree XP-G2 R3. 4St
Und 10 XM-L2 U4 alle auf Star
Ein Bauplan wäre sehr interessant.
Und 10 XM-L2 U4 alle auf Star
Ein Bauplan wäre sehr interessant.
Das sind aber keine 1W LEDs10 XM-L2 U4 alle auf Star
Ok. Die brauchen allen nicht mehr als ca. 3.3V bei 450 oder 750 mA. Das Netzteil reicht dann so gesehen locker aus. Dass eine Star Platine nicht für die Kühlung reicht, ist aber klar (hoffe ich)
Bauplan (doppelt invertiert - für zwei Kanäle): Es müssen auch nicht genau diese Transistoren sein. BC547 oder BC548 tun es genauso. Durch die doppelte Invertierung sollten dann 100% Ausgang am TC420 auch tatsächlich 100% Ausgang an den Anvilex KSQs sein.
-
LongLong00
- User

- Beiträge: 33
- Registriert: Mi, 04.11.15, 15:09
Vielen dank , die Leds werden mit Wärmeletkleber auf einen 600mm langen SK 182 von Fischer Elektronik geklebt.
-
LongLong00
- User

- Beiträge: 33
- Registriert: Mi, 04.11.15, 15:09
Ich weiß leider nicht wo ich das rauflöten soll. Damit das ordentlich aussieht ?? Hast Du da noch ein paar tips für mich ?
Invertet muss nicht sein. Dann ist o halt an und 100 aus. Was muss ich dann weglassen??
Danke
http://www.reichelt.de/Bauelemente/H25P ... r=H25PR050
Invertet muss nicht sein. Dann ist o halt an und 100 aus. Was muss ich dann weglassen??
Danke
http://www.reichelt.de/Bauelemente/H25P ... r=H25PR050
Meistens nimmt man für so was Lochraster oder Streifenrasterplatine. Z.B.:Ich weiß leider nicht wo ich das rauflöten soll.
http://www.pollin.de/shop/dt/ODM3OTU1OT ... atine.html oder http://www.pollin.de/shop/dt/MTQ1OTU1OT ... atine.html (oder auch das Material von Reichelt
Wenn Dich das invertierte Signal nicht stört, dann reicht ein Widerstand und ein Transistor pro Kanal: Das könnte man sogar 'fliegend' verdrahten. Transistor direkt auf die Anvilex löten und den Widerstand am TC 420 anschrauben...
-
LongLong00
- User

- Beiträge: 33
- Registriert: Mi, 04.11.15, 15:09
Super vielen dank bei den Widerständen ist die richtung egal??
Und wie ist das beim Transistor?
Und wie ist das beim Transistor?
Ja. Bei Widerständen ist die Polung egal. Bei Transistoren aber nicht.
Kleine Standard-Transistoren haben immer diese Pin-Belegung: Wenn man die Schrift lesen kann (Beinchen nach unten), kann haben die Pins unten die Reihenfolge (links nach rechts): Kollektor, Basis, Emitter. Im Schaltsymbol ist Basis auch der mittlere Pin. Emitter ist der mit dem Pfeil.
Falls Du den Transistor direkt auf die Anvilex löten willst, dann so (Beinchen ggf. vorher etwas kürzen und mittleres Beinchen hoch biegen:
Kleine Standard-Transistoren haben immer diese Pin-Belegung: Wenn man die Schrift lesen kann (Beinchen nach unten), kann haben die Pins unten die Reihenfolge (links nach rechts): Kollektor, Basis, Emitter. Im Schaltsymbol ist Basis auch der mittlere Pin. Emitter ist der mit dem Pfeil.
Falls Du den Transistor direkt auf die Anvilex löten willst, dann so (Beinchen ggf. vorher etwas kürzen und mittleres Beinchen hoch biegen:
-
LongLong00
- User

- Beiträge: 33
- Registriert: Mi, 04.11.15, 15:09
Kannst Du mir noch ein hoch Flexibles Kabel empfehlen mit 5 Adern plus, minus und 3 mal Steuerleitung ca 1,5 Meter vom Schrank zur Lampe.
Schwierig... Bei Reichelt gäbe es dieses hier:
http://www.reichelt.de/PUR-Leitungen/PU ... 5X0%2C75+5
Ist aber sehr teuer.
http://www.reichelt.de/PUR-Leitungen/PU ... 5X0%2C75+5
Ist aber sehr teuer.
- Achim H
- Star-Admin

- Beiträge: 13067
- Registriert: Mi, 14.11.07, 02:14
- Wohnort: Herdecke (NRW)
- Kontaktdaten:
Muss es unbedingt hochflexibel sein, oder reicht auch flexibel?
Angebote bei Ebay:
Fahrzeugkabel FLYY 5 x 1mm² (1,27 EUR je Meter zuzüglich Versandkosten)
Fahrzeugkabel FLYY 5 x 0,75mm² (1,19 EUR je Meter zuzüglich Versandkosten)
Angebote bei Ebay:
Fahrzeugkabel FLYY 5 x 1mm² (1,27 EUR je Meter zuzüglich Versandkosten)
Fahrzeugkabel FLYY 5 x 0,75mm² (1,19 EUR je Meter zuzüglich Versandkosten)
Zuletzt geändert von Achim H am Mo, 09.11.15, 17:56, insgesamt 1-mal geändert.
-
LongLong00
- User

- Beiträge: 33
- Registriert: Mi, 04.11.15, 15:09
Ich habe jetzt alles bei conrad bestellt.
Thx
Thx
-
holgerdaur
- User

- Beiträge: 15
- Registriert: Mi, 17.07.13, 15:09
Servus,und hast du die Beleuchtung gebaut,mit dem TC 420 und den Crees!
-
LongLong00
- User

- Beiträge: 33
- Registriert: Mi, 04.11.15, 15:09
Hi du die schaltung habe ich fertig. Der tc420 ist bestellt aber dauert noch bis zum 24.11 mit der Lieferung.
Der kühlkörper sollte diese woche kommen.
Dann geht es los.
Die Acryl sachen habe ich schon verklebt.
Der kühlkörper sollte diese woche kommen.
Dann geht es los.
Die Acryl sachen habe ich schon verklebt.
Zuletzt geändert von LongLong00 am Di, 17.11.15, 14:13, insgesamt 1-mal geändert.
-
holgerdaur
- User

- Beiträge: 15
- Registriert: Mi, 17.07.13, 15:09
Schreibst dann was wenn du fertig bist?
-
LongLong00
- User

- Beiträge: 33
- Registriert: Mi, 04.11.15, 15:09
Ja klar.
1 Meter Kühlkörper habe ich dann über SK 182 Eloxiert
1 Meter Kühlkörper habe ich dann über SK 182 Eloxiert
-
LongLong00
- User

- Beiträge: 33
- Registriert: Mi, 04.11.15, 15:09
Guten morgen , ich habe alles angeschlossen leider ohne erfolg.
Habe alles mehrfach überprüft. Es dimmtmsich leider kein Kanal
Habe alles mehrfach überprüft. Es dimmtmsich leider kein Kanal
Ok. Dann mal langsam..
1. Hast Du ein Messgerät?
2. Bitte mal einfach mit einem Stück Draht oder Kabel einen Dimm-Eingang an den Anvilex-KSQs mit dem Minuspol (Eingansseite! dort wo auch das Netzteil angeschlossen ist) verbinden. Dann muss die KSQ sofort abschalten.
3. Leuchten tut es aber?
1. Hast Du ein Messgerät?
2. Bitte mal einfach mit einem Stück Draht oder Kabel einen Dimm-Eingang an den Anvilex-KSQs mit dem Minuspol (Eingansseite! dort wo auch das Netzteil angeschlossen ist) verbinden. Dann muss die KSQ sofort abschalten.
3. Leuchten tut es aber?
-
LongLong00
- User

- Beiträge: 33
- Registriert: Mi, 04.11.15, 15:09
Hi leuchten tun sie. Das Gerät auch. Wenn ich überbrücke geht auch kein Lich aus.
Ein Messgerät habe ich
Ein Messgerät habe ich
Dann ist was faul. Wenn der Dimm-Eingang kurzgeschlossen wird, muss die KSQ abschalten. Tut sie das nicht, ist sie entweder kaputt, oder schlecht verbunden oder...Wenn ich überbrücke geht auch kein Licht aus.
Zuerst mal nur eine KSQ (Transistor noch mal ablöten) mit einem Strang LEDs verbinden, das Ganze am Netzteil anschließen und nochmal versuchen den Dimm-Eingang kurz zu schließen. Vorsicht: Der Dimm-Eingang darf nur mit dem DC(-) Pin verbunden werden. Auf keinen Fall mit DC(+) oder LED-Ausgang.
-
LongLong00
- User

- Beiträge: 33
- Registriert: Mi, 04.11.15, 15:09
ja aber ich habe 3 ksq und bei keiner gehts.
-
LongLong00
- User

- Beiträge: 33
- Registriert: Mi, 04.11.15, 15:09
ich weiss nicht warum aber jetzt flackern die leds ganz schnell
-
LongLong00
- User

- Beiträge: 33
- Registriert: Mi, 04.11.15, 15:09
wenn ich den TC420 asschalte flackert aber nichts mehr
