ich möchte euch hier ein kleines Tutorial zum Bau einer Flackerlichtschaltung mit LED für Krippenlagerfeuer, Kerzen, Kaminfeuer, usw. vorstellen.
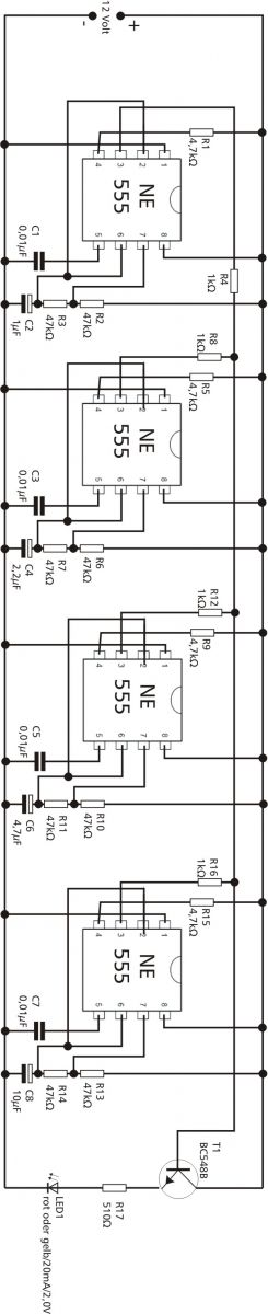
Benötigtes Material:
- 1 Widerstand 510Ω (z.B. Art-Nr: 8000330510)
4 Widerstände 1,0kΩ
4 Widerstände 4,7kΩ
8 Widerstände 47kΩ
4 IC's NE555
1 Transistor BC548B
1 ELKO 1,0µF / 50V
1 ELKO 2,2µF / 50V
1 ELKO 4,7µF / 50V
1 ELKO 10µF / 50V
4 Folienkondensatoren 0,01µF (=10nF)
1 LED 5mm / 2,0V rot oder gelb (z.B. Art-Nr.: 1563002002 oder Art.-Nr: 1559003502)
Ergebnis:
- Vorderseite der Platine: - Rückseite der Platine: Sobald ich die Elektronik in mein Krippenlagerfeuer eingebaut habe, werden weitere Fotos folgen...
Viel Spaß beim Nachbauen.




