Fahrradbeleuchtung zum X-ten Mal
Moderator: T.Hoffmann
- _nabla
- Hyper-User

- Beiträge: 1171
- Registriert: So, 30.07.06, 13:16
- Wohnort: Gießen*Dortmund
- Kontaktdaten:
so...mal nachgebaut. Die P4 leuchtet auch bei geriner Geschw. (Rad zwischen den Händen gedreht) sauhell, mit normalen Dioden (1n4000). Ich denke da ist es kein Problem, wenn ich noch Rücklichter dranhänge.
Leider blinkt das ganze ganz schön, ich hoffe das gibt sich, wenn man schneller fährt.
Leider blinkt das ganze ganz schön, ich hoffe das gibt sich, wenn man schneller fährt.
Gabelstapler?? Man soll nicht alles glauben was auf Wikipedia steht, ABER ich muss zugeben, da hat sich einiges gemacht im Goldcap Sektor! Vor ein paar Jahren konnte man ein paar mA ziehen wenn's gut ging! Heute gibt es da wie's aussieht gröbere Dinger die bis zu 1A liefern können, wobei ein Goldcap einen recht hohen ESR hat (-> nicht geeignet als
Hier die GoldCaps von Panasonic, der Erfinder des Gold Caps:
http://www.panasonic.com/industrial/com ... 052505.pdf
Die einzigen, die höhere Ströme aushalten ist die HW Serie, die anderen sind nicht dafür geeignet! (S.19)
Man bedenke auch die hohe Selbstentladung (S.26)
Die Lebensdauer nimmt bei 70Grad und hohem Strom auch massiv ab, darum ist es nicht als Stützkondensator wie im obigen Beispiel geeignet, da dort hohe Rippelströme zu erwarten sind die durch den hohen ESR vom GoldCap Hitze im Kondensator erzeugen. (HW Typ hat ne Impedanz von ca. 1Ohm bei 1kHz z.B.)
Um so ne Stütze für ne Nachtbeleuchtung zu machen, die sich tagsüber per Solarzellen oder so aufladet ist es ok, aber für dieses Beispiel hier finde ich es nicht wirklich gut...
Hier die GoldCaps von Panasonic, der Erfinder des Gold Caps:
http://www.panasonic.com/industrial/com ... 052505.pdf
Die einzigen, die höhere Ströme aushalten ist die HW Serie, die anderen sind nicht dafür geeignet! (S.19)
Man bedenke auch die hohe Selbstentladung (S.26)
Die Lebensdauer nimmt bei 70Grad und hohem Strom auch massiv ab, darum ist es nicht als Stützkondensator wie im obigen Beispiel geeignet, da dort hohe Rippelströme zu erwarten sind die durch den hohen ESR vom GoldCap Hitze im Kondensator erzeugen. (HW Typ hat ne Impedanz von ca. 1Ohm bei 1kHz z.B.)
Um so ne Stütze für ne Nachtbeleuchtung zu machen, die sich tagsüber per Solarzellen oder so aufladet ist es ok, aber für dieses Beispiel hier finde ich es nicht wirklich gut...
-
UnregisteredGuest
- Mega-User

- Beiträge: 113
- Registriert: Sa, 25.08.07, 20:39
Beim Innenwiderstand hat sich auch einiges getan.
200µOhm hört sich doch ganz brauchbar an.
Quelle http://www.elexs.de/supercap3.htmUltraCaps der Firma Epcos: Als ich die Seite mit den 10/20F Kondensatoren gelesen habe kam mir die Idee Ihnen da etwas zu schreiben. Vielleicht interessierts ja. Die UltraCaps gibts in eckiger und runder Bauform. Die Kapazitäten der eckigen sind: 100F ,120F, 600F, 1200F, 2700F. Der DC ESR bei der 2700F Zelle liegt bei 0,6 mR. Die Zellenspannung ist 2,3V. Mit einer Reihenschaltung von 6 solcher Zellen das die Spannung auf 13,8V kommt lässt sich ohne weiteres ein Auto starten.
Im Gegensatz dazu, eine rote LED (I~18mA) leuchtet etwa 25-30h an einer 2700F Zelle die auf 2,3V geladen ist. Das Spektrum der Rundzellen beginnt bei 200F, und endet (im Moment) bei 5000F. Die Zellenspannung wurde auf 2,5V erhöht. Die Innenwiderstände dieser Zellen sind noch weitaus niedriger als bei den Eckigen. (keine Wertangabe da das Ende noch nicht erreicht ist))) bei der runden 2700F im Moment bei ~200 µR ). Das Bauteil ist ein Doppelschichtkondensator, Anode und Kathode gleich aufgebaut. Es ist eine Polung angegeben, aber wenn die Spannung verpolt angelegt wird passiert nichts, außer dass die Selbstentladung bzw. der Reststrom wieder stark ansteigt. Das legt sich aber wieder sobald die ganzen Verunreinigungen, die sich trotz aller Sorgfalt im Elektrolyt befinden, sich an dem jeweiligen Pol abgesetzt haben. Solange diese Verunreinigungen auf der Reise durch das Bauteil sind ist der Reststrom höher. Nach einer Polaritätsänderung dauert es je nach Alter etwa 30h mit Nennspannung bis sich das ganze wieder beruhigt hat. Um diese Kapazität zu erreichen hat die aktive Oberfläche z.B. bei einer 2700F Zelle etwa die Größe eines Fußballfeldes, erreicht durch eine Kohlenstoffelektrode. Was das Thema Überspannung angeht, die sollte tunlichst vermieden werden. Das Elektrolyt beginnt sich zu zersetzen, im Bauteil baut sich Überdruck auf. Selbiger öffnet dann die Sollbruchstelle und das Bauteil ist im Nirwana
200µOhm hört sich doch ganz brauchbar an.
- _nabla
- Hyper-User

- Beiträge: 1171
- Registriert: So, 30.07.06, 13:16
- Wohnort: Gießen*Dortmund
- Kontaktdaten:
Haaallo?
Is doch irgendwie nich ganz Thema, oder?
Fazit meines persönlichen Tests: Mit Goldcap geht...bringt aber nich viel.
Was ich grad viel mehr interessiert ist, ob ich die 2200µ auch durch 470µ ersetzen kann...die sind nämlich zu groß...
Fazit meines persönlichen Tests: Mit Goldcap geht...bringt aber nich viel.
Was ich grad viel mehr interessiert ist, ob ich die 2200µ auch durch 470µ ersetzen kann...die sind nämlich zu groß...
- _nabla
- Hyper-User

- Beiträge: 1171
- Registriert: So, 30.07.06, 13:16
- Wohnort: Gießen*Dortmund
- Kontaktdaten:
Nuja, der Platz ist ja das Hauptproblem. Wäre ja auch weniger Platz, einen 2200µ zu nehmen anstatt 5x 470µ. Aber von den 470µ hab ich noch einige relativ kleine hier (25V), die 2200er die ich hab sind so wahnsinns-Kübel mit ca. 60V.
- Sailor
- Moderator
- Beiträge: 9427
- Registriert: Di, 28.11.06, 22:16
- Wohnort: Saarland, Deutschland und die Welt
Manchmal lassen sich zwei kleinere halt besser unterbringen als ein etwas größeres Bauteil.
Je größer die gewählte Kapazität ist, desto länger ist das Nachleuchten der LED´s und desto geringer wird ein Flackern bei geringeren Geschwindigkeiten.
Je größer die gewählte Kapazität ist, desto länger ist das Nachleuchten der LED´s und desto geringer wird ein Flackern bei geringeren Geschwindigkeiten.
Goldcaps für hohe Ströme?
Das stimmt leider nicht ganz , die Goldkap die in man kaufen kann, bei Conrad ec.
dürfen nur mit kleinen Strömen belastet werden. Nur mal in´s Datenblatt sehen.
Ich bin schon damit reingefallen, sollten 30mA liefern. Das ging ein Jahr gut
dann waren die so hochohmig und lieferten die 30mA nicht mehr.
Es gibt aber Goldkaps die hohe Ströme können, leider sind die sehr teuer und nicht zu
haben beim Elektronikhandel.
PS. Conrad hatte sogar mal welche von 10 + 50F von EPCOS
sind aber nicht mehr im Programm?
Das stimmt leider nicht ganz , die Goldkap die in man kaufen kann, bei Conrad ec.
dürfen nur mit kleinen Strömen belastet werden. Nur mal in´s Datenblatt sehen.
Ich bin schon damit reingefallen, sollten 30mA liefern. Das ging ein Jahr gut
dann waren die so hochohmig und lieferten die 30mA nicht mehr.
Es gibt aber Goldkaps die hohe Ströme können, leider sind die sehr teuer und nicht zu
haben beim Elektronikhandel.
PS. Conrad hatte sogar mal welche von 10 + 50F von EPCOS
sind aber nicht mehr im Programm?
- Sailor
- Moderator
- Beiträge: 9427
- Registriert: Di, 28.11.06, 22:16
- Wohnort: Saarland, Deutschland und die Welt
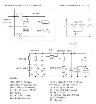
Jetzt möchte ich doch mal die Schaltung vorstellen, die ich als die für den Stadtbereich ideale Schaltung ansehe:
(anklicken der Schaltung vergrößert das Bild)
Ziel ist es eine Schaltung aufzubauen, die folgende Funktionen bereitstellt:
- Front- und Hecklicht sind getrennt, der Ausfall eines Lichtes darf das andere nicht zerstören.
- Die Beleuchtung soll bei kurzen Stopps die Erkennbarkeit des Fahrzeugs sicherstellen
- Bremsen soll wie im KFZ durch erkennbar helleres Leuchten der Heckleuchte angezeigt werden.
Zu Beachten:
Die Beleuchtung ist in Deutschland nicht für den Straßenverkehr zugelassen (aber sicherer als zugelassene).
Der Dynamo wurde nicht verändert. Wenn die dort eingebauten Zenerdioden entfernt werden, dürfte der Gesamtstrom in Richtung 500 mA steigen und die Spannung dürfte auch für eine dritte P4 ausreichen.
Zwei oder mehr Gold-Caps parallel erhöhen die Nachleuchtdauer.
Zur Erklärung:
Der Schalter S1 soll das Standlicht ausschalten, wenn das Fahrrad abgestellt wird. Ohne diesen Schalter leuchtet die Anlage bei 1 F Gold-Cap etwa 2 bis 3 Minuten nach. Die Nachleuchtdauer ist natürlich abhängig von den konkret gewählten Bauteilen.
Der Schalter S2 ist ein Microschalter im Handbremsgriff (Typen mit Metallbügel sind einfach zu justieren). Er brückt beim Bremsen den Widerstand R 5, so dass durch die LED´s im Rücklicht ein höherer Strom fließen kann. Dieser zusätzliche Strom wird durch den Gold-Cap geliefert und belastet daher zunächst nicht den Stromkreislauf der Stromquelle Dynamo.
Die Diode D8 soll die Spannung auf etwa 5,5 Volt einstellen. Hier ist zu messen, ob ggf. mehrere Dioden in Reihe geschaltet werden müssen. Diese Messung sollte ohne eingebauten Gold-Cap geschehen. Damit soll verhindert werden, dass die Zenerdiode D 3 unnötig durchschaltet, weil deren Durchschalten dem System Strom entnimmt, der dann dem Frontlicht nicht mehr zur Verfügung steht. Sie dient in erster Linie dem Schutz der Schaltung bei Ausfall des Frontlichtes.
Die LED´s 3 und 4 übernehmen die Standlichtfunktion für das Frontlicht, da die Leistungs-LED´s nicht ausreichend gepuffert sind. Diese Funktion ist vergleichbar mit dem Standlicht beim Auto: man wird noch gesehen, ohne selbst einen aktiven Scheinwerfer zu haben. Der dazugehörige R 1 hat nur eine "Alibifunktion" und kann auch wegbleiben. Wem die zwei Superfluxe bei der Unterspannung zu schwach sind, kann natürlich auch nur eine mit entsprechendem Widerstand (180 Ohm bis 270 Ohm) nehmen.
Nachteil der Schaltung: Es müssen 2 Leitungen zum Rücklicht gelegt werden. Der Rahmen darf nicht benutzt werden.
... auch wenn ich es oben in der Schaltung anders geschrieben habe: Es sind Goldkappen (Gold-Caps) und keine kalten Kappen (Cold-Caps).
(anklicken der Schaltung vergrößert das Bild)
Ziel ist es eine Schaltung aufzubauen, die folgende Funktionen bereitstellt:
- Front- und Hecklicht sind getrennt, der Ausfall eines Lichtes darf das andere nicht zerstören.
- Die Beleuchtung soll bei kurzen Stopps die Erkennbarkeit des Fahrzeugs sicherstellen
- Bremsen soll wie im KFZ durch erkennbar helleres Leuchten der Heckleuchte angezeigt werden.
Zu Beachten:
Die Beleuchtung ist in Deutschland nicht für den Straßenverkehr zugelassen (aber sicherer als zugelassene).
Der Dynamo wurde nicht verändert. Wenn die dort eingebauten Zenerdioden entfernt werden, dürfte der Gesamtstrom in Richtung 500 mA steigen und die Spannung dürfte auch für eine dritte P4 ausreichen.
Zwei oder mehr Gold-Caps parallel erhöhen die Nachleuchtdauer.
Zur Erklärung:
Der Schalter S1 soll das Standlicht ausschalten, wenn das Fahrrad abgestellt wird. Ohne diesen Schalter leuchtet die Anlage bei 1 F Gold-Cap etwa 2 bis 3 Minuten nach. Die Nachleuchtdauer ist natürlich abhängig von den konkret gewählten Bauteilen.
Der Schalter S2 ist ein Microschalter im Handbremsgriff (Typen mit Metallbügel sind einfach zu justieren). Er brückt beim Bremsen den Widerstand R 5, so dass durch die LED´s im Rücklicht ein höherer Strom fließen kann. Dieser zusätzliche Strom wird durch den Gold-Cap geliefert und belastet daher zunächst nicht den Stromkreislauf der Stromquelle Dynamo.
Die Diode D8 soll die Spannung auf etwa 5,5 Volt einstellen. Hier ist zu messen, ob ggf. mehrere Dioden in Reihe geschaltet werden müssen. Diese Messung sollte ohne eingebauten Gold-Cap geschehen. Damit soll verhindert werden, dass die Zenerdiode D 3 unnötig durchschaltet, weil deren Durchschalten dem System Strom entnimmt, der dann dem Frontlicht nicht mehr zur Verfügung steht. Sie dient in erster Linie dem Schutz der Schaltung bei Ausfall des Frontlichtes.
Die LED´s 3 und 4 übernehmen die Standlichtfunktion für das Frontlicht, da die Leistungs-LED´s nicht ausreichend gepuffert sind. Diese Funktion ist vergleichbar mit dem Standlicht beim Auto: man wird noch gesehen, ohne selbst einen aktiven Scheinwerfer zu haben. Der dazugehörige R 1 hat nur eine "Alibifunktion" und kann auch wegbleiben. Wem die zwei Superfluxe bei der Unterspannung zu schwach sind, kann natürlich auch nur eine mit entsprechendem Widerstand (180 Ohm bis 270 Ohm) nehmen.
Nachteil der Schaltung: Es müssen 2 Leitungen zum Rücklicht gelegt werden. Der Rahmen darf nicht benutzt werden.
... auch wenn ich es oben in der Schaltung anders geschrieben habe: Es sind Goldkappen (Gold-Caps) und keine kalten Kappen (Cold-Caps).
- _nabla
- Hyper-User

- Beiträge: 1171
- Registriert: So, 30.07.06, 13:16
- Wohnort: Gießen*Dortmund
- Kontaktdaten:
Uiuiui, da haste dir aber was echt kreatives ausgedacht
Gefällt mir, vor allem mit dem Bremslicht.
Habs leider jetzt erst gesehn, da ich immernoch keine Email-Benachrichtigungen bekomme.
Wenn ich jedoch ein einfaches Licht aufbauen möchte reicht es doch, eventuelle Rücklicht-LEDs mit passendem Vorwiderstand parallel zur P4 zu schalten?!? Der GLR wäre in diesem Falle ja doppelt gemoppelt...
Habs leider jetzt erst gesehn, da ich immernoch keine Email-Benachrichtigungen bekomme.
Wenn ich jedoch ein einfaches Licht aufbauen möchte reicht es doch, eventuelle Rücklicht-LEDs mit passendem Vorwiderstand parallel zur P4 zu schalten?!? Der GLR wäre in diesem Falle ja doppelt gemoppelt...
- Sailor
- Moderator
- Beiträge: 9427
- Registriert: Di, 28.11.06, 22:16
- Wohnort: Saarland, Deutschland und die Welt
Das reicht solange, wie das System stabil läuft. Wenn das Frontlicht dann aber eine Unterbrechung bekommt, sind die Heck-LED´s auch hin, weil der komplette Strom durch diese LED´s gedrückt wird.
Mit dieser Schaltungsvariante würde ich die Schutzschaltung benutzen, die Stefan Haug gewählt hat.
Mit meiner Variante habe ich versucht, möglichst viel des vom Dynamo kommenden Stromes an das Frontlicht zu geben und die Spannung mit den 2 P4 auch optimal zu nutzen. Bei 3 P4 dürfte der Innenwiderstand der LED´s dazu führen, dass mehr Strom zum Hecklicht geführt wird und daher das Frontlicht trotz zusätzlicher LED nicht mehr so hell ist. Es sei denn, Du nimmst die "Kastrations-" Zenerdioden aus dem Dynamo.
Zum Ausbalancieren der Schaltung solltest Du evtl. 1 oder 2 Dioden in die Leitung zum Hecklicht hin vorsehen.
Je nach konkret gewählten Bauteilen könnten diese Dioden dazu führen, dass das Frontlicht deutlich heller wird, ohne dass das Hecklicht entscheidend geschwächt wird. Das müsstest Du nach den von Dir benutzten Bauteilen austesten.
Mit dieser Schaltungsvariante würde ich die Schutzschaltung benutzen, die Stefan Haug gewählt hat.
Mit meiner Variante habe ich versucht, möglichst viel des vom Dynamo kommenden Stromes an das Frontlicht zu geben und die Spannung mit den 2 P4 auch optimal zu nutzen. Bei 3 P4 dürfte der Innenwiderstand der LED´s dazu führen, dass mehr Strom zum Hecklicht geführt wird und daher das Frontlicht trotz zusätzlicher LED nicht mehr so hell ist. Es sei denn, Du nimmst die "Kastrations-" Zenerdioden aus dem Dynamo.
Zum Ausbalancieren der Schaltung solltest Du evtl. 1 oder 2 Dioden in die Leitung zum Hecklicht hin vorsehen.
Je nach konkret gewählten Bauteilen könnten diese Dioden dazu führen, dass das Frontlicht deutlich heller wird, ohne dass das Hecklicht entscheidend geschwächt wird. Das müsstest Du nach den von Dir benutzten Bauteilen austesten.
- Sailor
- Moderator
- Beiträge: 9427
- Registriert: Di, 28.11.06, 22:16
- Wohnort: Saarland, Deutschland und die Welt
Ja, das geht so. Versprich Dir aber nicht so viel von der Verzögerung. Gold-Caps kannst Du dort nicht einsetzen, weil sie nur 5,5 Volt abkönnen. Wenn Du allerdings die Diode nach vorne ins Licht setzt, kannst Du evtl. dort auch noch einen Elko unterbringen, der nur auf die Beleuchtung hinten wirkt.
Im Frontlicht kannst Du 2 P4 in Reihe unterbringen. Bei den Spannungs- und vor allem Stromverhältnissen müssten die dann auch die doppelte Lichtleistung bringen.
Bei all Deinen Überlegungen musst Du halt insofern umdenken, als die Spannungsverhältnisse nur eine untergeordnete Rolle spielen. Maßgebend ist die Stromverteilung.
Edit:
Da fällt mir folgende Lösung zum Einsatz der Gold-Caps ein:
Schalte sie einfach parallel zu den LED´s. Wenn es ein 2,5 Volt Gold-Cap ist, parallel zu einer, ein 5,5 Volt parallel zu beiden LED´s (aber den Widerstand außenvor lassen).
Der Goldcap kann sich maximal bis zur Spannung über den LED´s aufladen. Aufgrund der Widerstandsverhältnisse Gold-Cap/LED kommt es nicht zu einer schlagartigen Entladung.
Der Versuch wäre mir auch mal 2 LED´s wert!
Im Frontlicht kannst Du 2 P4 in Reihe unterbringen. Bei den Spannungs- und vor allem Stromverhältnissen müssten die dann auch die doppelte Lichtleistung bringen.
Bei all Deinen Überlegungen musst Du halt insofern umdenken, als die Spannungsverhältnisse nur eine untergeordnete Rolle spielen. Maßgebend ist die Stromverteilung.
Edit:
Da fällt mir folgende Lösung zum Einsatz der Gold-Caps ein:
Schalte sie einfach parallel zu den LED´s. Wenn es ein 2,5 Volt Gold-Cap ist, parallel zu einer, ein 5,5 Volt parallel zu beiden LED´s (aber den Widerstand außenvor lassen).
Der Goldcap kann sich maximal bis zur Spannung über den LED´s aufladen. Aufgrund der Widerstandsverhältnisse Gold-Cap/LED kommt es nicht zu einer schlagartigen Entladung.
Der Versuch wäre mir auch mal 2 LED´s wert!
- _nabla
- Hyper-User

- Beiträge: 1171
- Registriert: So, 30.07.06, 13:16
- Wohnort: Gießen*Dortmund
- Kontaktdaten:
Ne, Goldcaps möchte ich dort auch nicht einsetzen (hab den bei meinen eltern gelassen - da liegt er gut und geht nich kaputt
). ich möchte ~ 10 Sek. Verzögerung haben...mal sehn, wieviel ich da brauche. Es geht mir nur darum, dass die P4 mir zu viel Strom zieht und somit die Kondensatoren für die suflux entleert, das soll die diode verhindern...
EDIT:
achja, was meinst du mit "die diode vorne ins licht setzen"?
und 2 P4 LEDs kann ich nicht verbauen, da ich das ganze in eine vorhandene Lampe einbaue
EDIT2:
Diese hier in schön gebaut: viewtopic.php?f=31&t=2338&hilit=+fahrrad
EDIT:
achja, was meinst du mit "die diode vorne ins licht setzen"?
und 2 P4 LEDs kann ich nicht verbauen, da ich das ganze in eine vorhandene Lampe einbaue
EDIT2:
Diese hier in schön gebaut: viewtopic.php?f=31&t=2338&hilit=+fahrrad
Zuletzt geändert von _nabla am So, 07.10.07, 19:40, insgesamt 2-mal geändert.
Eine kurze anmerkung zu Ultracaps...
erstmal sind das sehr interessante bauteile die beachtliche leistungen bringen. ich habe hier ein 450F, 14V modul von Epcos und es ist schon beachtlich was hier an strömen rein und raus kann...
Zum Thema der Beschaffung würde ich es bei den distributeuren versuchen! beispieslweise Beckmann Elektronik. Normal liefern Distributeure zwar nicht an Privatkunden, aber vll lässt sich mit einem netten gespräch was machen.
Ultracaps sind noch relativ unbekannt und benötigen für einen besser gefächerten einsatz durchaus noch Werbung. Bis jetzt sind sie fast auschließlich in der hochleistungstechnik.
Die kleineren Module sind aber beispielsweise für solche farradlampen durchaus sehr interessant.
Und wegen strombelastung brauch man sich absolut keine sorgen machen... ausgelegt sind die module für 400A belastung. kurzzeitig fließen hier aber noch um längen höhere ströme.
Um eine LED bzw einen stack auf beispielsweise 2A zu puffern sind die ideal.
Vorrausgesetzt man benötigt es und ist bereit den entsprechenden Preis für diesen luxus zu bezahlen.
Preise kann ich leider keine mehr sagen... schon zu lange her, dass ich die angefragt hab. Weiß nurnoch das mein modul um die 1600€ gekostet hätte... kleine module mit vll 600F und 2,5V dürften im bereich von 10-20€ liegen (keine garantie drauf). Ich meine es wäre noch im bezahlbaren rahmen gewesen.
Gruß, Max
erstmal sind das sehr interessante bauteile die beachtliche leistungen bringen. ich habe hier ein 450F, 14V modul von Epcos und es ist schon beachtlich was hier an strömen rein und raus kann...
Zum Thema der Beschaffung würde ich es bei den distributeuren versuchen! beispieslweise Beckmann Elektronik. Normal liefern Distributeure zwar nicht an Privatkunden, aber vll lässt sich mit einem netten gespräch was machen.
Ultracaps sind noch relativ unbekannt und benötigen für einen besser gefächerten einsatz durchaus noch Werbung. Bis jetzt sind sie fast auschließlich in der hochleistungstechnik.
Die kleineren Module sind aber beispielsweise für solche farradlampen durchaus sehr interessant.
Und wegen strombelastung brauch man sich absolut keine sorgen machen... ausgelegt sind die module für 400A belastung. kurzzeitig fließen hier aber noch um längen höhere ströme.
Um eine LED bzw einen stack auf beispielsweise 2A zu puffern sind die ideal.
Vorrausgesetzt man benötigt es und ist bereit den entsprechenden Preis für diesen luxus zu bezahlen.
Preise kann ich leider keine mehr sagen... schon zu lange her, dass ich die angefragt hab. Weiß nurnoch das mein modul um die 1600€ gekostet hätte... kleine module mit vll 600F und 2,5V dürften im bereich von 10-20€ liegen (keine garantie drauf). Ich meine es wäre noch im bezahlbaren rahmen gewesen.
Gruß, Max
- Sailor
- Moderator
- Beiträge: 9427
- Registriert: Di, 28.11.06, 22:16
- Wohnort: Saarland, Deutschland und die Welt
@skunk: Du musst je ohnehin zwei Leitungen von der Lampe vorne zur Heckleuchte legen. Wo die Diode in der einen Leitung nun räumlich sitzt, in der Front- oder in der Heckleuchte, ist egal.
Wenn die Diode aber in der Frontleuchte sitzt, hast Du vielleicht dort auch den Platz für einen weiteren Elko (Elkos parallel geschaltet gibt eine größere Kapazität).
@Nox: Jetzt machst Du mich aber neugierig. Da werde ich mich wohl weiterbilden müssen!
Wenn Du ein paar Adressen mit Datenblättern hättest, wäre ich Dir dankbar.
Die paar Tage, die ich mich jetzt mit den Dingern auseindersetze lassen mich immer mehr zum Schluss kommen, dass sie gut als Zwischenspeicher geeignet sind. Im Fahrradbereich mit Dynamobetrieb jedenfalls besser als Akkus, um beim Thema hier zu bleiben.
Wenn die Diode aber in der Frontleuchte sitzt, hast Du vielleicht dort auch den Platz für einen weiteren Elko (Elkos parallel geschaltet gibt eine größere Kapazität).
@Nox: Jetzt machst Du mich aber neugierig. Da werde ich mich wohl weiterbilden müssen!
Wenn Du ein paar Adressen mit Datenblättern hättest, wäre ich Dir dankbar.
Die paar Tage, die ich mich jetzt mit den Dingern auseindersetze lassen mich immer mehr zum Schluss kommen, dass sie gut als Zwischenspeicher geeignet sind. Im Fahrradbereich mit Dynamobetrieb jedenfalls besser als Akkus, um beim Thema hier zu bleiben.
Die Datenblätter (abgespeckte versionen) kannst du bei Epcos bzw den distributeuren einsehen oder notfalls anfordern.. aber ich meine mich zu erinnern, dass die kompletten datenblätter frei zugänglich wären. Epcos stellt da ja eigentlich recht großzügig zur verfügung. Hat man eigentlich nie probleme an Datenblätter zu kommen.
Der einzige Nachteil liegt in der spannungs-empfindlichkeit. Aber der ist eigentlich leicht zu handhaben.
Jeh nach größe der caps sollte man aber dringlichst beachten, dass es sich hier nicht um akkus, sondern kondensatoren handelt. soll heißen die lade und endladekurven sind gleich! Und das heißt viel strom im kurzschluss bzw ungeregelten laden. es darf bis 400A dauerhaft geladen UND endladen werden (bei meinem modul.. das ist aber auch nur eine serienschaltung).
Aber ich durfte eben schon diverse erfahrungen machen, was es heißt die dinger zu laden... mein 3A Labornetzteil hat er in die knie gezwungen, einen 35A gleichrichter zerschossen. in einer provisorischen PWM-ladestufe flossen über 400A peak (da sind die leitungen dahin geschmolzen). Die letzte ladeschaltung war eine manuelle regelung mit stelltrafo + 24V-trafo. geladen hab ich konstant mit ca 10A. Hat selbst damit ne ganze ecke gedauert bis er voll war. Und das entladen ist auch recht spaßig. wenn 16mm² kabel heiß wird und die funken fliegen macht elektronik spaß XD
taugt einwandfrei zum schweißen oder ausbrennen.
Auch wenn die module für das fahrrad um längen kleiner sein werden, ist die lade und entlade-charakteristik gleich! der ESR ist winzig.
Zum laden sollte man sich also schon etwas überlegen. ich denke da ist ein ladewiderstand das beste bzw einfachste... und da es ja nicht nur stop &go ist, sollten die längeren ladezeiten und der verlust akzeptabel sein. PWM geht zwar auch, erfordert aber etwas mehr aufwand.
Gruß, Max
Der einzige Nachteil liegt in der spannungs-empfindlichkeit. Aber der ist eigentlich leicht zu handhaben.
Jeh nach größe der caps sollte man aber dringlichst beachten, dass es sich hier nicht um akkus, sondern kondensatoren handelt. soll heißen die lade und endladekurven sind gleich! Und das heißt viel strom im kurzschluss bzw ungeregelten laden. es darf bis 400A dauerhaft geladen UND endladen werden (bei meinem modul.. das ist aber auch nur eine serienschaltung).
Aber ich durfte eben schon diverse erfahrungen machen, was es heißt die dinger zu laden... mein 3A Labornetzteil hat er in die knie gezwungen, einen 35A gleichrichter zerschossen. in einer provisorischen PWM-ladestufe flossen über 400A peak (da sind die leitungen dahin geschmolzen). Die letzte ladeschaltung war eine manuelle regelung mit stelltrafo + 24V-trafo. geladen hab ich konstant mit ca 10A. Hat selbst damit ne ganze ecke gedauert bis er voll war. Und das entladen ist auch recht spaßig. wenn 16mm² kabel heiß wird und die funken fliegen macht elektronik spaß XD
taugt einwandfrei zum schweißen oder ausbrennen.
Auch wenn die module für das fahrrad um längen kleiner sein werden, ist die lade und entlade-charakteristik gleich! der ESR ist winzig.
Zum laden sollte man sich also schon etwas überlegen. ich denke da ist ein ladewiderstand das beste bzw einfachste... und da es ja nicht nur stop &go ist, sollten die längeren ladezeiten und der verlust akzeptabel sein. PWM geht zwar auch, erfordert aber etwas mehr aufwand.
Gruß, Max
- Muenchner1968
- User

- Beiträge: 42
- Registriert: Di, 18.09.07, 15:27
- Wohnort: München
Hallo zusammen
Es ist durchaus machbar ein Fahrradstandlicht mit einem Gold-Cap ( 1F 5,5V) zu betreiben.
Die Energie reicht aus um eine 5mm-Led einige Minuten mit nominellem Strom (20mA) zu versorgen.
Das Betreiben von mehreren Led´s ist nicht sinnvoll, da die Energie beschränkt ist und somit auch die Nachleuchtzeit stark abnimmt.
Ich habe mal einen von mir entwickelten Schaltplan angehängt, nach dem ich mein Standlicht entwickelt und gebaut habe.
Der Plan sieht zwar umfangreich aus, hat aber mehrere Vorteile:
Überspannungssicher durch die bipolare Eingangsdiode (Spannungsbegrenzung ab ca. 15V, Polung der Diode egal, da sie in beiden Richtungen gleich wirkt)
Konstante Helligkeit der drei Rücklicht-Led´s ab ca. 9km/h, egal wie schnell man fährt
Stromverbrauch ca. 27mA (nach geladenem Gold-Cap, unabhängig wie hoch die Spannung ist)
Spannungs- und Strombegrenzung beim Laden des Gold-Cap Kondensators
Automatische Umschaltung auf Standlicht-Led bei Stand bzw. bei Geschwindigkeit unter ca. 9km/h
Und ganz vorteilhaft
Abschaltung der Standlicht-Led im normalen Fahrbetrieb (um ein vielfaches effektiver bzw stromsparender)
Mein Frontlicht besteht aus drei in Reihe geschalteten Seoul P4-Led´s betrieben mit einem Mosfet-gleichrichter.
Im Frontlicht ist zusätzlich die gleiche Standlichtschaltung wie im Rücklicht drin, nur mit anderer Dimensionierung der Bauteile und Led´s.
Die gesamte Lichtanlage wird an einem ganz normalen Seitenläufer betrieben. (ohne Spannungsbegrenzung, billigste Bauart)
Die Leichtausbeute ist kein Vergleich zu einer normalen Glühlampenbeleuchtung.
Wenn man diesen Licht gesehen hat will man nie mehr ein anderes.
Es ist durchaus machbar ein Fahrradstandlicht mit einem Gold-Cap ( 1F 5,5V) zu betreiben.
Die Energie reicht aus um eine 5mm-Led einige Minuten mit nominellem Strom (20mA) zu versorgen.
Das Betreiben von mehreren Led´s ist nicht sinnvoll, da die Energie beschränkt ist und somit auch die Nachleuchtzeit stark abnimmt.
Ich habe mal einen von mir entwickelten Schaltplan angehängt, nach dem ich mein Standlicht entwickelt und gebaut habe.
Der Plan sieht zwar umfangreich aus, hat aber mehrere Vorteile:
Überspannungssicher durch die bipolare Eingangsdiode (Spannungsbegrenzung ab ca. 15V, Polung der Diode egal, da sie in beiden Richtungen gleich wirkt)
Konstante Helligkeit der drei Rücklicht-Led´s ab ca. 9km/h, egal wie schnell man fährt
Stromverbrauch ca. 27mA (nach geladenem Gold-Cap, unabhängig wie hoch die Spannung ist)
Spannungs- und Strombegrenzung beim Laden des Gold-Cap Kondensators
Automatische Umschaltung auf Standlicht-Led bei Stand bzw. bei Geschwindigkeit unter ca. 9km/h
Und ganz vorteilhaft
Mein Frontlicht besteht aus drei in Reihe geschalteten Seoul P4-Led´s betrieben mit einem Mosfet-gleichrichter.
Im Frontlicht ist zusätzlich die gleiche Standlichtschaltung wie im Rücklicht drin, nur mit anderer Dimensionierung der Bauteile und Led´s.
Die gesamte Lichtanlage wird an einem ganz normalen Seitenläufer betrieben. (ohne Spannungsbegrenzung, billigste Bauart)
Die Leichtausbeute ist kein Vergleich zu einer normalen Glühlampenbeleuchtung.
Wenn man diesen Licht gesehen hat will man nie mehr ein anderes.
- _nabla
- Hyper-User

- Beiträge: 1171
- Registriert: So, 30.07.06, 13:16
- Wohnort: Gießen*Dortmund
- Kontaktdaten:
interessant ist das wirklich.
ich hab mir das aber so ausgesucht, da ich gerne eine beleuchtung OHNE schalter hätte. deshalb fänd ich ein standlicht, welches noch 5min nachleuchtet, ungünstig.
platz hab ich neuerdings auch genug, zu mindest für dioden. Hab ungefähr das volumen einer kippenschachtel platz.
wenn du die 1N4007 im plan meinst, die käme mit auf die platine...und die 940µF sind ja schon 2 Elkos parallel...für mehr wird der platz wirklich eng...
ich hab mir das aber so ausgesucht, da ich gerne eine beleuchtung OHNE schalter hätte. deshalb fänd ich ein standlicht, welches noch 5min nachleuchtet, ungünstig.
platz hab ich neuerdings auch genug, zu mindest für dioden. Hab ungefähr das volumen einer kippenschachtel platz.
wenn du die 1N4007 im plan meinst, die käme mit auf die platine...und die 940µF sind ja schon 2 Elkos parallel...für mehr wird der platz wirklich eng...
Hört sich nett an!
Bei standlicht ging es aber wohl eher um höhere lasten wie das frontlicht oder rücklicht mit höherer leistung.
Beim rücklicht würde ich mir aber eh überlegen ob der betrieb am dynamo sinn macht. Bei sagen wir 3-6 5mm LED's, oder superflux hält das mit guten batterien eh ewig. lediglich die baugröße nimmt etwas zu. Allerdings könnte man dem mit dem einsatz von modernen lipos (beispielsweise handy-akkus) entgegenwirken. Vorteil ist hier auch die hohe spannung von 3,6V pro zelle. Für den betrieb eines rücklichtes reicht es auch vollkommen aus. Um einen frontstrahler mit sagen wir 1-4 P4 zu treiben sollte man unbedingt ein blick ins DS werfen!
Gruß, Max
Bei standlicht ging es aber wohl eher um höhere lasten wie das frontlicht oder rücklicht mit höherer leistung.
Beim rücklicht würde ich mir aber eh überlegen ob der betrieb am dynamo sinn macht. Bei sagen wir 3-6 5mm LED's, oder superflux hält das mit guten batterien eh ewig. lediglich die baugröße nimmt etwas zu. Allerdings könnte man dem mit dem einsatz von modernen lipos (beispielsweise handy-akkus) entgegenwirken. Vorteil ist hier auch die hohe spannung von 3,6V pro zelle. Für den betrieb eines rücklichtes reicht es auch vollkommen aus. Um einen frontstrahler mit sagen wir 1-4 P4 zu treiben sollte man unbedingt ein blick ins DS werfen!
Gruß, Max
- _nabla
- Hyper-User

- Beiträge: 1171
- Registriert: So, 30.07.06, 13:16
- Wohnort: Gießen*Dortmund
- Kontaktdaten:
klar...geht alles.
meine intention ist, ein fahrrad zu haben was wiefolgt funktioniert:
draufsetzen -> losfahren -> licht -> anhalten -> licht brennt ein paar sek nach.
ohne akkutausch, schalter oder dynamo an/aus. gibt ja sogar rücklichter zu kaufen, die den spannungsimpuls des dynamos nutzen um dann per batterie die beleuchtung für ne zeit "t" anzuschalten (nachtriggerbar
).
@max: was meinst du mit DS???
meine intention ist, ein fahrrad zu haben was wiefolgt funktioniert:
draufsetzen -> losfahren -> licht -> anhalten -> licht brennt ein paar sek nach.
ohne akkutausch, schalter oder dynamo an/aus. gibt ja sogar rücklichter zu kaufen, die den spannungsimpuls des dynamos nutzen um dann per batterie die beleuchtung für ne zeit "t" anzuschalten (nachtriggerbar
@max: was meinst du mit DS???
Sorry.. DS = Datasheet (Datenblatt)
Hab mir einige abkürzungen angewöhnt... Falls etwas nicht verstanden wird einfach kurz fragen... Versuche es aber zu vermeiden
will ja, dass mich jeder versteht (und hier sind ja noch mehr neulinge, die nicht so sehr mit abkürzungen (und dann noch "umgangssprachlichen" abkürzungen) bewandelt sind.
Aber wenn du komplett ohne schalter baust, leuchtet doch das licht auch tagsüber. Dann trittst du das ja noch für nix mit. Kostet doch alles kraft... Das ist auch der grund warum ich an meinem Fahrrad keinen dynamo hab (das für touren und so)..
Gruß, Max
Hab mir einige abkürzungen angewöhnt... Falls etwas nicht verstanden wird einfach kurz fragen... Versuche es aber zu vermeiden
Aber wenn du komplett ohne schalter baust, leuchtet doch das licht auch tagsüber. Dann trittst du das ja noch für nix mit. Kostet doch alles kraft... Das ist auch der grund warum ich an meinem Fahrrad keinen dynamo hab (das für touren und so)..
Gruß, Max
- _nabla
- Hyper-User

- Beiträge: 1171
- Registriert: So, 30.07.06, 13:16
- Wohnort: Gießen*Dortmund
- Kontaktdaten:
daher hab ich mir ja n nabendynamo gekauft...mit dem gehts echt leichter. ich fahre auch keine touren...isn city-rad
und wegen dem DS: bin eigentlich kein neuling...nenne das ganze aber immer datenblatt, daher hab ichs ned kapiert
und wegen dem DS: bin eigentlich kein neuling...nenne das ganze aber immer datenblatt, daher hab ichs ned kapiert
- Muenchner1968
- User

- Beiträge: 42
- Registriert: Di, 18.09.07, 15:27
- Wohnort: München
Halle Skunk
Gerade für ein Cityrad ist es aus meiner Sicht besser wenn man nichts am Rad machen muss und es immer funktioniert.
Deshalb habe ich auch eine Schaltung entwickelt, die absolut ohne Wartung und ohne Batterien und/oder Akkus auskommt.
Wer weiss denn schon immer ob die Akkus geladen sind oder ob die Batterien noch voll sind ?
Spätestens nach einer Standzeit von mehreren Monaten sieht es mit Akkus sehr schlecht aus.
Manche Tourenfahrer lehnen jede Art von Dynamo ab, aber für Wenigfahrer ist es immer noch sinnvoll.
Keine Schalter, keine Akkus, kein überflüssiger Kram- nur Einschalten und gut
Gerade für ein Cityrad ist es aus meiner Sicht besser wenn man nichts am Rad machen muss und es immer funktioniert.
Deshalb habe ich auch eine Schaltung entwickelt, die absolut ohne Wartung und ohne Batterien und/oder Akkus auskommt.
Wer weiss denn schon immer ob die Akkus geladen sind oder ob die Batterien noch voll sind ?
Spätestens nach einer Standzeit von mehreren Monaten sieht es mit Akkus sehr schlecht aus.
Manche Tourenfahrer lehnen jede Art von Dynamo ab, aber für Wenigfahrer ist es immer noch sinnvoll.
Keine Schalter, keine Akkus, kein überflüssiger Kram- nur Einschalten und gut
- _nabla
- Hyper-User

- Beiträge: 1171
- Registriert: So, 30.07.06, 13:16
- Wohnort: Gießen*Dortmund
- Kontaktdaten:
Okay, heute konnte ich das ganze endlich mal ausprobieren.
Folgendermaßen siehts aus.
2 LEDs in Reihe geht bei der led-treiber schaltung nicht, da die Spannung dafür zu niedrig ist. Die P4, als auch 4 rote Suflux hinten leuchten schon recht hell beim drehen mit der Hand, wie sich das ganze auf der Straße macht muss ich gleich mal testen...
Also: Bisher gut
Folgendermaßen siehts aus.
2 LEDs in Reihe geht bei der led-treiber schaltung nicht, da die Spannung dafür zu niedrig ist. Die P4, als auch 4 rote Suflux hinten leuchten schon recht hell beim drehen mit der Hand, wie sich das ganze auf der Straße macht muss ich gleich mal testen...
Also: Bisher gut

