Ambilight
Moderator: T.Hoffmann
Hallo zusammen,
ich habe in den letzten Tagen viel gelesen und gesucht.
Nun möchte ich mich doch mehr mit dem ambilight beschäftigen, sprich nachbauen.
Also habe ich mit für eine Schaltung wie hier beschrieben entschieden.
Liegt daran, dass ich die Umsetzung mit dem Sync und der PWM besser verstanden habe.
Leider habe ich von den Atmegas bzw µc noch keine Ahnung, was sich aber ändern soll.
Hab ich das nun richtig verstanden, dass ich für 3 LED-Leisten nun 9 PWM-Kanäle beim AVR brauche?!
Ich würde da 3 ATmega8 nehmen,oder?
Welchen habt ihr genommen? Auf der Herstellerseite gibt es so viele Unterschiedliche mit (für mich) doch viel unübersichtlicher Information.
Es ist doch nun so, dass eine komplette Leiste die gleiche Farbe darstellt.
Zu der Schaltung:
Was bedeutet eigentl z.B. 1/3 oder 1/4 vor den OPs?
Viele Grüße
tuborger
ich habe in den letzten Tagen viel gelesen und gesucht.
Nun möchte ich mich doch mehr mit dem ambilight beschäftigen, sprich nachbauen.
Also habe ich mit für eine Schaltung wie hier beschrieben entschieden.
Liegt daran, dass ich die Umsetzung mit dem Sync und der PWM besser verstanden habe.
Leider habe ich von den Atmegas bzw µc noch keine Ahnung, was sich aber ändern soll.
Hab ich das nun richtig verstanden, dass ich für 3 LED-Leisten nun 9 PWM-Kanäle beim AVR brauche?!
Ich würde da 3 ATmega8 nehmen,oder?
Welchen habt ihr genommen? Auf der Herstellerseite gibt es so viele Unterschiedliche mit (für mich) doch viel unübersichtlicher Information.
Es ist doch nun so, dass eine komplette Leiste die gleiche Farbe darstellt.
Zu der Schaltung:
Was bedeutet eigentl z.B. 1/3 oder 1/4 vor den OPs?
Viele Grüße
tuborger
Hallo Tuborger,
bei den PWM-Kanälen ist das so: wenn du die 3 RGB-Leisten unabhägig voneinander steuern willst, dann brauchst du 9 PWM-Kanäle (jeweils 3 Kanäle pro unabhängiger RGB-Farbdarstellung). ATmegas gibt's fast schon eine unübersichtliche Anzahl. Ein ATmega 88 bzw. 168 (verbesserte Nachfolger vom ATmega 8 ) hat 6 Hardware-PWM-Kanäle, während ein ATmega 8 deren 3 hat. Trotzdem würde ich die Schaltung in diesem Fall eher mit 3 ATmega 8 aufbauen, da es softwaretechnisch von Vorteil ist, wenn jeder ATmega nur für einen Bild-Erfassungsbereich zuständig ist. Allerdings brauchst du dann von der Signalaufbereitungsschaltung auch 9 Einheiten (je eine pro Farbe und Bild-Erfassungsbereich). Jeweils eine Farbe des RGB-Einganges kannst du dann parallel auf drei einzelne Video-Verstärker-Eingänge (LT6554) führen, wobei du aber den 75Ohm-Widerstand am Eingang nur jeweils einfach nehmen solltest (das Signal erst nach dem Widerstand auf die 3 Verstärker verteilen).
Du kannst an den PWM-Ausgängen eines ATmega praktisch so viele LEDs oder Leisten parallel anhängen, wie dein lichthungriges Herz begehrt
, wenn du an den Ausgängen Power-MOSFETs zum Schalten verwendest.
Die Bruchzahl-Angaben in der Schaltung beziehen sich jeweils auf die verwendete und dargestellte Einheit eines ICs mit mehreren baugleichen Funktionseinheiten. Z.Bsp. hat ein LMC6484 vier baugleiche Operationsverstärker-Einheiten auf dem Chip, ein LT6554 besteht aus drei baugleichen Videoverstärker-Einheiten. In der Schaltung werden aber nur die gerade für diesen Schaltungsteil verwendeten Einheiten dargestellt und nicht das IC insgesamt, deshalb die Bruchzahlen. Das ist übrigens ein häufig angewendetes Standard-Darstellungsverfahren im Schaltungsentwurf.
Gruss
Neni
bei den PWM-Kanälen ist das so: wenn du die 3 RGB-Leisten unabhägig voneinander steuern willst, dann brauchst du 9 PWM-Kanäle (jeweils 3 Kanäle pro unabhängiger RGB-Farbdarstellung). ATmegas gibt's fast schon eine unübersichtliche Anzahl. Ein ATmega 88 bzw. 168 (verbesserte Nachfolger vom ATmega 8 ) hat 6 Hardware-PWM-Kanäle, während ein ATmega 8 deren 3 hat. Trotzdem würde ich die Schaltung in diesem Fall eher mit 3 ATmega 8 aufbauen, da es softwaretechnisch von Vorteil ist, wenn jeder ATmega nur für einen Bild-Erfassungsbereich zuständig ist. Allerdings brauchst du dann von der Signalaufbereitungsschaltung auch 9 Einheiten (je eine pro Farbe und Bild-Erfassungsbereich). Jeweils eine Farbe des RGB-Einganges kannst du dann parallel auf drei einzelne Video-Verstärker-Eingänge (LT6554) führen, wobei du aber den 75Ohm-Widerstand am Eingang nur jeweils einfach nehmen solltest (das Signal erst nach dem Widerstand auf die 3 Verstärker verteilen).
Du kannst an den PWM-Ausgängen eines ATmega praktisch so viele LEDs oder Leisten parallel anhängen, wie dein lichthungriges Herz begehrt
Die Bruchzahl-Angaben in der Schaltung beziehen sich jeweils auf die verwendete und dargestellte Einheit eines ICs mit mehreren baugleichen Funktionseinheiten. Z.Bsp. hat ein LMC6484 vier baugleiche Operationsverstärker-Einheiten auf dem Chip, ein LT6554 besteht aus drei baugleichen Videoverstärker-Einheiten. In der Schaltung werden aber nur die gerade für diesen Schaltungsteil verwendeten Einheiten dargestellt und nicht das IC insgesamt, deshalb die Bruchzahlen. Das ist übrigens ein häufig angewendetes Standard-Darstellungsverfahren im Schaltungsentwurf.
Gruss
Neni
Hi Neni,
so wie Du die Software beschrieben hast, wollte ich das auch machen
. Ich werde aber wahrscheinlich keinen LM1881 nehmen, da der ja theoretisch kein HSync ausgibt. Dieser gibt nur Vsync und Csync aus. Das ganze werde ich aber sobald ich mein Oszilloskop habe testen. Am besten geeignet wäre ein GS4981. Der hat Vsync und Hsync ausgang.
mfg Kay
so wie Du die Software beschrieben hast, wollte ich das auch machen
mfg Kay
Hi Neni,
hätte mal ne Frage zu Max312 und hoffe, Du kannst mir helfen.
Also, der Max312 hat am Ausgang einen RLoad. Sehe ich das richtig, das ohne diesen RLoad nicht "durchgeschalten" wird und der RLoad in der Ambilight Version 75 Ohm haben muss ?
mfg Kay
hätte mal ne Frage zu Max312 und hoffe, Du kannst mir helfen.
Also, der Max312 hat am Ausgang einen RLoad. Sehe ich das richtig, das ohne diesen RLoad nicht "durchgeschalten" wird und der RLoad in der Ambilight Version 75 Ohm haben muss ?
mfg Kay
Hallo Kay,
also das mit den 300 Ohm hast du irgendwie falsch gelesen im Datenblatt. 300 Ohm als R-Load und 35pF als C-Load wurde 'nur' für die Bestimmung einiger Messparameter verwendet. Es werden ja auch Werte bei R-Load von 50 Ohm angegeben. Das "Durchschalten funktioniert aber auch bei viel höheren R-Load einwandfrei, d.h. auch dann wenn der Switch praktisch nicht belastet wird. Genaugenommen ist aber in der Integratorschaltung bei geladenem Kondensator im Moment des Schliessens des Switches (beim Reset) die Impedanz sogar sehr niedrig, denn der Umladestrom, der den Kondensator wieder in den Neutralzustand (kein Ladungsunterschied an seinen Elektroden) bringt, wird eigentlich nur vom R-on des Switches (also etwa 10 Ohm) plus dem Serienwiderstand des Kondensators (maximal im einstelligen Ohm-Bereich) begrenzt. Das muss auch so sein, damit der Reset-Vorgang möglichst schnell abläuft und nicht zu lange auf das Entladen des Kondensators gewartet werden muss. Man könnte im Moment des Einschaltens also den Serienwiderstand des Kondensators als R-Load für den Switch betrachten. Du musst (und solltest es auch nicht) also so oder so keinen zusätzlichen Widerstand einführen.
Das einzige Problem bei diesen bipolaren Schaltern ist, dass sie bei hohen Frequenzen auch im OFF-Zustand recht durchlässig werden. Laut Datenblatt lässt der MAX312 bei Signalen von 300 MHz und höher diese im OFF-Zustand sogar besser durch als im ON-Zustand.
Für Video-Applikationen könnte man also eigentlich in problematische Bereiche kommen, aber glücklicherweise verwenden wir den Schalter ja nur direkt im Integrator, wo wir während der Integration eigentlich keine schnellen Polaritätenwechsel haben, sondern schlimmstenfalls eine schnell (im Pixeltakt) wechselnde Steigung einer ständig in einer Richtung zunehmenden (bzw. abnehmenden) Kurve (Spannung). Somit können wir das Frequenzproblem mit Frühstücksflocken mischen und getrost mit einer Tasse warmer Zwerghörnchenmilch runterspülen
.
Übrigens, mit dem LM1881 hattest du recht, der hat keinen echten H-Sync-Ausgang. Dein Vorschlagstyp ist da besser. Ich hätte da noch den EL4583 als Vorschlag. Dieser ist zwar mit 16 Pin deutlich grösser, hat aber den Vorteil, dass er neben H-Sync das ODD/EVEN-Signal auch noch mitführt und nicht wie bei den GS-Typen eine entweder-oder-Entscheidung nötig macht.
Ich hätte da nämlich noch den Vorschlag, für den Vertikal-Interrupt nicht V-Sync sondern das ODD/EVEN-Signal zu verwenden. Damit würde der Interrupt nur jedes zweite Halbbild ausgelöst, und man könnte die Software so gestalten, dass während des einen Halbbildes per Zeileninterrupt integriert wird und während des zweiten Halbbildes die Spannungen gemessen, berechnet und nach PWM gewandelt werden (Auswertung) etc. Damit hätte der ATmega bei PAL-Signalen für den Auswerteprozess ganze 20 ms Zeit (eine kleine Ewigkeit für einen ATmega
). Man könnte das Ganze mit einem Digitalgatter (AND oder NAND), an dessen Eingängen ODD/EVEN und H-Sync angeschlossen wären noch ganz elegant so lösen, dass schon auf Hardware-Basis sichergestellt wäre, dass die Zeileninterrupts überhaupt erst nur während der einen Halbbild-Phase (Integrationsphase) ausgelöst würden.
So, ich hoffe du hast jetzt Inspiration genug - ich freue mich schon auf deine Versuchsergebnisse
.
Gruss
Neni
also das mit den 300 Ohm hast du irgendwie falsch gelesen im Datenblatt. 300 Ohm als R-Load und 35pF als C-Load wurde 'nur' für die Bestimmung einiger Messparameter verwendet. Es werden ja auch Werte bei R-Load von 50 Ohm angegeben. Das "Durchschalten funktioniert aber auch bei viel höheren R-Load einwandfrei, d.h. auch dann wenn der Switch praktisch nicht belastet wird. Genaugenommen ist aber in der Integratorschaltung bei geladenem Kondensator im Moment des Schliessens des Switches (beim Reset) die Impedanz sogar sehr niedrig, denn der Umladestrom, der den Kondensator wieder in den Neutralzustand (kein Ladungsunterschied an seinen Elektroden) bringt, wird eigentlich nur vom R-on des Switches (also etwa 10 Ohm) plus dem Serienwiderstand des Kondensators (maximal im einstelligen Ohm-Bereich) begrenzt. Das muss auch so sein, damit der Reset-Vorgang möglichst schnell abläuft und nicht zu lange auf das Entladen des Kondensators gewartet werden muss. Man könnte im Moment des Einschaltens also den Serienwiderstand des Kondensators als R-Load für den Switch betrachten. Du musst (und solltest es auch nicht) also so oder so keinen zusätzlichen Widerstand einführen.
Das einzige Problem bei diesen bipolaren Schaltern ist, dass sie bei hohen Frequenzen auch im OFF-Zustand recht durchlässig werden. Laut Datenblatt lässt der MAX312 bei Signalen von 300 MHz und höher diese im OFF-Zustand sogar besser durch als im ON-Zustand.
Für Video-Applikationen könnte man also eigentlich in problematische Bereiche kommen, aber glücklicherweise verwenden wir den Schalter ja nur direkt im Integrator, wo wir während der Integration eigentlich keine schnellen Polaritätenwechsel haben, sondern schlimmstenfalls eine schnell (im Pixeltakt) wechselnde Steigung einer ständig in einer Richtung zunehmenden (bzw. abnehmenden) Kurve (Spannung). Somit können wir das Frequenzproblem mit Frühstücksflocken mischen und getrost mit einer Tasse warmer Zwerghörnchenmilch runterspülen
Übrigens, mit dem LM1881 hattest du recht, der hat keinen echten H-Sync-Ausgang. Dein Vorschlagstyp ist da besser. Ich hätte da noch den EL4583 als Vorschlag. Dieser ist zwar mit 16 Pin deutlich grösser, hat aber den Vorteil, dass er neben H-Sync das ODD/EVEN-Signal auch noch mitführt und nicht wie bei den GS-Typen eine entweder-oder-Entscheidung nötig macht.
Ich hätte da nämlich noch den Vorschlag, für den Vertikal-Interrupt nicht V-Sync sondern das ODD/EVEN-Signal zu verwenden. Damit würde der Interrupt nur jedes zweite Halbbild ausgelöst, und man könnte die Software so gestalten, dass während des einen Halbbildes per Zeileninterrupt integriert wird und während des zweiten Halbbildes die Spannungen gemessen, berechnet und nach PWM gewandelt werden (Auswertung) etc. Damit hätte der ATmega bei PAL-Signalen für den Auswerteprozess ganze 20 ms Zeit (eine kleine Ewigkeit für einen ATmega
So, ich hoffe du hast jetzt Inspiration genug - ich freue mich schon auf deine Versuchsergebnisse
Gruss
Neni
Ich habe jetzt fast alle IC's als Sample bestellt. Macht die Schaltung doch erheblich günstiger 
z.B. den LMH1981MT, der kann auch h-sync...
Hab noch ne Frage zur Formatproblematik.
Wie lege ich fest, ob sich der Bereich ändert? Bei 16:10 habe ich z.B. oben immer noch einen schwarzen Balken, bei 4:3 links und rechts. Das verfälscht das Signal an die LED doch, besonders im oberen Bereich.
Wie habt ihr das gelöst??
Grüße
Tuborger
Soll man nicht mal zusammen einen kompletten Schaltplan inkl Atmel und LED-Treiber entwerfen.
Gibt es schon neuere Ergebnisse/Erfahrungswerte bezügl Dimensionierung der Bauteile?
z.B. den LMH1981MT, der kann auch h-sync...
Hab noch ne Frage zur Formatproblematik.
Wie lege ich fest, ob sich der Bereich ändert? Bei 16:10 habe ich z.B. oben immer noch einen schwarzen Balken, bei 4:3 links und rechts. Das verfälscht das Signal an die LED doch, besonders im oberen Bereich.
Wie habt ihr das gelöst??
Grüße
Tuborger
Soll man nicht mal zusammen einen kompletten Schaltplan inkl Atmel und LED-Treiber entwerfen.
Gibt es schon neuere Ergebnisse/Erfahrungswerte bezügl Dimensionierung der Bauteile?
@neni
Hi. Habe mir jetzt bei Gennum 3x GS4981 in DIP und 2x GS4981 in SMD bestellt. Wenn die da sind, werde ich mir das ganze mal auf dem Oszilloskop anschauen. Sobald meine LT6554 und die restlichen Teile da sind, werde ich das zusammenbauen und nen Mega88 / Mega168 nehmen und messen und messen und messen und .....
werde dann berichten, ob es so klappt wie ich das will.
mfg Kay
Hi. Habe mir jetzt bei Gennum 3x GS4981 in DIP und 2x GS4981 in SMD bestellt. Wenn die da sind, werde ich mir das ganze mal auf dem Oszilloskop anschauen. Sobald meine LT6554 und die restlichen Teile da sind, werde ich das zusammenbauen und nen Mega88 / Mega168 nehmen und messen und messen und messen und .....
werde dann berichten, ob es so klappt wie ich das will.
mfg Kay
@Tuborger:
Dieses Problem werde ich wahrscheinlich erst lösen, wenn die Hardware steht. Vorher mache ich mir erst über die Hardwareseite gedanken.
Die Frage ist dann, wie ein TV erkennt, ob es eine 16:9 oder eine 4:3 Sendung ist.
mfg Kay
Dieses Problem werde ich wahrscheinlich erst lösen, wenn die Hardware steht. Vorher mache ich mir erst über die Hardwareseite gedanken.
Die Frage ist dann, wie ein TV erkennt, ob es eine 16:9 oder eine 4:3 Sendung ist.
mfg Kay
Die Formatumschaltung erflolgt bei Scart über Pin 8.
Die Schaltspannung von 12V => 4:3 und 6V => 16:9
Hab aber meine DBox über nen Scart/Componenten-Kabel angeschlossen.
Wo die Schaltspannuung bei yuv da jetzt mitübertragen wird, weiß ich noch nicht.
Wo habt ihr eigentl das RGB-Signal abgegriffen?
Tuborger
Die Schaltspannung von 12V => 4:3 und 6V => 16:9
Hab aber meine DBox über nen Scart/Componenten-Kabel angeschlossen.
Wo die Schaltspannuung bei yuv da jetzt mitübertragen wird, weiß ich noch nicht.
Wo habt ihr eigentl das RGB-Signal abgegriffen?
Tuborger
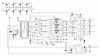
Hallo Kay und Tuborg,
Ich habe mir mal die Mühe gemacht, und eine vollständige Schaltung für einen Ambilight-Bildbereich für alle drei Farben und inkl. ATmega8 gezeichnet. Die Integrationskondensatoren und Widerstände habe ich auch mal durchgerechnet. Wenn man vom Worst Case ausgeht und eine Integrationszeit von einem ganzen Halbbild (20 ms) ohne Unterbrechungen etc. annimmt und dabei die jeweilige Farbspannung durchgehend 1V (Maximum) betragen würde, dann erreicht man mit dem maximalen einstellbaren Widerstand (mit P1 bis P3) von ca. 500 kOhm und einem C-Wert von 10 nF für den Integrationskondensator gerade die Sättigungsspannung von 5V. Da das so ja praktisch nie eintreten wird, kann man den Widerstandswert maximal um den Faktor 10 verringern (und damit auch gleichzeitig die Empfindlichkeit bei der Integration um den Faktor 10 steigern). Das entspräche dann einer Erreichung der Sättigung in 2 ms (ca. einem 10tel des Bildes) bei jeweilig durchgehend voller Farbaussteuerung. Damit sollte ein guter Empfindlichkeitsbereich mit den Trimmern (P1 - P3) abgedeckt und einstellbar sein. Gleichzeitig ergibt der Kondi von 10 nF bei einem OFF-Leakage-Strom der MAX312-Schalter von ca. typisch 100 pA nur einen Verlust von ca. 1 mV pro 100 ms. Bei einem Zeitabstand von ca. 20 ms von Integrationsstart bis zur Messung ergibt sich somit ein Verlust von maximal 200 - 300 µV für die Endintegrationsspannung (dies liegt im Rauschbereich des AD-Wandlers, ist also absolut vernachlässigbar). Ich kann nicht 100% garantieren, dass die Schaltung absolut ohne Fehler ist, aber ich denke, das meiste sollte ich beachtet haben
.
Gruss
Neni
Ich habe mir mal die Mühe gemacht, und eine vollständige Schaltung für einen Ambilight-Bildbereich für alle drei Farben und inkl. ATmega8 gezeichnet. Die Integrationskondensatoren und Widerstände habe ich auch mal durchgerechnet. Wenn man vom Worst Case ausgeht und eine Integrationszeit von einem ganzen Halbbild (20 ms) ohne Unterbrechungen etc. annimmt und dabei die jeweilige Farbspannung durchgehend 1V (Maximum) betragen würde, dann erreicht man mit dem maximalen einstellbaren Widerstand (mit P1 bis P3) von ca. 500 kOhm und einem C-Wert von 10 nF für den Integrationskondensator gerade die Sättigungsspannung von 5V. Da das so ja praktisch nie eintreten wird, kann man den Widerstandswert maximal um den Faktor 10 verringern (und damit auch gleichzeitig die Empfindlichkeit bei der Integration um den Faktor 10 steigern). Das entspräche dann einer Erreichung der Sättigung in 2 ms (ca. einem 10tel des Bildes) bei jeweilig durchgehend voller Farbaussteuerung. Damit sollte ein guter Empfindlichkeitsbereich mit den Trimmern (P1 - P3) abgedeckt und einstellbar sein. Gleichzeitig ergibt der Kondi von 10 nF bei einem OFF-Leakage-Strom der MAX312-Schalter von ca. typisch 100 pA nur einen Verlust von ca. 1 mV pro 100 ms. Bei einem Zeitabstand von ca. 20 ms von Integrationsstart bis zur Messung ergibt sich somit ein Verlust von maximal 200 - 300 µV für die Endintegrationsspannung (dies liegt im Rauschbereich des AD-Wandlers, ist also absolut vernachlässigbar). Ich kann nicht 100% garantieren, dass die Schaltung absolut ohne Fehler ist, aber ich denke, das meiste sollte ich beachtet haben
Gruss
Neni
hallo neni,
vielen Dank für den Schaltplan. Hoffentlich kommen bald meine LT6554. Kanns kaum abwarten endlich das ganze aufm Steckbrett zu probieren. Was ich auch noch nicht habe sind die Low ESR Kondensatoren für den LT6554. Naja sollte alles bald kommen.
mfg Kay
vielen Dank für den Schaltplan. Hoffentlich kommen bald meine LT6554. Kanns kaum abwarten endlich das ganze aufm Steckbrett zu probieren. Was ich auch noch nicht habe sind die Low ESR Kondensatoren für den LT6554. Naja sollte alles bald kommen.
mfg Kay
hi,
ich habe im Internet einen interessanten Link gefunden. Da hat jemand auch ein Ambilight nachgebaut. Er hat auch das RGB Signal benutzt. Aber anstatt eines AVR´s mit internem ADC hat er einen PIC mit externem ADC genommen. Trotzdem interessant. Hier der Link:
http://picsandtricks.***link_aufgrund_spamverdacht_nicht_erlaubt***/2007/ ... -pics.html
ich habe im Internet einen interessanten Link gefunden. Da hat jemand auch ein Ambilight nachgebaut. Er hat auch das RGB Signal benutzt. Aber anstatt eines AVR´s mit internem ADC hat er einen PIC mit externem ADC genommen. Trotzdem interessant. Hier der Link:
http://picsandtricks.***link_aufgrund_spamverdacht_nicht_erlaubt***/2007/ ... -pics.html
hi,
noch ne frage. Der mega88 hat ja 6 HardPWM Kanäle. Davon ist aber ja nur 1 oder 2 ( ? ) 10bit breit. Wenn ich jetzt mein RGB Signal einlese, erhalte ich ja normalerweise 10bit Werte. Reicht den ein Ambilight Nachbau mit 8bit PWM oder lieber gleich 10bit ?
mfg Kay
noch ne frage. Der mega88 hat ja 6 HardPWM Kanäle. Davon ist aber ja nur 1 oder 2 ( ? ) 10bit breit. Wenn ich jetzt mein RGB Signal einlese, erhalte ich ja normalerweise 10bit Werte. Reicht den ein Ambilight Nachbau mit 8bit PWM oder lieber gleich 10bit ?
mfg Kay
Beim ATmega48/88/168 sind von den sechs Hardware-PWM-Kanälen 'nur' deren zwei (die von Timer 1: OCR1A und OCR1B) bis zu 10 Bit breit. Diese lassen sich aber auch mit 8-Bit-Breite konfigurieren. 8 Bit PWM reicht für die Farbsteuerung von LEDs vollkommen aus. Eine bessere Auflösung als 256 Werte pro Farbe kann man eigentlich gar nicht mehr erkennen. Ich würde sogar behaupten, dass bei den meisten LEDs auch schon bei 64 Werten pro Farbe Auflösung (6 Bit) die Grenze der Erkennbarkeit erreicht ist. Immerhin kann man ja mit 6 Bit pro Farbe bei RGB 262'144 versch. Farben darstellen. Bei 8 Bit sind's dann 16,7 Mio., also True Color (mehr Farbauflösung braucht kein Mensch
).
Von den Werten des AD-Wandlers würde ich einfach die oberen 8 Bit auswerten und den Rest ignorieren, wenn der maximale Spannungshub am Eingang des Wandlers an die Höhe der Referenzspannung ran kommt, d.h. wenn der gesamte Wertebereich des AD-Wandlers auch tatsächlich erreicht wird. Ansonsten sollte eine entsprechende Skalierung (rechnerisch im ATmega) vorgenommen werden.
Gruss
Neni
Von den Werten des AD-Wandlers würde ich einfach die oberen 8 Bit auswerten und den Rest ignorieren, wenn der maximale Spannungshub am Eingang des Wandlers an die Höhe der Referenzspannung ran kommt, d.h. wenn der gesamte Wertebereich des AD-Wandlers auch tatsächlich erreicht wird. Ansonsten sollte eine entsprechende Skalierung (rechnerisch im ATmega) vorgenommen werden.
Gruss
Neni
hast ja recht. 16,7 Mio Farben müssten dann auch reichen
. Der mega88 hat ja eine interne Referenzspannung von 1,1 V. Das heißt, das man bei einem komplett roten Bild eine Spannung von ca. 0,7V hätte. Der ADC würde ja dann aber nie den vollen Wert von 255 ausgeben. Wäre es denn da denn vielleicht besser, eine REF von 0,7 V zu wählen ?
mfg Kay
mfg Kay
Bei dem Aufwand kannst Du eigentlich auch gleich eine Version mit mehreren Feldern bauen.
Da würde auch nicht wesentlich mehr drin stecken als bei der jetzigen Version.
Bei wievielen Euros Baukosten bist Du denn im Augenblick, schonmal gerechnet ?
Da würde auch nicht wesentlich mehr drin stecken als bei der jetzigen Version.
Bei wievielen Euros Baukosten bist Du denn im Augenblick, schonmal gerechnet ?
Da ich den RGB Buffer als Sample bekomme liege ich momentan mit den Bauteilen bei ca. 20 €. Habe ja noch einige hier rumliegen, das ich nicht kaufen muss. Mittlerweile bin ich zu dem Entschluss gekommen, das es minimum ein 4-Feld Ambilight Nachbau werden soll.
mfg Kay
mfg Kay
Wie du vielleicht im Schaltplan bemerkt hast, habe ich Vref direkt an 5V gelegt. Dies hat schon seinen Sinn, denn die integrierte Spannung sollte am Ausgang des Integrators einen Bereich von 0 bis -5V abdecken (0 - 0,7V sind ja nur die Pixelspannungswerte, die ja dann im Integrator proportional aufsummiert werden). Nach dem Impedanzwandler und dem invertierenden Verstärker, bei dem man ja über P4 (resp. P5, P6) nochmals den Bereich anpassen kann, sollte für die integrierte Spannung ein Bereich von 0 - ca. 5V (ein klein wenig darunter) erreicht werden können (auch dank der Rail-to-Rail OPVs LMC6484), also ist Vref = 5V die beste Wahl, denke ich.Kay hat geschrieben:hast ja recht. 16,7 Mio Farben müssten dann auch reichen. Der mega88 hat ja eine interne Referenzspannung von 1,1 V. Das heißt, das man bei einem komplett roten Bild eine Spannung von ca. 0,7V hätte. Der ADC würde ja dann aber nie den vollen Wert von 255 ausgeben. Wäre es denn da denn vielleicht besser, eine REF von 0,7 V zu wählen ?
mfg Kay
Gruss
Neni
Bin ja mal gespannt ob Du das mit dem uC so auch umsetzen kannst.Kay hat geschrieben:Da ich den RGB Buffer als Sample bekomme liege ich momentan mit den Bauteilen bei ca. 20 €. Habe ja noch einige hier rumliegen, das ich nicht kaufen muss. Mittlerweile bin ich zu dem Entschluss gekommen, das es minimum ein 4-Feld Ambilight Nachbau werden soll.
mfg Kay
Bei der mix-schaltung (analog + digital) die ich weiter oben als Lösung vorgeschlagen hatte
habe ich ja extra den uC als Schwachstelle umgangen, der sollte ja nur noch für das timing
der Felder verwendet werden.
Wenn das auch bei mehreren Feldern alles so einfach wäre wie auf dem Plan von Synvox
würde es bestimmt schon einige Nachbauten geben und nicht nur Versuche.
Die Auslegung von Synvox mit dem uC als direktes Bindeglied zwischen den Signalen und
der Ansteuerung der LEDs war wohl eher für einen Nachbau mit nur einem einzigen LED
Array vorgesehen, also RGB jeweils nur einmal.
Selbst die bei Ebay käufliche Version braucht immerhin gleich zwei uCs und hat pro uC
trotzdem nur ein RGB Array.
Wäre vieleicht sinnvoll sich den Lösungansatz mit dem digitalen timing aber analogen
ansteuerung der Farbwerte nochmal anzusehen.
es spricht ja nix dagegen, für jedes Feld einen Controller zu benutzen. Sollte es dennoch mit einem funktionieren, spare ich mir die anderen 3. Ich probiere es einfach und wenns nicht klappt, dann halt nicht. Learning by Doing.
mfg Kay
mfg Kay
Rein analoge Ansteuerung der Farbwerte würde ich gleich mal wieder vergessen. Das ist weder weniger komplex noch günstiger umzusetzen (Atmel AVRs sind ja mittlerweile so billig, dass sie wohl praktisch zu den günstigsten Bauelementen in der Schaltung gehören), ausserdem ist bei rein analogen Signalumsetzungen (bis zur LED-Steuerung) so viel an Trimmarbeit nötig mit gleichzeitig erkaufter Unflexibilität (die Auswerte-Software ist nun mal einfacher und flexibler entsprechend anzupassen als etwaige fest aufgebauten Auswerte-Signalwege), dass ich diesen Ansatz einfach mal im Marianengraben verbuddeln würde
, ausser man hat aus welchen Gründen auch immer eine totale Abneigung gegen µCs.
Das Problem mit mehreren Auswerte-Feldern ist hier sicher auch durch die zur Verfügung stehende Anzahl an Hardware-PWM-Kanälen limitiert. Auch ein ATmega168/88 hat 'nur' sechs, also maximal zwei unabhängige RGB-Stränge (zwei Felder). Software-PWM scheidet sowieso aus, da der Prozessor daneben ja noch ziemlich timing-genaue Aufgaben zu erledigen hat.
Neben der Verwendung mehrerer µCs für Wandlung, Auswertung und RGB (je einen pro Feld oder einen pro zwei Feldern) gibt es noch eine andere, mögliche Variante. Ein µC erledigt die Steuerung der Integratoren, Messung der Werte und entsprechende Auswertung der Felder und schickt die Ergebnisse dann per I2C periodisch an eine beliebige Anzahl weiterer µCs, welche dann aus der Wertereihe (nach definiertem Protokoll) die für ihre Feld-Zuständigkeit relevanten Messwerte entgegennehmen und in eine entsprechende PWM-Ansteuerung der LEDs umsetzen. Hier könnte man dann sowohl Hardware- als auch Software-PWM (was die Controllerzahl verringern könnte) verwenden, da der jeweilige µC praktisch nichts anderes zu tun hätte.
Die Aufgabe für den Mess-µC wäre dafür etwas komplexer, da er allein die Steuerung der Integration und Messung der Werte für alle Feldbereiche übernehmen müsste. Es liesse sich jedoch relativ einfach implementieren (für vier Felder), wenn man mit einer Refresh-Rate von ca. 12 Hz (nicht die PWM-Frequenz sondern die maximale Rate der Farbwechsel) für die RGB-Steuerung zufrieden wäre. Meiner Meinung nach sollte das als Reaktionsschnelligkeit der LED-Farben auf die Bildwechsel am Bildschirm reichen. Dann wäre es nämlich möglich, pro Halbbild jeweils einen Feldbereich zu messen. Bei vier Feldern ergäbe das vier Halbbilder (also 2 Bilder), deshalb die maximale Refresh-Rate (für die LED-Farbsteuerung aller vier Felder) von 12 Hz.
Der Vorteil wäre auch, dass man nur eine RGB-Integrationseinheit benötigt, ohne aber Timing-Probleme dabei zu bekommen, wie wenn man zeilenweise (oder sogar zeilenabschnittsweise) AD-Messungen durchführen müsste.
Gruss
Neni
Das Problem mit mehreren Auswerte-Feldern ist hier sicher auch durch die zur Verfügung stehende Anzahl an Hardware-PWM-Kanälen limitiert. Auch ein ATmega168/88 hat 'nur' sechs, also maximal zwei unabhängige RGB-Stränge (zwei Felder). Software-PWM scheidet sowieso aus, da der Prozessor daneben ja noch ziemlich timing-genaue Aufgaben zu erledigen hat.
Neben der Verwendung mehrerer µCs für Wandlung, Auswertung und RGB (je einen pro Feld oder einen pro zwei Feldern) gibt es noch eine andere, mögliche Variante. Ein µC erledigt die Steuerung der Integratoren, Messung der Werte und entsprechende Auswertung der Felder und schickt die Ergebnisse dann per I2C periodisch an eine beliebige Anzahl weiterer µCs, welche dann aus der Wertereihe (nach definiertem Protokoll) die für ihre Feld-Zuständigkeit relevanten Messwerte entgegennehmen und in eine entsprechende PWM-Ansteuerung der LEDs umsetzen. Hier könnte man dann sowohl Hardware- als auch Software-PWM (was die Controllerzahl verringern könnte) verwenden, da der jeweilige µC praktisch nichts anderes zu tun hätte.
Die Aufgabe für den Mess-µC wäre dafür etwas komplexer, da er allein die Steuerung der Integration und Messung der Werte für alle Feldbereiche übernehmen müsste. Es liesse sich jedoch relativ einfach implementieren (für vier Felder), wenn man mit einer Refresh-Rate von ca. 12 Hz (nicht die PWM-Frequenz sondern die maximale Rate der Farbwechsel) für die RGB-Steuerung zufrieden wäre. Meiner Meinung nach sollte das als Reaktionsschnelligkeit der LED-Farben auf die Bildwechsel am Bildschirm reichen. Dann wäre es nämlich möglich, pro Halbbild jeweils einen Feldbereich zu messen. Bei vier Feldern ergäbe das vier Halbbilder (also 2 Bilder), deshalb die maximale Refresh-Rate (für die LED-Farbsteuerung aller vier Felder) von 12 Hz.
Der Vorteil wäre auch, dass man nur eine RGB-Integrationseinheit benötigt, ohne aber Timing-Probleme dabei zu bekommen, wie wenn man zeilenweise (oder sogar zeilenabschnittsweise) AD-Messungen durchführen müsste.
Gruss
Neni
- Mirfaelltkeinerein
- Ultra-User

- Beiträge: 748
- Registriert: Mi, 25.10.06, 17:52
- Wohnort: Südwesten
Dem kann ich nur ganz entschieden widersprechensynvox hat geschrieben:8 Bit PWM reicht für die Farbsteuerung von LEDs vollkommen aus. Eine bessere Auflösung als 256 Werte pro Farbe kann man eigentlich gar nicht mehr erkennen. Ich würde sogar behaupten, dass bei den meisten LEDs auch schon bei 64 Werten pro Farbe Auflösung (6 Bit) die Grenze der Erkennbarkeit erreicht ist. Immerhin kann man ja mit 6 Bit pro Farbe bei RGB 262'144 versch. Farben darstellen. Bei 8 Bit sind's dann 16,7 Mio., also True Color (mehr Farbauflösung braucht kein Mensch).
Ich hatte auch zuerst 8bit Auflösung und gerade bei dunklen Stellen hat man sehr genau die Abstufungen zwischen den Helligkeitsstufen gesehen. Wenn's heller wird, hast du recht, kritisch sind aber gerade die dunklen Bereiche. Ich habe die Auflösung auf 9bit erhöht, was das Problem vermindert, aber NICHT unsichtbar macht. 10bit wäre wohl noch besser, aber da kommt mein R8C für das Software-PWM nicht mehr hinterher (bei >100Hz).
Die Atmolight-Leute favorisieren auch 10bit und jetzt weiß ich auch warum.


