Hausnummernbeleuchtung

Fragen zu Schaltungen, Elektronik, Elektrik usw.

Moderator: T.Hoffmann

Antworten
cimber
Mini-User
Beiträge: 7
Registriert: Mi, 19.12.07, 06:33

Mi, 19.12.07, 06:40

Guten Morgen,
dieses ist mein erster Beitrag und ich hoffe, dass es nicht schon exsisitiert. Aber beim suchen fand ich nichts.
Ich finde es immerwieder nervig wenn man jemanden besucht und nirgendswo eine Hausnummer findet, die erfahrungsgemäß schlecht zu finden ist und dazu im dunkeln nicht leserlich ist. Auch für Taxifahrer, Kuriere und wenn's mal brennt Ärzte, Feuerwehr
viel Zeit kostet.

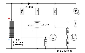
Hier mein Schaltungsvorschlag :

Die Hausnummernbeleuchtung ist nur durch Sonnenlicht betrieben. Das einfallende Licht wird durch eine Solarzelle in Strom umgewandelt und in einem Akku gespeichert. Dieser Akku speist eine Leuchtdiode, die mit geringstem Strom das Hausschild beleuchtet. Die LED wird bei Dunkelheit autom. eingeschaltet.
Nur 2 Stunden Tageslicht reichen um die LED mehrere Tage leuchten zu lassen.
anim_leuchte.gif
anim_leuchte.gif (212.85 KiB) 11520 mal betrachtet


Gruß
cimber 8)
Dateianhänge
solarsteuerung_html.jpg
solarsteuerung_html.jpg (20.25 KiB) 11454 mal betrachtet
Zuletzt geändert von cimber am Do, 20.12.07, 08:30, insgesamt 1-mal geändert.
Benutzeravatar
jm2_de
Hyper-User
Hyper-User
Beiträge: 1188
Registriert: Sa, 06.01.07, 01:26

Mi, 19.12.07, 23:13

Es gibt hier im Forum schon einen ähnlichen Thread zu einer Solarlampe, aber schaden kann eine zweite Auslegung ja nicht :wink:
Was noch fehlt wären Daten zur LED und der Solarzelle, auch die Transistoren Bezeichnung fehlt.
Da die meisten wohl Laien sind brauchen sie die Angaben sicher.

Dann hab ich noch eine Frage:
Das ersten Symbol, soll das eine Photodiode in Sperrrichtung darstellen oder die Solarzelle/n ?
Für eine Solarzelle wäre es das falsche Symbol und es ist verdreht, ist eine eine Photodiode dürfte die Schaltung nicht
funktionieren da sie in Kurzschlussrichutung angeschlossen ist, selbst in Sperrrichtung würde sie das Gegenteil von dem
tun was sie soll (bzw soll sie den Ladestrom des Akkus begrenzen ?).
cimber
Mini-User
Beiträge: 7
Registriert: Mi, 19.12.07, 06:33

Do, 20.12.07, 07:31

@jm2_de

Hast ja recht, einige Infos fehlen noch. Bei den Transistoren handelt es sich um Standard Kleinsignal "npn's" und bei der LED ist es ein weiße 3mm superhelle LED die mit geringem Strom betrieben wird und weitem Abstrahlwinkel.

"Dann hab ich noch eine Frage:
Das ersten Symbol, soll das eine Photodiode in Sperrrichtung darstellen oder die Solarzelle/n ?
Für eine Solarzelle wäre es das falsche Symbol und es ist verdreht, ist eine eine Photodiode dürfte die Schaltung nicht
funktionieren da sie in Kurzschlussrichutung angeschlossen ist, selbst in Sperrrichtung würde sie das Gegenteil von dem
tun was sie soll (bzw soll sie den Ladestrom des Akkus begrenzen ?)."


Es soll eine 6 Volt Solarzelle von "Panasonic von Conrad" darstellen. Diese lädt über eine Diode und Vorwiderstand den Akku. Die Diode ist nur dazu da, um die Hell-Dunkelsteuerung zu ermöglichen. Denn ohne Diode würde die LED permanent an sein, durch den Akku.

Gruß
cimber
cimber
Mini-User
Beiträge: 7
Registriert: Mi, 19.12.07, 06:33

Do, 20.12.07, 08:52

jm2_de hat geschrieben:Es gibt hier im Forum schon einen ähnlichen Thread zu einer Solarlampe, aber schaden kann eine zweite Auslegung ja nicht :wink:
Was noch fehlt wären Daten zur LED und der Solarzelle, auch die Transistoren Bezeichnung fehlt.
Da die meisten wohl Laien sind brauchen sie die Angaben sicher.

Dann hab ich noch eine Frage:
Das ersten Symbol, soll das eine Photodiode in Sperrrichtung darstellen oder die Solarzelle/n ?
Für eine Solarzelle wäre es das falsche Symbol und es ist verdreht, ist eine eine Photodiode dürfte die Schaltung nicht
funktionieren da sie in Kurzschlussrichutung angeschlossen ist, selbst in Sperrrichtung würde sie das Gegenteil von dem
tun was sie soll (bzw soll sie den Ladestrom des Akkus begrenzen ?).
Hab das überarbeitete Schaltbild ins Forum gestellt im ersten Beitrag :D

Gruß
cimber
Benutzeravatar
jm2_de
Hyper-User
Hyper-User
Beiträge: 1188
Registriert: Sa, 06.01.07, 01:26

Do, 20.12.07, 21:07

Klein aber fein, kann man nicht meckern.
Vor allem braucht sie keinen Lichtsensor und die Bauteile bekommt man ja recht einfach.
Such auch mal nach dem PR4404 von PREMA, damit kann man im Prinzip das selbe bauen,
nur den IC bekommt man nicht überall.
Benutzeravatar
Crossfire
Hyper-User
Hyper-User
Beiträge: 1059
Registriert: Di, 30.10.07, 11:44
Wohnort: Filderstadt
Kontaktdaten:

Do, 20.12.07, 21:41

warum so ein kleines bild? weil mit zoomen ist es dann ziemlich pixelig! Was soll des in dem kreis sein? Ich kenn mich bei so schaltungen gar nicht aus :oops: ...
cimber
Mini-User
Beiträge: 7
Registriert: Mi, 19.12.07, 06:33

Fr, 21.12.07, 07:50

jm2_de hat geschrieben:Klein aber fein, kann man nicht meckern.
Vor allem braucht sie keinen Lichtsensor und die Bauteile bekommt man ja recht einfach.
Such auch mal nach dem PR4404 von PREMA, damit kann man im Prinzip das selbe bauen,
nur den IC bekommt man nicht überall.
Was ich finde noch viel wichtiger ist, man braucht keine Spule :D
Gruß
cimber
Crossfire hat geschrieben:warum so ein kleines bild? weil mit zoomen ist es dann ziemlich pixelig! Was soll des in dem kreis sein? Ich kenn mich bei so schaltungen gar nicht aus :oops: ...
Hallo crossfire, ich bin mir nicht sicher was Du meinst, aber die beiden einzigen runden "Dinger" sind einfache und billige npn-Transistoren.( Conrad 0,06 Euro)

Gruß
cimber

Die zwei habe ixch zusammeneditiert. Gruss Sailor
Benutzeravatar
Qs'Tree
Mega-User
Mega-User
Beiträge: 196
Registriert: So, 04.06.06, 19:30
Wohnort: Bayern

Mi, 02.01.08, 12:22

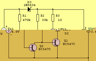
Hi cimber,

ich habe schon einige vergleichbare Schaltungen unter "Solarleuchten im Eigenbau" veröffentlicht.
viewtopic.php?f=35&t=494#p6755

Deine Schaltung ist für deinen Anwendungsfall ziemlich gut. Die 3,6V Betriebsspannung und eine große Solarzelle ermöglichen eine lange Leuchtdauer der LED.
Du könntest evtl. noch den 220kOhm Widerstand durch einen größeren Wert ersetzen. Dadurch sinkt der Stromverlust über den Widerstand und der Akku sollte etwas besser gelanden werden.
Eine vergleichbare 3,6V Variante hat bei mir 2007 sehr gute Standzeiten erreicht.
Dateianhänge
Solarlampe-Schottky.jpg
Solarlampe-Schottky.jpg (32.06 KiB) 11246 mal betrachtet
Antworten