Solarleuchte im Eigenbau - Bauteileauslegung

Fragen zu Schaltungen, Elektronik, Elektrik usw.

Moderator: T.Hoffmann

Antworten
pokermants
User
User
Beiträge: 12
Registriert: Di, 18.07.06, 11:17

Do, 28.12.06, 20:26

Ja man muss nur seine Kreativität einsetzen, es fällt einem schon was ein!
Nur man braucht Zeit, die ich leider erst wieder im April habe, aber da beginnt die neue Saison, fieber jetzt schon drauf hin!
Vielen Dank für den Tip mit dem Aldi Becher!
Werde ich mir mal kaufen!

Grüße Tobias!
Benutzeravatar
Qs'Tree
Mega-User
Mega-User
Beiträge: 196
Registriert: So, 04.06.06, 19:30
Wohnort: Bayern

So, 21.01.07, 00:31

Tach zusammen,

nachdem der Winter bis dato nicht in die Gänge kommen will, habe ich meine selbstgebastelten Solarlampen bis dato im Garten hängen lassen. In den letzten Wochen musste ich feststellen, dass die Lampen mit dem PR4401 nicht mehr funktionierten, wobei die Lampen ohne den Step-Up-Driver auch bei schlechtem Wetter, d.h. ganztägig bewölkt, abends mehrere Stunden leuchten. :?

Also die Lampen eingesammelt und aufgeschraubt...

Das Problem liegt tatsächlich am PR4401 in Kombination mit meiner Schaltung. Durch den PR4401 und den Transistor entsteht ein permanenter Schwingkreis und die Schaltung zieht permanent rund 10mA, egal ob die LED leuchtet oder nicht. Selbst wenn man die LED in der Schaltung abklemmt, der Stromverlust ist immer gegeben. Schande auf mein Haupt, dass mir das erst jetzt aufgefallen ist. :oops:

Nachdem mir bis dato nix vernünftiges eingefallen ist, wie ich diesen Verluststrom auf einfache Art und Weise unterbinden kann, werde ich wohl oder übel auf die einfachere Schaltung mit den 3 Akkus wechseln.

Also wundert euch nicht, wenn die Lampen mit dem PR4401 z.Z. nicht funktionieren. Im Sommer, wenn die Solarzellen mehr "Saft" liefern, sollten sie wieder funktionieren. :D
Andre@s
User
User
Beiträge: 30
Registriert: Sa, 28.10.06, 21:15
Wohnort: Deuerling

Sa, 10.03.07, 22:24

Qs'Tree hat geschrieben:@DJ: Die Bauteile sind alle angegeben, einfach mal bei den Elektronik-Shops etwas suche.

Hier nochmal eine Schaltung, die relativ spät die LED einschaltet.
Eine Parallelschaltung von 4 LEDs ist hier auch möglich, allerdings geht die Leuchtkraft der einzelnen LEDs etwas zurück. Die könnte evtl. durch einen anderen Tansistor behoben werden. Vorschlag sind willkommen und ausdrücklich erbeten. :wink: :wink:
583_36V_1N4007_BC547A_1.jpg
583_36V_1N4007_BC547A_1.jpg (23.82 KiB) 120754 mal betrachtet
Die Artikel beim großen "C" findest du unter:
Artikelnr. Bezeichnung
162272 Universal-Diode 1N4007
154709 BC 547 A
405019 Widerstand 10 Ohm
405434 Widerstand 33 kOhm
110332 RWE Solarmodul 4,8V 0,081A
227952 Ni-Cd Akku 1.100mA

@Jay: Richtig erkannt, wesentlich ist eine geringe Vorwärtsspannung, da dann ein höherer Ladestrom erreicht wird. Mit Z-Dioden hab ich es noch nicht versucht. Wenn ich mich recht erinnere, dann sollten die aber hier nicht funktionieren. Ist aber schon ewig her, dass ich das mal gelernt habe. Evtl. kann hier einer aus dem Forum noch etwas dazu sagen.

greetz
Qs'Tree
Hallo zusammen,

ich hab mir die Schaltung mal nachgebaut...

Anstatt des BC547A hab ich den BC547C-Transistor und statt der Diode 1N4007 hab ich die Diode 1N4001 genommen.

Grundsätzlich funktioniert alles, allerdings liegen an der LED nur 2mA an...

Weiß evtl. jemand Rat, woran das liegen kann, oder ist das normal. Aber mit 2mA sind die LEDs ja relativ finster...

Danke schon mal für eure Hilfe.

Viele liebe Grüße: Andreas
Benutzeravatar
Sailor
Moderator
Beiträge: 9427
Registriert: Di, 28.11.06, 22:16
Wohnort: Saarland, Deutschland und die Welt

So, 11.03.07, 09:00

Dazu müsste ich wissen, wie hoch die Spannung über den Akkus und über R2 ist, wenn die Solarzelle nicht in der Schaltung bzw. abgedunkelt ist.
Andre@s
User
User
Beiträge: 30
Registriert: Sa, 28.10.06, 21:15
Wohnort: Deuerling

So, 11.03.07, 14:57

Hallo Sailor,

danke schon mal für deine Mühe.

Also die Spannung über den Akkus beträgt 3,7 Volt. Auch die Spannung über R2 beträgt 3,7 Volt.
Die Schaltung hab ich bereits das zweite Mal nachgebaut, sie haben beide funktioniert, jedoch hab ich immer nur eine Stromstärke von 1 bis 2 mA an der LED anliegen.

Liebe Grüße: Andreas
Benutzeravatar
Sailor
Moderator
Beiträge: 9427
Registriert: Di, 28.11.06, 22:16
Wohnort: Saarland, Deutschland und die Welt

So, 11.03.07, 15:13

OK, dann erste Maßnahme: check die beiden Widerstände (lach nicht, ein Griff in die falsche Sortierkiste hat mich auch schon einige Stunden Fehlersuche gekostet!).

Zweite Maßnahme (nur wenn alle Bauteile korrekt sind): ersetz den R1 durch einen kleineren Widerstand. Gut wäre ein Widerstand von ca. 22 Kiloohm und ein Poti von 10 Kiloohm. Dann kannst Du mit dem Poti versuchen, den LED-Strom einzuregeln.
Andre@s
User
User
Beiträge: 30
Registriert: Sa, 28.10.06, 21:15
Wohnort: Deuerling

So, 11.03.07, 15:50

Hallo Sailor,

du hattest recht. Hab jetzt statt dem 33 kOhm-Widerstand ein 10kOhm Poti rein, dann kann ich die Stromstärke erhöhen, jedoch schaltet sich dann die Solarlampe gar nicht mehr ab...

Meinst du, das ich den 22 kOhm-Widerstand (R1) und das Poti in Reihe schalten soll? Oder sollte das Poti dann parallel zu R1 geschalten werden?

Vielen Dank für deine Hilfe!

Liebe Grüße: Andreas
Benutzeravatar
Sailor
Moderator
Beiträge: 9427
Registriert: Di, 28.11.06, 22:16
Wohnort: Saarland, Deutschland und die Welt

So, 11.03.07, 18:30

Das 10 Kiloohm Poti alleine sollte eigentlich zu klein sein. Deshalb habe ich eine Serienschaltung vorgesehen. Ich bin von einem Wert zwischen 25 Kiloohm und 30 Kiloohm ausgegangen.

Wenn der Widerstand R2 nur 10 Ohm ist, kannst Du den Strom nicht mit dem Strom-Messbereich des Multimeters messen (jedenfalls nicht im 20 mA oder 200 mA Messbereich). Dann muss er mit dem Spannungsmessbereich nach dem 2. Teil meiner Beschreibung
hier festgestellt werden.

Die Leuchtdiode geht aus, wenn die Spannung der Solarzelle etwa 0,6 bis 0,8 Volt über der Akkuspannung liegt, das hängt von der Durchlassspannung der Diode D1 ab.

Wird der R1 aber zu klein gewählt, fließt zu viel Solarstrom von der Solarzelle über R1 zur Solarzelle zurück. Damit sinkt die Solarzellenspannung ab und die LED wird nicht mehr abgeschaltet. Die beiden Stromkreise Solarzelle/Akku sind also miteinander gekoppelt. Um es noch komlizierter zu machen: es sind insgesamt 3 Stromkreise: Ladestromkreis (Solar), Entladestromkreis (Akku), Steuerstromkreis (Solar + Akku).

Wenn R1 unter 5 Kiloohm sinkt, hilft noch der Austausch des Transistors gegen einen mit einem größeren Verstärkungsfaktor.
pokermants
User
User
Beiträge: 12
Registriert: Di, 18.07.06, 11:17

Do, 22.03.07, 09:51

An alle Solarfreunde!

So langsam geht es wieder ans Basteln.
War neulich schon bei Conrad Elektronik um mir Solarzellen zu holen.
Dann der Schock die Solarzellen von 10 x 10 cm die 17 Volt Nennspannung bringen hat er nicht mehr im Sortiment, die kosteten so an die 15 Euro und die habe ich verbaut für meine Solarleuchten.
jetzt hab ich schon in Auktionshäusern gesucht und über google ich finde keine Anbieter.
Wer kann mir einen guten Shop empfehlen der gute Solarzellen im Programm hat??
Bin für jeden Link dankbar, es kann doch nicht sein, das alle über Engergie sparen reden, aber man nirgendwo mehr Solarzellen zum höheren Bastelanspruch findet?

Vielen Dank,

Tobias!
Benutzeravatar
Qs'Tree
Mega-User
Mega-User
Beiträge: 196
Registriert: So, 04.06.06, 19:30
Wohnort: Bayern

Fr, 23.03.07, 23:17

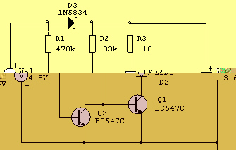
Mal wieder ein Update zum Thema Schaltungsoptimierung. Ich habe über die Wintermonate einige Änderungen angetestet und bin mit folgenden Bauteilen sehr gut gefahren:
583_SolarlampeSchottky_1.jpg
583_SolarlampeSchottky_1.jpg (32.06 KiB) 120800 mal betrachtet
Neu ist nun die Verwendung einer Schottky-Diode, d.h. der Spannungsverlust beim Laden der Akkus ist geringer (ca. 0,5V) und durch den zusätzlichen Transistor Q2 wird die LED erst bei größerer Dunkelheit eingeschaltet.

Seit rund 2 Monaten habe ich vier Solarlampen mit dieser Schaltung im "Freilandtest" und selbst im Feb. & März leuchten die verwendeten weißen LEDs (Nichia; 18000mcd; 20mA) die ganze Nacht.

Parallel teste ich gerade auch eine Schaltung mit einer 10mm 4-Chip LED (3,4V, weiß, 80mA, 11 Lumen). Sehr hell aber nach rund 5 Stunden läßt die Leuchtstärke merklich nach, da die verwendete Solarzelle, in den Wintermonaten, einfach nicht genug Leistung bringt.

Für meine Lampen verwende ich RWE SCHOTT Solarzellen (Umpp=4,8V; Impp=81mA; Leistung=390mW)von Conrad, da ich bis dato einfach keine bessere bzw. günstigere Bezugsquelle finden konnte.
Nachtrag: Diese Schaltung funktioniert sehr zuverlässig !!!
Zuletzt geändert von Qs'Tree am Mo, 09.07.07, 16:19, insgesamt 1-mal geändert.
pokermants
User
User
Beiträge: 12
Registriert: Di, 18.07.06, 11:17

Fr, 30.03.07, 11:09

Vielen Qs'Tree für die neue Schaltung !!!
Kannst du mir bitte mal eine PM schicken mit der genauen Artikelnummer der Solarzellen.
Bei conrad.de finde ich sie online nicht.

Vielen Dank und liebe Grüße,

Tobias!
martin160257
Mega-User
Mega-User
Beiträge: 211
Registriert: Mo, 27.11.06, 21:54
Wohnort: Arnsberg
Kontaktdaten:

Mo, 02.04.07, 19:45

Hallo, möchte mich auch mal dazuschalten.
Das ganze ist meiner Ansicht nach alles eine Frage der Solarzelle.
Wenn ich annehme das ich eine 0,5 W Diode einsetzen möchte,
berechne ich mal von Hinten.
0,5 Watt (Spannung mal im Hintergrund ) Ausgangsleistung über einen Zeitraum von
etwa 8-10 Stunden würde einen Akku von 5Wh erfordern
bei einer Akku-Zelle wären das über 4000mA
oder bei 4 Zellen um die Spannung direkt nutzen zu können etwa 1000mA
Dann kommen noch ca.30% Verluste durch die Schaltung mit dem Step-Up-Wandler und die Lade-Entlade-Zyklen, eventuel sogar noch mehr also besser gleich 5000mA Akku nehmen.
Wenn ich dann weiter annehme das die Ladezeit speziell im Winter nur 5-6 Stunden beträgt
komme ich auf einen Ladestrom von etwa 1000 mA. Den Sron sollte ein Akku dieser Kapazität schon verkraften,
aber auf eine Ladekontrollschaltung kann dann nicht mehr verzichtet werden. Denn was passiert wenn im Sommer
der Ladestrom von 1A mehr als 10 Stunden anliegt.
Und dann kommt meine letzte Überlegung wie groß ist eine Solarzelle die etwa 1,5V mit 1A liefert (ich Schätze mal 12,5cm x 25 cm) und was kostet so ein Teil? ---- und wo bekomme ich es?
Liege ich da so Falsch????????????????????
Benutzeravatar
Qs'Tree
Mega-User
Mega-User
Beiträge: 196
Registriert: So, 04.06.06, 19:30
Wohnort: Bayern

Mi, 04.04.07, 21:57

@ martin160257:
Das stimmt schon! Mit der Solarzelle steigt und fällt die ganze Schaltung. Ist die Solarzelle zu schwach, dann werden die Akkus nur ungenügend geladen und Nachts gehen vorzeitig die Lichter (LEDs) aus. Allerdings kann ich deiner Betrachtung nicht ganz folgen.

Da ich auch nur ein Leihe auf diesem Gebiet bin, schreib ich jetzt einfach mal meine Überlegungen hier nieder. Evtl. kann diese jemand hier im Forum bestätigen oder korrigieren. Los gehts...

Bei der von mir verwendeten ASI Solarzelle (97mm x 80mm) von Schott beträgt die Leistung bei einer min. Sonneneinstrahlung (Januar) ca. 260mWh und bei max. Sonneneinstrahlung (Juli) ca. 1400mWh. Die von der Zelle gelieferte Spannung liegt dabei bei 4,8V. Die Spannung reduziert sich dann noch um 0,55V durch die Diode, also sprechen wir von ca. 4,2 Volt Ladespannung. Die durchschnittliche Sonnenstunden veranschlage ich auf 8 Stunden.

Somit ergeben sich folgende Ladeströme:
Ladestrom min.: 7,7 mA (Januar)
Ladestrom max. 41,7 mA (Juli)

Bei dieser Solarzelle machen somit Akkus mit einer höheren Kapazitiät als 1400mA keinen Sinn. Auch bei Akkus mit nur 600mA besteht keine Gefahr da diese theoretisch auch dauerhaft mit bis zu 60mA geladen werden können.

Auf eine Ladekontrollschaltung kann ich da doch verzichten, oder?
martin160257
Mega-User
Mega-User
Beiträge: 211
Registriert: Mo, 27.11.06, 21:54
Wohnort: Arnsberg
Kontaktdaten:

Fr, 06.04.07, 17:57

Schaut euch mal dieses Teil an

http://www.elektroniknet.de/home/bauele ... -bei-03-v/

klick mich

währe das nicht das ideale Teil um mit einzel-Solarzellen eine Ladespannung zu erzeugen,
und dann im Idealfall bei Dunkelheit auch noch die Led zu versorgen.
Wenn ich das richtig verstanden habe (???) ist mit dem Wandler mit einer Zelle ein Akku zu laden, und dass mit einem gescheiten Strom.
Und wenn der Akku geladen ist sollte das Teil in den Ausgangskreis geschaltet werden um die Spannung für die LED zu erzeugen. Währe doch ideal. NUR
wo ist das Ding zu bekommen, und zu welchem Preis (habe 1,7Dollar bei 1000Stck gelesen)
Joker
Mega-User
Mega-User
Beiträge: 205
Registriert: Sa, 05.08.06, 14:42

Fr, 06.04.07, 18:28

martin160257 hat geschrieben:NUR
wo ist das Ding zu bekommen, und zu welchem Preis (habe 1,7Dollar bei 1000Stck gelesen)
Man kann bei TI "Samples" bestellen. Um sonst versteht sich... Das werde ich vll mal machen...

Einziger Harken: Du musst dich erst registrieren. Und da wollen sie angaben zu deiner Firma... Sowas hab ich aber
nicht :lol:
klick
Benutzeravatar
Qs'Tree
Mega-User
Mega-User
Beiträge: 196
Registriert: So, 04.06.06, 19:30
Wohnort: Bayern

Fr, 06.04.07, 20:30

Das Teil klingt ja echt genial. Ich habe mir mal die Beschreibung & Beschaltung bei "ti" angesehen. Klingt relativ easy. Mit einer passenden IC-Fassung kann man das Teil evtl. auch als Grobmotoriker belöten. Mal sehen ob ich an einige Muster komme...
martin160257
Mega-User
Mega-User
Beiträge: 211
Registriert: Mo, 27.11.06, 21:54
Wohnort: Arnsberg
Kontaktdaten:

So, 08.04.07, 16:17

Hat schon jemand Schaltungsbeispiele gefunden, würde mich interessieren auch ist ein Prinzipschaltbild wichtig um etwas damit zu basteln.
Werde mich nach den Feiertagen mehr damit beschäftigen.
Frohe Ostern noch an Alle Bastler
Benutzeravatar
Qs'Tree
Mega-User
Mega-User
Beiträge: 196
Registriert: So, 04.06.06, 19:30
Wohnort: Bayern

So, 08.04.07, 19:12

Eine Spezifikation zum TPS61200, inkl. Prinzipschaltung und Erläuterungen, findet man unter:

http://focus.ti.com/lit/ds/symlink/tps61200.pdf (811KB)

Da das Teil allerdings brandneu ist, gibt es aktuell nur Muster bei TI. Alle anderen Lieferanten haben die Teile noch nicht auf Lager. Die Mindestabnahme-Menge beträgt 250 Stück zu $1,85/Stück. :shock:
Die Lieferzeit beträgt rund 20 Wochen. Es gibt etliche Distributoren in Deutschland, ob die die Teile allerdings auch einzeln verkaufen müßte erst angefragt werden.
Eine Liste findet ihr unter:

http://focus.ti.com/docs/general/distri ... regionId=3

Wie gesagt, ich versuche mal bei TI an einige Muster zu kommen, sollte jemand an mehrere Muster kommen, ich habe grooooßes Interesse an mind. 10 Stück. Zahle auch gerne einige Euronen, solange ich keine 200 Stück kaufen muß :wink:

So gesehen ist das Teil ein erweiterter Step-Up-Konverter. Sorge macht mir die Größe von nur ca. 3x3mm. Da braucht es schon gute SMD-Löterfahrung. Weiterhin wird eine Kühlung empfohlen :!:

Kennt evtl. jemand vergleichbare, nicht SMD-Bauteile? Würde gerne mal einige meiner Solarleuchten damit testen

greetz
Qs'Tree
martin160257
Mega-User
Mega-User
Beiträge: 211
Registriert: Mo, 27.11.06, 21:54
Wohnort: Arnsberg
Kontaktdaten:

Di, 10.04.07, 13:50

Warum müssen alle Datenblätter in englisch sein selbst wenn die Firmen in Deutschland arbeiten?
Bin leider nicht besonders bewandert und kann damit nicht viel anfangen. Die Spezifikationen bekomme ich gerade noch so zusammen, aber bei den Diagrammen und Bauteilberechnungen wird es kritisch.
Ist das auch in deutsch zu bekommen????
Würde gern auch mit dem Teil experimentieren.
Z.B. Eine zweistufige Spannungserhöung,
in der ersten Stufe die 0,55V einer Solarzelle auf 1,6V erhöen um eine Akkuzelle zu laden.
und dann wenn kein Potenzial mehr von der S-Zelle kommt die Akku-Spannung wieder über den
selben Baustein auf die für die LED nötige Spannung erhöen.
Es müßten dafür einige Anschlüsse umgeschaltet werden.
Ob so etwas möglich ist????? mit einem Wandler eine zweistufige Schaltung aufbauen???
Wollte dann 5-6 LEDs mit je 35mA dranhängen.
Die Spezialisten hier sollten mal Ihre grauen Zellen mit diesem Problem beschäftigen.
Würde mich sehr freuen wenn das klappen würde.

EDIT:
Habe gerade mal geschaut nach umschaltmöglichkeiten z.b. mit DIL Reed Relais.
Aber die Dinger sind ja 2-4mal teurer als wenn ich einen zweiten Wandler nehme,
und erfordern noch eine in dieser Schaltung nicht vorhandene Versorgungsspannung von 5V und und und!!!
Also unrentabel fazit einen zweiten Wandler rein entweder den gleichen oder den 4401 je nach Preis.
Zuletzt geändert von martin160257 am Mi, 11.04.07, 19:09, insgesamt 1-mal geändert.
martin160257
Mega-User
Mega-User
Beiträge: 211
Registriert: Mo, 27.11.06, 21:54
Wohnort: Arnsberg
Kontaktdaten:

Mi, 11.04.07, 19:08

Hat schon mal jemand eine Leistungsbilanz durchgemessen,
Welche Eingangsleistung (Z.B. eine Solarzelle mit 1Watt Leistung)
erzeugt welche Akkuleistung bei welcher Ladezeit (Z.B. 6Stunden laden [Winter]) 6Wh oder nur 4Wh
ich schätze eher 4Wh da der Wandler mit effektiv 80% arbeitet und im Akku sind nochmal geschätzt
der gleiche Verlust ergibt dann eine Leistung die etwa 2/3 der Eingangsleistung entspricht.
Also in der ersten Stufe schon ca. 33%Verlust.
Und dann die zweite stufe die auch sicher nicht viel effektiver ist schätze ich.
Dann komme ich auf etwa 2,5 Wh an der oder den LEDs.
Bei 4LED mit je 130mW komme ich auf 5 Std leuchtdauer. Bei 3LEDs etwa 6,5 Std.
Also wer da genauere Wehrte oder Leistungsbilanzen hat möge die Bitte uns Allen mitteilen.
Würde mich wundern wenn ich mit meinen Schätzungen so falsch liegen würde.
pokermants
User
User
Beiträge: 12
Registriert: Di, 18.07.06, 11:17

Fr, 13.04.07, 22:27

Servus liebe Solarfreunde!

Basierend auf die letzte erneuerte Schaltung von Qs'Tree habe ich jetzt mal einen Solarstein umgebaut.
Der Solarstein ist im Bauhaus von der Firma Ranex für 9,95 Euro gekauft worden.
Er ist ursprünglich auf 2 Akkus 600 mAh mit 3 LEDs ausgelegt.
Ich habe die Schaltung von Qs'Tree zusammen mit drei Ansmann Akkus 2700 mAh eingebaut.
Zudem verwende ich LEDs 20000 mcd von REVOART. Die Solarzelle im Stein liefert erstaunlicherweise 5,5 Volt bei voller Sonneneinstrahlung, so dass ich diese gar nicht austauschen musste und weiterverwende.
Das Ergebnis seht Ihr in den drei Bildern. Sicherlich ist es hier wieder schwer Bilder davon zu machen, aber wenn man alle drei Bilder wirken lässt, kann man sich vorstellen wie geil das am Ende in Echt aussieht.
Jetzt wird der Garten ausgeleuchtet *grins*
Bleibt mir vorerst nur wieder eins noch zu sagen: Vielen Dank Qs'Tree für die Weiterentwicklung der Schaltung!
727_kIM000009_1.jpg
727_kIM000009_1.jpg (10.17 KiB) 120761 mal betrachtet
727_kIM000010_1.jpg
727_kIM000011_1.jpg

Viel Spaß weiter beim Solar bauen!
Benutzeravatar
Qs'Tree
Mega-User
Mega-User
Beiträge: 196
Registriert: So, 04.06.06, 19:30
Wohnort: Bayern

Sa, 14.04.07, 11:20

@pokermants:
Das mit der Solarzelle haut mich jetzt echt um. Warum liefert das Teile 5.5V? Ich habe immer gedacht, dass die Billigfunzeln aus den Baumärkten nur "billige" monokristalline Solarzellen mit rund 0,5V eingebaut haben. Diese Spannung würde dann via Lowcost-Spannungwandler hochgefahren. Siehe dazu auch

http://www.ing-pfenninger.ch/dcwand.html

Der Umbau des LED-Steins ist richtig gut gelungen. 8)
Hast du schon Erfahrungswerte zu der Akku-Standzeit, bzw. wie gut die Akkus geladen werden? Wenn die Akkus nämlich voll waren, dann funzt die Lampe auch ohne Nachladung gute 45 Stunden und dann gehen die Lichter aus.

Die Fa. Hupra hat günstigere Solarzellen als die Fa. Conrad im Sortiment. Ist schon lustig, wenn im Datenblatt beim großen "C" plötzlich die Internetdresse von Hupra auftaucht :D :D :D

http://www.hupra.com/Monokristaline_Solarzellen.htm

Leider ist der Server von Hupra z.Z. offline. Darum hier ein kurzer Auszug der Varianten, Daten und Kosten.

Nennspg. (V) / max.Stromabg.(A) / Abm.(mm)EUR/St.
0,58 / 2,100 / 100mm 6.50
0,58 / 1,750 / 82x82mm 6.50
0,58 / 2,600 / 100x100mm 7.50
0,58 / >0,07 / 9x25 mm 1.40
0,58 / >0,10 / 20x20mm 1.80
0,58 / >0,18 / 20x40mm 2.70
0,58 / >0,36 / 40x40mm 3.40
0,58 / >0,65 / 50x50mm 3.60
0,58 / >1,30 / 50x100mm 4.00
0,58 / >0,45 / ¼ von 100mm 2.80
0,58 / >1,00 / ½ von 100mm 3.50

Ich werde mich jetzt auch mal mit dem Step-Up-Wandler LT1073 beschäftigen. Der liefert 5V Ausgangsspannung bei einer Eingangspannung von gerade mal 1,25V und man bricht sich nicht die Finger beim Löten, da er in einem schönen DIP8-Gehäuse steckt. Also keine unlösbare Löt-Aufgabenstellung wie beim TPS61200 (Gehäuse 3 x 3 mm) und keine Problem mit der Wärmeabfuhr.

greetz
Qs'Tree
martin160257
Mega-User
Mega-User
Beiträge: 211
Registriert: Mo, 27.11.06, 21:54
Wohnort: Arnsberg
Kontaktdaten:

Sa, 14.04.07, 15:19

hallo Qs'Tree
Du hast da etwas die Schaltstufen vertauscht.
Eine einzelne Solarzelle liefert wie Du richtig bemerkt hast bis zu 0,55V
man rechnet mit 0,5 die sind nur mit einem Spezial-Wandler etwa dem TPS61200
auf eine Spannung zu bekommen um eine Akkuzelle zu laden. Das tun sich die
Hersteller von Billigteilen nicht an. Die gehen her und schneiden eine Solarzelle
in kleine Streifen von etwa 30-50mm mal 2,5-5mm und schalten die in Reihe um
die Spannung höher zu bekommen. Meistens 4 mal um auf etwa 2 Volt zu kommen die
dann noch über eine Diode gesperrt werden gegen Rückstrom dann erhalten sie etwa 1,4V
um die Akkuzelle zu laden. Die billigsten Teile liefern dann max.
2,2V bei 20mA entspricht etwa 40mWatt.
Bei 10Std. ladezeit und optimaler Sonne wird ein Akku mit 200mAh geladen.
eine 0/8/15 LED weiss mit 20mA braucht dann aber die 3fache Spannung.
Und dafür wird dann ein Billigwandler aufgebaut mit Kondensator, der dann 50%
der angesammelten Leistung verbrät. Im Akku sind auch schon 20-30% Ladeverluste
zusammengerechnet hat so ein Billigteil etwa 2/3 Verlust.
Trozdem kommen die bei obiger Rechnung von 10 Std Ladezeit und optimaler Sonnen-
einstrahlung auf etwa 4-5Std. leuchten.
Wenn man da eine 16000mC LED mit 35mA reinhängt ist die nach gut einer Std. aus!!!

Einzig gescheite Lösung eine grössere Solarzelle nehmen und dann einen gescheiten
Wandler etwa den 4401 dahinter oder auch die hier im Forum gezeigten Lösungen, die
zugegeben sehr gut sind.
Fazit was vorne nicht rein kommt (Solarzelle) kann hinten nicht bewirken (LED Leuchtzeit+Leuchtkraft)
Benutzeravatar
Qs'Tree
Mega-User
Mega-User
Beiträge: 196
Registriert: So, 04.06.06, 19:30
Wohnort: Bayern

Sa, 14.04.07, 22:20

Jow, das mit den Solarzellen hab ich kapiert! :wink:

Ich hab ja auch einiges mit dem 4401 versucht, bin aber nicht wirklich weiter gekommen, da in meiner Schaltung der Wandler permanent Strom gezogen/verbraten hat (auch bei Tag und Sonneneinstrahlung). Dadurch war der Akku abends nahezu leer, obwohl den ganzen Tag die Sonne auf die Solarzelle gebrannt hat. :x

Ich würde gerne mit einer etwas kleineren Solarzelle (so ca. 50x50mm) und einem 1,2V Akkus arbeiten und dann via dem 4401 eine superhelle LED oder eine 10mm LED (4x1 Chip-Technik mit 80mA) betreiben, leider hab ich dazu bis dato noch keinen Schaltplan.

Wie bekomme ich den PR4401 tagsüber spannungsfrei ???
Gleiches gilt für den LT1073, der ist vergleichbar mit dem 4401, hat aber den Vorteil, dass man in besser belöten kann, da er in einem schönen, alten DIP8-Gehäuse steckt. Einfach eine 8-Pin-IC-Fassung und gut is. :wink:
martin160257
Mega-User
Mega-User
Beiträge: 211
Registriert: Mo, 27.11.06, 21:54
Wohnort: Arnsberg
Kontaktdaten:

Sa, 21.04.07, 15:06

Dann währe der MAX 1797 das richtige für Dich.
Schau Dir diese Seite mal an.

http://www.wilke.de/guntherspage/view.p ... jectID=890

Ist zwar auch klein aber mit Füsschen zum löten.
Nur bekommen muß man den.
Habe schon eine Anfrage laufen, werde dann weiter melden was damit ist.
Antworten