LED Fading

Hier werden Fragen zu LED-Grundlagen beantwortet...

Moderator: T.Hoffmann

Borax
Star-Admin
Star-Admin
Beiträge: 12243
Registriert: Mo, 10.09.07, 16:28

Di, 20.04.21, 18:13

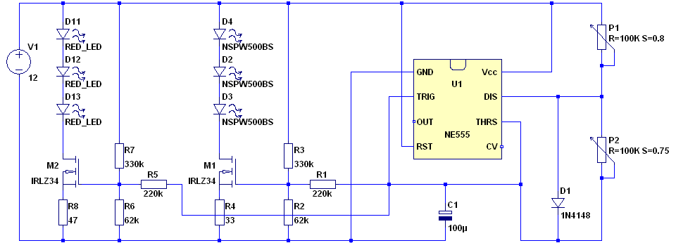
An R2 kann keine Spannung anliegen, wenn R2 nur zwischen Gate und Masse angeschlossen ist...
mershadies
User
User
Beiträge: 16
Registriert: Fr, 16.04.21, 23:56

Di, 20.04.21, 18:19

Ja irgendetwas stimmt nicht. Zur Kontrolle hab ich den mosfet mal umgedreht, dann sind die leds aus.
Wenn ich R2 kleiner mache blinkt die led nicht mehr. Wenn ich R2 entferne blinkt sie wieder. Wenn R2 größer wird blinkt sie auch.
Ich hab jetzt schon so viel ausprobiert, vllt liegt es ja doch an den knopfzellen.
Vllt auch am mosfet, weil es diese andere Variante ist. Ich fische im Trüben.
mershadies
User
User
Beiträge: 16
Registriert: Fr, 16.04.21, 23:56

Di, 20.04.21, 18:38

Borax hat geschrieben: Di, 20.04.21, 18:13 An R2 kann keine Spannung anliegen, wenn R2 nur zwischen Gate und Masse angeschlossen ist...
Die Masse von R2 hab ich von pin1 vom ic. Den anderen Draht vom Widerstand hab ich auf pin2.
Ok, bin jetzt direkt am gate und an Masse. Ich weiß nicht warum, aber da messe ich die og Spannung.
R1 ist noch weg aus der Schaltung.
Borax
Star-Admin
Star-Admin
Beiträge: 12243
Registriert: Mo, 10.09.07, 16:28

Di, 20.04.21, 18:56

Vllt auch am mosfet, weil es diese andere Variante ist
Glaube ich nicht.

Bitte nochmal genau prüfen, ob der Mosfet richtig angeschlossen ist (alle Verbindungen zum Rest der NE555 Schaltung trennen - sprich R1 bleibt draußen).
Wenn man auf die Beschriftung schaut und die Anschlüsse unten sind, dann ist Links das Gate, in der Mitte Drain und Rechts Source.
Siehe z.B.: https://www.homofaciens.de/technics-phy ... ETs_ge.htm

Dann testen:
Nur R2 einsetzen (sagen wir mal 120K): Da darf an R2 keine Spannung messbar sein und die LEDs müssen aus sein.
R2 und R3 einsetzen mit R2 = 120K und R3 = 120K
Jetzt müssen die LEDs leuchten und an R2 etwa 6V anliegen. Dann mal langsam R2 verkleinern (oder R3 vergrößern) und nachprüfen, ob die LEDs dann dunkler werden.
mershadies
User
User
Beiträge: 16
Registriert: Fr, 16.04.21, 23:56

Di, 20.04.21, 20:17

Borax hat geschrieben: Di, 20.04.21, 18:56
Vllt auch am mosfet, weil es diese andere Variante ist
Glaube ich nicht.

Bitte nochmal genau prüfen, ob der Mosfet richtig angeschlossen ist (alle Verbindungen zum Rest der NE555 Schaltung trennen - sprich R1 bleibt draußen).
Wenn man auf die Beschriftung schaut und die Anschlüsse unten sind, dann ist Links das Gate, in der Mitte Drain und Rechts Source.
Siehe z.B.: https://www.homofaciens.de/technics-phy ... ETs_ge.htm

Dann testen:
Nur R2 einsetzen (sagen wir mal 120K): Da darf an R2 keine Spannung messbar sein und die LEDs müssen aus sein.
R2 und R3 einsetzen mit R2 = 120K und R3 = 120K
Jetzt müssen die LEDs leuchten und an R2 etwa 6V anliegen. Dann mal langsam R2 verkleinern (oder R3 vergrößern) und nachprüfen, ob die LEDs dann dunkler werden.
Ok, kann ich so bestätigen. Spannung bei 5,6v schwankend. R3 auf 150k und die leds sind sehr dunkel.
mershadies
User
User
Beiträge: 16
Registriert: Fr, 16.04.21, 23:56

Di, 20.04.21, 21:30

Juchuuu :) jetzt klappt es. Ich hatte die Widerstände falsch auf dem Brett gesetzt.

Mit R1 220k, R3 raus und R2 100k faden die leds wie eine eins! Klasse, echt klasse.

Der Hinweis das R2 keine Spannung haben kann hat geholfen. Vielen Dank Borax!
Borax
Star-Admin
Star-Admin
Beiträge: 12243
Registriert: Mo, 10.09.07, 16:28

Mi, 21.04.21, 07:19

Na also :D Gratuliere zum Schaltungserfolg!
mershadies
User
User
Beiträge: 16
Registriert: Fr, 16.04.21, 23:56

So, 27.02.22, 22:47

Schönen guten Abend, wo sind denn die ganzen Bilder hin? ich habe mein Projekt eine Weile ruhen lassen und wollte jetzt weitermachen, aber leider habe ich mir keine Aufzeichnungen gemacht, sodass ich die Schaltung auf dem Brett nicht mehr aufbauen kann. Und meine bestückte Platine funktioniert warum auch nicht mehr (aber sie tat es!).

Beste Grüße
Borax
Star-Admin
Star-Admin
Beiträge: 12243
Registriert: Mo, 10.09.07, 16:28

Mi, 02.03.22, 09:52

Beim letzten Forum Update sind ca. 90% aller Bilder kaputt gegangen. Ich fürchte mal irreparabel.
Ich wäre durchaus bereit dir wieder ein paar der Bilder hier anzuhängen. Aber ich werde nicht meine 10000 Beiträge reparieren.
mershadies
User
User
Beiträge: 16
Registriert: Fr, 16.04.21, 23:56

Mo, 07.03.22, 15:09

Ach Du meine Güte, das ist echt heftig und tut mir leid.
Damit würdest Du mir sehr helfen, damit ich auf Fehlersuche gehen kann.
Sind die Bilder denn woanders noch existent, also gibt es die Dateien noch?
Viele Grüße
Borax
Star-Admin
Star-Admin
Beiträge: 12243
Registriert: Mo, 10.09.07, 16:28

Di, 08.03.22, 09:10

Auf meiner Festplatte schon...
NE555_LED_Fader7.png
NE555_LED_Fader7.png (23.78 KiB) 5704 mal betrachtet
NE555_LED_Fader8.png
NE555_LED_Fader8.png (16.96 KiB) 5704 mal betrachtet
mershadies
User
User
Beiträge: 16
Registriert: Fr, 16.04.21, 23:56

Di, 08.03.22, 14:00

oh super! vielen vielen Dank! ich werde mich dann mal wieder einfuchsen und mich auf Fehlersuche begeben.
Antworten