LEDs an 12V (Gemischte Schaltung)

Hier werden Fragen zu LED-Grundlagen beantwortet...

Moderator: T.Hoffmann

SybilleBuettner
Mini-User
Beiträge: 1
Registriert: Do, 09.08.12, 15:10

Do, 09.08.12, 15:14

Vielen Vielen Dank!!! Jetzt dachte ich das wär die Endlossuche aber nein =)

Mfg,

Sybille
Benutzeravatar
Romiman
Moderator
Beiträge: 1092
Registriert: Mi, 09.02.05, 00:08
Wohnort: (Niedersachsen)

Fr, 10.08.12, 18:57

Borax hat geschrieben:... Schaltung mit dem LM 2940 ist die mit konstanter Spannung....
Der LM 2940 ist ja mit 0,6V Drop angegeben. Das müßte doch bedeuten, daß die Schaltung mit ihm ab 12,6V Eingangsspannung die vollen 12V bereitstellen kann.?
Borax
Star-Admin
Star-Admin
Beiträge: 12243
Registriert: Mo, 10.09.07, 16:28

Fr, 10.08.12, 19:27

Maximal... Wenn Du weniger als 1A Strom brauchst, sinkt der Drop noch weiter ab. Bei z.B. 0.5A sind sogar nur 12.3V erforderlich, um die vollen 12V stabil zur Verfügung zu stellen.
Auszug aus dem Datenblatt (http://www.reichelt.de/index.html?;ACTI ... 523NSC.pdf):
LM2940_Drop.png
LM2940_Drop.png (14.42 KiB) 81811 mal betrachtet
Beim Lesen des Datenblatts ist mir allerdings noch aufgefallen, dass sehr viel Wert auf den Ausgangskondensator gelegt wird. Also sollte man dem LM2540 sicherheitshalber doch einen 'spendieren'. Dieser wäre ideal für Auto-Einbau (wegen ggf. niedrigen Temperaturen): http://www.reichelt.de/Tantal-Kondensat ... ICLE=20343
Benutzeravatar
Romiman
Moderator
Beiträge: 1092
Registriert: Mi, 09.02.05, 00:08
Wohnort: (Niedersachsen)

Sa, 11.08.12, 12:38

Das wirft 3 neue Fragen auf:
1. Wie würde der Kondensator verschaltet werden müssen?
2. Braucht er auch noch einen Drop für sich selbst?
3. Was könnte schlimmstenfalls passieren, wen man ihn wegläßt?
Borax
Star-Admin
Star-Admin
Beiträge: 12243
Registriert: Mo, 10.09.07, 16:28

Sa, 11.08.12, 15:53

1. Habe das Bildchen in diesem Beitrag entsprechend angepasst: viewtopic.php?p=159924#p159924
2. Nein.
3. Instabilität. Sprich möglicherweise erreicht er die 12V doch nicht ganz, oder gerät ins Schwingen (dann schwankt die Spannung z.B. zwischen 10V und 12V). Vermutlich aber nur bei wechselnder Last.
=> Ich würde die 0.3€ investieren. Bei normalen Temperaturen (>-10°) reicht aber auch ein Standard-Elko mit 22µF oder mehr und mind. 16V Belastbarkeit.
Phill206RC
User
User
Beiträge: 18
Registriert: Mo, 11.06.12, 16:53

Mo, 13.08.12, 17:49

Hallo alle zusammen,

gut das ich ab und zu nochmal hier ins Forum gucke sonst hätt ich die neue Änderung wahrscheinlich gar nicht bemerkt.

Eine Sache hab ich da noch ich bin mit meiner Planung soweit das ich jetzt die genau Anzahl der LEDs weiß die leider etwas Höher ist als zuerst gedacht es handelt sich um genau 154 LEDs (151 Sorte: http://www.leds.de/Low-Mid-Power-LEDs/L ... -3-1V.html
und 3 der Sorte: http://www.leds.de/Low-Mid-Power-LEDs/L ... -3-1V.html).

Dadurch gibt es jetzt folgendes Problem, das ich den von euch vorgeschlagenen Spannungsregler LM 2940 CT12(http://www.reichelt.de/ICs-LM-2000-LM-2 ... &OFFSET=16&) nicht verwenden kann weil ich wenn ich mich nicht irre über 1A komme.
Jetzt hatte ich mir schon überlegt einfach 2 Stromkreise zu machen und somit auch 2 Spannungsregler zu verwenden oder habt ihr eine bessere Idee ?

Nur nochmal zur Vollständigkeit und Kontrolle das ich nix falsch machen für die blauen LEDs brauch ich bei 3 in Reihe geschalteten Leds einen Vorwiederstand von 100 Ω und bei den Weißen auch 3 in Reihe geschaltet einen Vorwiederstand von 82 Ω.
Aso und was ich noch wissen wollte, ich hab die Wiederstände der LEDs jetzt nach dem höchsten Strom berechnet (30mA) weil sie dort eine Lichtstärke von 10000mcd haben und meine Frage ist jetzt ob es schonender für die LEDs ist wenn ich sie nur mit 20mA berechne? Dadurch sind sie dann aber auch dunkler oder?
Benutzeravatar
Beatbuzzer
Auserwählter
Auserwählter
Beiträge: 3177
Registriert: Fr, 17.08.07, 11:02
Wohnort: Alfeld / Niedersachsen
Kontaktdaten:

Mo, 13.08.12, 19:03

Phill206RC hat geschrieben: Aso und was ich noch wissen wollte, ich hab die Wiederstände der LEDs jetzt nach dem höchsten Strom berechnet (30mA) weil sie dort eine Lichtstärke von 10000mcd haben und meine Frage ist jetzt ob es schonender für die LEDs ist wenn ich sie nur mit 20mA berechne? Dadurch sind sie dann aber auch dunkler oder?
Die sollen alle immer noch in den Himmel im Auto?
Da würde ich mal ernsthaft überlegen, ob ich mit dem Strom überhaupt über 10 mA gehe. Das sollen ja schließlich Sterne sein und keine Sonnen.
Zum Thema Schonung würde ich bei den No-name LEDs eh nicht über 20mA gehen, wenn sie richtig lange mit guter Leuchtkraft halten sollen. Nicht vergessen, dass da im Himmel auch mal hohe Temperaturen herrschen und dann wirds nochmal ne ganze Ecke kritischer.
Borax
Star-Admin
Star-Admin
Beiträge: 12243
Registriert: Mo, 10.09.07, 16:28

Di, 14.08.12, 07:53

Da würde ich mal ernsthaft überlegen, ob ich mit dem Strom überhaupt über 10 mA gehe.
Sehe ich auch so. Nur mal als Überlegung:
Ein voll ausgereizter LM2940 liefert 12W (12V und 1A). Wenn man die Effizienz der LEDs mal mit 4 facher Halogen-Effizienz ansetzt, entspräche das fast 50W, also grob gesagt die Lichtleistung eines Standard-Scheinwerfers (eine normale H4 hat 55W). Das sind keine Sterne sondern Flutlicht! Rein schauen kann man da auch nicht, das blendet dermaßen, dass Du sofort die Augen zu machst...
Anzeige-LEDs (also solche wo man direkt drauf schaut) werden meist mit nur 2mA betrieben (eben weil es sonst blendet).
Phill206RC
User
User
Beiträge: 18
Registriert: Mo, 11.06.12, 16:53

Di, 14.08.12, 15:51

Beatbuzzer hat geschrieben:Die sollen alle immer noch in den Himmel im Auto?
Da würde ich mal ernsthaft überlegen, ob ich mit dem Strom überhaupt über 10 mA gehe. Das sollen ja schließlich Sterne sein und keine Sonnen.
Zum Thema Schonung würde ich bei den No-name LEDs eh nicht über 20mA gehen, wenn sie richtig lange mit guter Leuchtkraft halten sollen. Nicht vergessen, dass da im Himmel auch mal hohe Temperaturen herrschen und dann wirds nochmal ne ganze Ecke kritischer.
Danke erst mal für die Antworten.
Ja es dreht sich immer noch um den besagten Himmel.
Was würdet Ihr mir für welche empfehlen die für meinen Himmel passend sind die man aber auch bei nicht völliger Dunkelheit an machen kann und sie sieht.
Ich hab auch schon daran gedacht einfach nen Dimmer mit ein zu bauen um dem Problem mit dem Blenden aus dem Weg zu gehen weiß aber nicht ob das so einfach möglich ist.

Hab gerade mal geguckt und diesen Dimmer hier gefunden (http://www.leds.de/LED-Zubehoer/Strom-u ... ram=dimmer) und jetzt stellt sich mir die Frage ob ich dann überhaupt noch einen Spannungsregler benötige wenn ich ehh die Spannung über den Dimmer regle???
Borax
Star-Admin
Star-Admin
Beiträge: 12243
Registriert: Mo, 10.09.07, 16:28

Di, 14.08.12, 17:50

Den Spannungsregler brauchst Du trotzdem, der Dimmer regelt nicht die Spannung (oder den Strom), sondern schaltet die LEDs nur unterschiedlich lange ein bzw. aus. Das tut er aber so schnell, dass Du es als 'gleichbleibende' Helligkeit wahrnimmst.
Den Hochleistungsdimmer brauchst Du aber nicht, dieser hier: http://www.leds.de/LED-Zubehoer/Strom-u ... xid-7.html tut es locker. Der Dimmer kommt dann zwischen den Spannungsregler und die LEDs (also quasi hinter dem Kondensator - siehe diesen Anschlussplan: http://www.leds.de/out/media/Anschluss_Dimmer.jpg - Pin4 und Pin2 sind dann die Leitungen die zu den Led-Strängen mit ihren Vorwiderständen führen). Die Vorwiderstände dann so auslegen, dass etwa 17mA pro Strang fließen also 180 Ohm. Das ist (ungedimmt) mit Sicherheit hell genug um kräftig zu blenden, aber auch gut im 'Sicherheitsbereich' der LED und des Spannungsreglers, so dass auch nichts überlastet werden kann...
Phill206RC
User
User
Beiträge: 18
Registriert: Mo, 11.06.12, 16:53

Do, 16.08.12, 14:03

kann ich dann trozdem noch den spannungsregler (http://www.reichelt.de/ICs-LM-2000-LM-2 ... &OFFSET=16&) verwenden oder brauch ich selbst bei 17 mA und 154 LEDs einen mit mehr als 1A
Borax
Star-Admin
Star-Admin
Beiträge: 12243
Registriert: Mo, 10.09.07, 16:28

Do, 16.08.12, 15:05

Den kannst Du nehmen (sonst hätte ich Dir was anderes empfohlen). 154/3 = 51,3 (Du solltest besser 'nur' 150 blaue LEDs verwenden - 151 ist nicht durch 3 teilbar) und 17mA*52 Stränge = 884mA. Das ist mehr als 10% unter der max. Leistung des LM2940 und daher unproblematisch. Du solltest aber noch einen kleinen Kühlkörper vorsehen... Bei einer max. Spannung von 14.4V würden ja 2.4V*1A = 2.4W am LM2940 hängen bleiben. Ein Stück Alu Blech reicht, ansonsten z.B. so was: http://www.reichelt.de/U-Kuehlkoerper/V ... nr=V+5616X
Phill206RC
User
User
Beiträge: 18
Registriert: Mo, 11.06.12, 16:53

Sa, 18.08.12, 09:07

alles klar Dankeschön

ich wollte mir eben die Teile von der Seite (http://www.reichelt.de/index.html?SID=1 ... 2;ACTION=0;) bestellen und habe festgestellt das es einen Mindestbestellwert von 10 Euro gibt und den würde ich nicht erreichen auch wenn ich mir noch nen bisschen was anderes bestelle und da wollt ich fragen ob irgendwer da in naher Zukunft mal was bestellt und meine Teile einfach mit bestellt und mir dann per Post zu schickt ich würde ihm dann auch das Geld (+Brief und Briefmarke) überweisen.
Raffy98
Mini-User
Beiträge: 2
Registriert: Fr, 21.09.12, 01:43

Fr, 21.09.12, 02:24

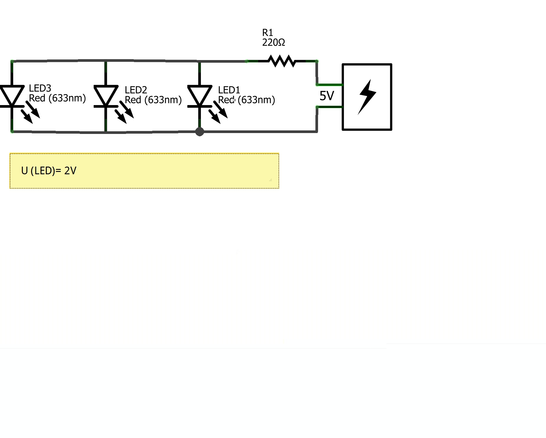
Hi ich häng mich hier einfach mal dran,, obwohl ich eine gemischte Schaltung mit 5V Versorgungsspannung als Ausgangspunkt für meine Frage habe:
gemischt_Schaltplan.jpg
Ich glaub schon das ich es verstanden habe, bin mir aber unsicher :wink: also dachte ich ich erkläre kurz die Schaltung und ihr sagt mir ob ich richtig liege!?

Da die LEDs parallel geschaltet sind, ist die Spannung da überall gleich (benötigte Spannung 2V...daraus resultiert das der Widerstand 3V fressen muß?).
Da der Widerstand in Reihe zur Parallelschaltung ist, kann ich doch den Gesamtstrom mit dessen Hilfe auf ein Maximum beschränken? Also ich möchte maximal 20 mA aus der Spannungsquelle entnehmen....U1 = R1 * I .... R1 = 3V / 0,02A .... R1 = 250ohm .... (220 ist nah dran deshalb hab ich ihn im Schaltbild verwendet)

Bekannt ist jetzt also U1=3V; R1=250 bzw 220 ohm; U2=2V;
Wenn jetzt alle LEDs an sind, teilt sich der Strom gleichmäßig auf die Drei auf? Also bekommt jede LED ca. 7mA?
Was wäre wenn unterschiedliche LEDs verwendet werden wie teilt sich dann der Strom auf?
Hans-Georg
Mega-User
Mega-User
Beiträge: 186
Registriert: Mi, 12.09.12, 07:24

Fr, 21.09.12, 06:34

Wenn jetzt alle LEDs an sind, teilt sich der Strom gleichmäßig auf die Drei auf? Also bekommt jede LED ca. 7mA?
Wenn alle drei LEDs die exakt gleiche Durchflußspannung besitzen, ja. Meistens sind jedoch die Durchflußspannungen
ein klein wenig verschieden, dann wird die LED mit der niedrigeren VDF etwas mehr Strom abbekommen
und ein bißchen heller leuchten als die anderen. Mach einfach einen Versuch und schau nach, ob sie unterschiedlich hell leuchten (wahrscheinlich nicht, wenn es 3 gleiche LEDs sind).
Was wäre wenn unterschiedliche LEDs verwendet werden wie teilt sich dann der Strom auf?
Eigentlich bist Du jetzt in der Lage, diese Frage selbst zu beantworten. Wenn Du Dir nicht sicher bist, mach einfach einen
Versuch und schau, was dabei herauskommt. :D

Gruß
Hans-Georg
Raffy98
Mini-User
Beiträge: 2
Registriert: Fr, 21.09.12, 01:43

Fr, 21.09.12, 10:46

Aber Grundsätzlich sind meine Überlegungen auch mit den Werten korrekt? haste das mal durchgerechnet?
Ich habe keinen Zweifel daran das es funktioniert ich will nur sicher gehen, das ich die Theorie verstanden habe, damit ich das auf zukünftige Projekte adaptieren kann!

LG
Benutzeravatar
R.Kränzler
Moderator
Beiträge: 1700
Registriert: Mo, 26.11.07, 08:49
Wohnort: Haigerloch

Fr, 21.09.12, 10:57

Ganz korrekt ist es nur, wenn die LED-Spannung (2 V) bei 7 mA ist, oder ist das der Wert bei einem typischen Strom von 20 mA?
Im Datenblatt der LED gibt es da normalerweise ein Strom-/Spannungs-Kennlinie, aus der man den entsprechenden Wert ablesen kann.
mosura11
User
User
Beiträge: 30
Registriert: Mo, 15.10.12, 22:47

Sa, 10.11.12, 17:01

Hallo zusammen -
ich bitte um Entschuldigung wenn ich dazwischen funke :oops:
ich trau mich nicht meine LED anzuschließen ohne Bestätigung der Richtigkeit.

Stimmt das so?
KSQ.jpg
Danke - Gruß
Peter
(habe keine andere Möglichkeit für meine schnelle Frage im Forum gefunden :| )
Loong

Sa, 10.11.12, 17:04

Die Poti-Anschlüsse vertauschen - sonst wird's beim Rechtsdrehen dunkler.

Ansonsten passt's.
mosura11
User
User
Beiträge: 30
Registriert: Mo, 15.10.12, 22:47

Sa, 10.11.12, 17:07

Perfekt :mrgreen:

Herzlichen Dank
Loong

Sa, 10.11.12, 17:21

Ich habe mich etwas unklar ausgedrückt: Weiß bleibt am mittleren Poti-Anschluß, blau dagegen muß an den linken Anschluß.
Ulli
User
User
Beiträge: 19
Registriert: So, 06.10.13, 19:07

So, 13.10.13, 14:50

Hallo,

sorry, das ich auch dazwischenfunke.

Funktioniert die Reihenschaltung der LEDs mit dem Widerstand, wie im Eingangsbeitrag, auch an einem altem 220V Klingeltrafo mit 8V Wechselstrom Ausgang? Natürlich auf 8V angepaßt.


Gruß Ulli
Benutzeravatar
Achim H
Star-Admin
Star-Admin
Beiträge: 13067
Registriert: Mi, 14.11.07, 02:14
Wohnort: Herdecke (NRW)
Kontaktdaten:

So, 13.10.13, 15:03

Leds benötigen eine Gleichspannung. Damit die Leds nicht flimmern, sollte auch ein Kondensator zum Glätten eingebaut werden.

Aus 8V AC werden nach dem Brückengleichrichter
8V AC x SQRT[2] - Spannungsabfall über 2 Gleichrichterdioden (2x ca. 0,7V) = ca. 9,9V DC.
Das reicht für max. 3 weiße Leds in Reihe (bei anderen Farben eventuell auch mehr).

Der Led-Vorwiderstand berechnet sich für eine Reihenschaltung mit 3 Leds wie folgt:
9,9V - 3x Led-Spannung
---------------------------- = Vorwiderstand [in Ohm]
Led-Strom [in Ampere]

Sollte ein krummer Wert heraus kommen, dann auf den nächstgrößeren Normwert aufrunden.

Widerstandsreihen E3 bis E96
In Shops erhältlich sind: E12 und E24, selten auch E48.

Wie hoch Vorwärtsspannung und Strom bei Deinen Leds sind, weiß ich nicht.
Einfach in obiger Rechnung einbauen.
Ulli
User
User
Beiträge: 19
Registriert: So, 06.10.13, 19:07

So, 13.10.13, 20:15

Hallo Achim,

danke für Deine Antwort. Aber da haste mir was vor den Kopf geknallt. Nun habe ich mich aber etwas eingelesen.

Ich dachte an 2 dieser LEDs als Dauerbeleuchtung für den Hausflur. Damit man Nachts nicht stolpert.
http://www.leds.de/Low-Mid-Power-LEDs/L ... -oxid.html

Kann ich nicht diesen fertigen Brückengleichrichter nehmen, anstatt der 2 Gleichrichterdioden?
http://www.conrad.de/ce/de/product/1407 ... -URRM-50-V

Und diesen Kondensator?
http://www.conrad.de/ce/de/product/4220 ... ndles&rb=1

Die Widerstandsberechnung für LED Serienschaltung habe ich ja schon die letzten Tage gelernt.


Gruß Ulli
Benutzeravatar
Achim H
Star-Admin
Star-Admin
Beiträge: 13067
Registriert: Mi, 14.11.07, 02:14
Wohnort: Herdecke (NRW)
Kontaktdaten:

So, 13.10.13, 21:02

Das mit den 2 Dioden hast Du falsch verstanden.
Im Brückengleichrichter sind 4 Dioden drin. Je nach Halbwelle (positiv oder negativ) sind aber immer nur 2 Stück aktiv. Für die Berechnung einer Gleichspannung wird entsprechend auch nur der Spannungsabfall über 2 Dioden mit einbezogen.

Einen Gleichrichter brauchst Du aber.
Dafür reicht auch dieser: http://www.conrad.de/ce/de/product/501433/

Einen 1000µF Kondensator brauchst Du aber nicht.
Beim Ausschalten würden die 2 angehängten Leds mehrere Sekunden lang nachleuchten, danach mehrere Minuten lang noch glimmen.
Wenn Du hier einen mit 330µF nimmst, dann ist der fett genug.
zum Beispiel: http://www.conrad.de/ce/de/product/445489/

Für die Berechnung des Led-Vorwiderstandes solltest Du einen mittleren Led-Strom nehmen.
Für einen max. Strom ist ein Vorwiderstand nicht genau genug.

Bei 60mA würdest Du aus den beiden Leds zusammen rund 40 Lumen heraus bekommen (entspricht einer 5 Watt Halogenlampe).
Antworten