Touggle - Schaltung mit CD4049
Moderator: T.Hoffmann
Hallo,
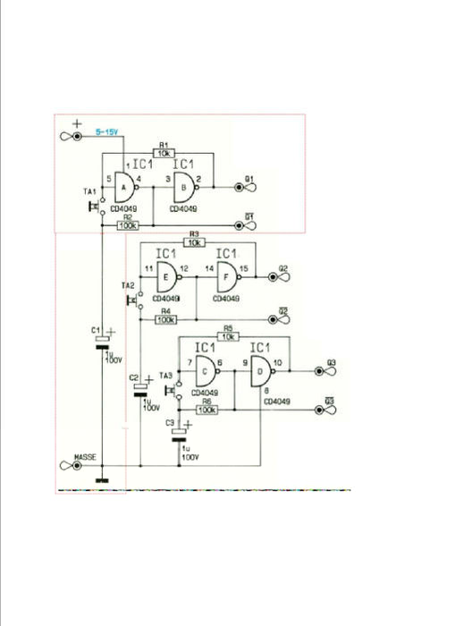
ich möchte gern den rot markierten Bereich u.st. Schaltung verwirklichen. Um zu probieren ob alles richtig läuft, habe ich 2 LED's angeklemmt.
Da es nicht klappt, habe ich mir den CD4049 bauteilgetreu mit den Verkabelungen aufgezeichnet und danach geklemmt...
...geht aber auch nicht. Kann jemand sehen, was ich falsch mache?
Die Spannung ist auf diese Art geglättet und eine Flipflop-Schaltung mit einem CD 4013 hat damit schon geklappt.
Der LED Widerstand ist zwar ziemlich groß, ich weiß, aber ich habe da erst mal nichts anderes- ging auch schon damit.
download/file.php?id=22213&mode=view
Vielleicht kann mir jemand helfen. Besten Dank.
Gruß
Karsten
PS: Ich habe schon ein ähnliches Touggle-Thema über 4 Seiten in diesem Forum. Der Übersichtlichkeit habe es noch mal als neues Thema erstellt.
ich möchte gern den rot markierten Bereich u.st. Schaltung verwirklichen. Um zu probieren ob alles richtig läuft, habe ich 2 LED's angeklemmt.
Da es nicht klappt, habe ich mir den CD4049 bauteilgetreu mit den Verkabelungen aufgezeichnet und danach geklemmt...
...geht aber auch nicht. Kann jemand sehen, was ich falsch mache?
Die Spannung ist auf diese Art geglättet und eine Flipflop-Schaltung mit einem CD 4013 hat damit schon geklappt.
Der LED Widerstand ist zwar ziemlich groß, ich weiß, aber ich habe da erst mal nichts anderes- ging auch schon damit.
download/file.php?id=22213&mode=view
Vielleicht kann mir jemand helfen. Besten Dank.
Gruß
Karsten
PS: Ich habe schon ein ähnliches Touggle-Thema über 4 Seiten in diesem Forum. Der Übersichtlichkeit habe es noch mal als neues Thema erstellt.
Hallo,
ich hab es jetzt mit einem anderen IC versucht. Nun geht's. Allerdings gehen beim Wechsel LED's nicht richtig aus.
Statt der LED's würde ich gern 12 V Relais ansteuern. Hab's auch probiert, aber es wird wohl nicht gehen, wenn immer noch ein Reststrom fließt.
Kann mir jemand weiterhelfen?
Gruß
Karsten
ich hab es jetzt mit einem anderen IC versucht. Nun geht's. Allerdings gehen beim Wechsel LED's nicht richtig aus.
Statt der LED's würde ich gern 12 V Relais ansteuern. Hab's auch probiert, aber es wird wohl nicht gehen, wenn immer noch ein Reststrom fließt.
Kann mir jemand weiterhelfen?
Gruß
Karsten
Nein. Sollte so funktionieren. Aber die Aussage 'geht aber auch nicht' ist nicht sehr aufschlussreich... Was passiert denn? Leuchtet gar nichts, oder beide oder eine oder...?...geht aber auch nicht. Kann jemand sehen, was ich falsch mache?
[EDIT]
Ok. Dann ist das ja schon mal geklärt. Wegen den Relais... Ich würde auf alle Fälle einen Schalttransistor als Treiber verwenden (das hat Du ja wohl auch schon mal hinbekommen). Und bei Relais immer an die Freilaufdiode denken.
Hallo Borax,
wie gesagt, der Strom ist nie ganz weg, bei der LED, welche aus sein soll. Bei einem Transistor reicht doch schon sehr wenig Basisspannung aus um durchzustarten. D.h. beide Relais würden dann doch anziehen. Ist es für das Bauteil typisch, dass ein Ausgang nie ganz "abschaltet"?
Gruß
Karsten
wie gesagt, der Strom ist nie ganz weg, bei der LED, welche aus sein soll. Bei einem Transistor reicht doch schon sehr wenig Basisspannung aus um durchzustarten. D.h. beide Relais würden dann doch anziehen. Ist es für das Bauteil typisch, dass ein Ausgang nie ganz "abschaltet"?
Gruß
Karsten
Hallo Borax,
also, ich bekomme nichts hin, was funktioniert. Ich kann nicht mal beurteilen ob der IC noch ganz ist. Nun hab ich noch 5 unberührte in der Verpackung. Folgende Frage: Kann ich dir alles, was ich habe in einer Warensendung zuschicken und du lötest mir an ein IC die 2 Relais, mit dem was dazwischen kommt, ran? Sag, was du kriegst. Ich glaube es ist die einzige Möglichkeit für mich damit weiter zu kommen.
Falls du deine Daten hier aus verständlichen Gründen nicht nennen möchtest, maile mir bitte.
spreewald-saxophon@arcor.de
Gruß
Karsten
also, ich bekomme nichts hin, was funktioniert. Ich kann nicht mal beurteilen ob der IC noch ganz ist. Nun hab ich noch 5 unberührte in der Verpackung. Folgende Frage: Kann ich dir alles, was ich habe in einer Warensendung zuschicken und du lötest mir an ein IC die 2 Relais, mit dem was dazwischen kommt, ran? Sag, was du kriegst. Ich glaube es ist die einzige Möglichkeit für mich damit weiter zu kommen.
Falls du deine Daten hier aus verständlichen Gründen nicht nennen möchtest, maile mir bitte.
spreewald-saxophon@arcor.de
Gruß
Karsten
Vielleicht eine einfache Ursache:
Unbenutzte Eingänge von CMOS Bausteinen sollte man nie offen lassen.
Die sind nämlich extrem hochohmig und spielen gerne 'Antenne' und
fangen sich irgendwelche Signale aus der Luft ein und dann oszilliert
das Ganze. Ergo: Die unbenutzten Pins 7,9,11,14 mit GND verbinden.
Unbenutzte Ausgänge bleiben selbstverständlich offen.
Unbenutzte Eingänge von CMOS Bausteinen sollte man nie offen lassen.
Die sind nämlich extrem hochohmig und spielen gerne 'Antenne' und
fangen sich irgendwelche Signale aus der Luft ein und dann oszilliert
das Ganze. Ergo: Die unbenutzten Pins 7,9,11,14 mit GND verbinden.
Unbenutzte Ausgänge bleiben selbstverständlich offen.
Ach komm, nicht gleich aufgebenalso, ich bekomme nichts hin, was funktioniert.
Das schaffst Du schon noch. Auftragsarbeiten mach ich nicht. Erst mal den Tipp von BMK beachten. Eigentlich sollten die einzelnen Inverter im CD4049 schon hinreichend voneinander abgekoppelt sein, aber 100% sicher ist es nicht.
Andere Frage...
Warum dann nicht einfach da weiter machen?eine Flipflop-Schaltung mit einem CD 4013 hat damit schon geklappt.
Hallo Borax,
Danke. Schade, ich hätte es wohl eher wissen müssen. Ist noch was wichtig? Die Teile sind langsam alle.
Mit den 4013 kann ich nicht weitermachen, die sind bestimmt auch schon kaputt.
Und andauernd neue Teile bestellen geht mehr in die Versandkosten als in die Teile.
Eine praktische Vorlage, wo man sieht, dass es überhaupt geht, würde mich schon mehr motivieren.
Gruß
Karsten
...mache ich normalerweise auch nicht, aber wenn schon 5 Dinger evt. kaputt sind. Wenn... wie prüft man die eigentlich?Ach komm, nicht gleich aufgeben
Die unbenutzten Pins 7,9,11,14 mit GND verbinden.
Danke. Schade, ich hätte es wohl eher wissen müssen. Ist noch was wichtig? Die Teile sind langsam alle.
Mit den 4013 kann ich nicht weitermachen, die sind bestimmt auch schon kaputt.
Und andauernd neue Teile bestellen geht mehr in die Versandkosten als in die Teile.
Eine praktische Vorlage, wo man sieht, dass es überhaupt geht, würde mich schon mehr motivieren.
Gruß
Karsten
Eigentlich gibt es da nicht. Man baut sie in die Schaltung ein und wenn die funktioniert, dann geht man einfach davon aus, dass sie ok sind.wie prüft man die eigentlich?
Wieso? Die Schaltung aus dem alten Thread hat doch funktioniert. Oder geht die jetzt nicht mehr und Du hast alle 4013 da rein gesteckt um zu prüfen ob einer davon vielleicht 'überlebt'?Mit den 4013 kann ich nicht weitermachen, die sind bestimmt auch schon kaputt.
Prinzipiell sind diese C-MOS ICs schon recht sensibel. Transistoren wären wesentlich weniger empfindlich. Vielleicht solltest Du es doch noch mal damit versuchen.
Hallo Borax,
Gruß
Karsten
Ja, mit LED's. Mit Transistoren hat in Emitterschaltfolge das bist. Relais nicht richtig durchgezogen. Dann habe ich es als Colectorschaltfolge gemacht und de Pole gewechselt und das war's. Dann hab ich nochmal die Sache mit LED's ohne Erfolg probiert, deshalb kaputt.Wieso? Die Schaltung aus dem alten Thread hat doch funktioniert.
hat das Teil zum Qualmen gebracht. Das war mal was ganz neues. Wieder eins weniger.Die unbenutzten Pins 7,9,11,14 mit GND verbinden.
Gruß
Karsten
und de Pole gewechselt und das war's
Dann bist Du anscheinend nicht vorsichtig genug (und hast Dich hier z.B. verzählt, oder irgendwo doch einen Ausgangspin mit einem Eingangspin verbunden und damit an Masse gelegt).Pins 7,9,11,14 mit GND verbinden...hat das Teil zum Qualmen gebracht.
Deine Idee aus dem vorigen Thread (mit dem 1.1K Widerstand) ist zunächst mal gar nicht so schlecht (üblicherweise schaltet man einen solchen Widerstand aber in die Plus-Leitung also zwischen +12V und die Schaltung, nicht zwischen Schaltung und Masse). Gegen Verpolen nützt das zwar auch nicht immer, aber prinzipiell ist so was zum ersten Testen immer hilfreich. Dann kann man an genau diesem Widerstand den Spannungsabfall messen und wenn der zu hoch ist, also z.B. 10V da dran hängen bleiben, obwohl keine oder nur eine sehr geringe Last (LEDs mit 2.2K Vorwiderstand) an der Schaltung hängt, dann erst mal prüfen, was falsch ist. Im nächsten Schritt diesen Widerstand auf z.B. 100Ohm reduzieren und wieder nachprüfen, ob alles so weit ok ist. Wenn an einem 100Ohm Widerstand bei 12V Eingangsspannung 1V 'hängen bleibt', fließen genau 10mA. Das würde für so eine Schaltung (ohne die Relais) noch passen. Wenn dagegen 10V dran hängen bleiben, fließen 100mA was dann bestimmt auf einen Kurzschluss o.ä. zurückzuführen ist. Aber für die Schaltung bleiben dann nur noch 2V übrig also nur 200mW Leistung, das überlebt meist auch ein CMOS IC. Erst wenn man sicher ist, dass die Schaltung so funktioniert wie sie soll, dann kann man den vollen Strom drauf geben und ggf. eine größere Last (wie z.B. die Relais) anschließen.
-
Loong
Ich denke, mit einem Stromstoßrelais wärst Du besser bedient gewesen...0karsten hat geschrieben:...mache ich normalerweise auch nicht, aber wenn schon 5 Dinger evt. kaputt sind.
-
Hans-Georg
- Mega-User

- Beiträge: 186
- Registriert: Mi, 12.09.12, 07:24
Vielleicht ist ein viel einfacherer Ansatz möglich:
Die beiden Relais sollen ja nur den Strom für die Weichen schalten. Normalerweise bekommen Weichen nur einen kurzen Stromimpuls damit sie umschalten können. Dann wäre überhaupt kein Flipflop nötig.
Welche Weichen benutzt Du? Etwa LGB-Weichen?
Gruß
Hans-Georg
Die beiden Relais sollen ja nur den Strom für die Weichen schalten. Normalerweise bekommen Weichen nur einen kurzen Stromimpuls damit sie umschalten können. Dann wäre überhaupt kein Flipflop nötig.
Welche Weichen benutzt Du? Etwa LGB-Weichen?
Gruß
Hans-Georg
Hallo-Hans Georg bzw. die anderen,
Sorry wegen der langen Pause, aber es lagen noch ndere Dinge an.
Ich hab nun nebenbei noch etwas anderes probiert, was ich sogar mal in Griff gekriegt habe.
Flipflop mit 3 monost. Relais. Hab 3 Subminirelais (oder wie die heißen) übereinandergelegt und die entsprechenden Pole verdrahtet. Sieht zwar nicht schön aus, aber tut, was ich will und nimmt nicht allzuviel Platz weg.
http://www.mikrocontroller.net/articles ... per_Taster
Da ich bei Benutzung von CD's wohl trotzdem mindestens zwei Relais brauchen werde (außer es geht mit Transistoren um die 14V in die Weichenspulen zu schießen... ), wird der Elektronikcluster wohl auch nicht viel geringer sein als jetzt.
Ich benutze Rocoweichen. Die sind selbstabschaltend. Richtig. Zum Schlaten brauchen die nur einen Impuls. Danach sollte die Stromverbindung unterbrochen sein, falls man die Weiche mal von Hand stellen will. Das erreiche ich momentan über mein erstes Schaltrelais, was vom Taster aus gesteuert wird.
Die Sache mit dem CD4049 haut nach wie vor nicht hin. 3 hab ich noch. Soll ich sie gleich wegschmeißen oder will sich jemand dran versuchen?
Gruß
Karsten
Sorry wegen der langen Pause, aber es lagen noch ndere Dinge an.
Ich hab nun nebenbei noch etwas anderes probiert, was ich sogar mal in Griff gekriegt habe.
Flipflop mit 3 monost. Relais. Hab 3 Subminirelais (oder wie die heißen) übereinandergelegt und die entsprechenden Pole verdrahtet. Sieht zwar nicht schön aus, aber tut, was ich will und nimmt nicht allzuviel Platz weg.
http://www.mikrocontroller.net/articles ... per_Taster
Da ich bei Benutzung von CD's wohl trotzdem mindestens zwei Relais brauchen werde (außer es geht mit Transistoren um die 14V in die Weichenspulen zu schießen... ), wird der Elektronikcluster wohl auch nicht viel geringer sein als jetzt.
Ich benutze Rocoweichen. Die sind selbstabschaltend. Richtig. Zum Schlaten brauchen die nur einen Impuls. Danach sollte die Stromverbindung unterbrochen sein, falls man die Weiche mal von Hand stellen will. Das erreiche ich momentan über mein erstes Schaltrelais, was vom Taster aus gesteuert wird.
Wie ohne und trotzdem mit einem Tastendruck?Dann wäre überhaupt kein Flipflop nötig.
Die Sache mit dem CD4049 haut nach wie vor nicht hin. 3 hab ich noch. Soll ich sie gleich wegschmeißen oder will sich jemand dran versuchen?
Gruß
Karsten
-
Hans-Georg
- Mega-User

- Beiträge: 186
- Registriert: Mi, 12.09.12, 07:24
Rocoweichen haben einen Doppelspulenantrieb (falls ich mich nicht irre). Damit würde meine Schaltung, die ich DirIch benutze Rocoweichen.
empfehlen wollte, leider nicht funktionieren.
Das Einfachste wäre, die Rocoweichen mit zwei Tastern anzusteuern (Die blauen Stellpulte meiner Märklineisenbahn
hatten solche Taster). Die ganzen Flip-Flop-Schaltungen haben ja den Nachteil, daß sie dauerhaft Strom an die
Weichenspulen legen. Das Flip-Flop müßte also zwei getrennte Monoflop-Ausgänge haben, um die Schaltimpulse
zu erzeugen. Das wäre mit erheblichem Aufwand an konventionellen ICs zwar möglich, aber kaum sinnvoll.
Mit einem µController wäre das ganz einfach zu realisieren, aber nur für jemanden, der sowieso Mikros programmiert,
sonst würde der Aufwand noch größer (IDE, Programmer, Sprache erlernen).
Was ist daran so schlimm, an Stelle EINES Tasters ZWEI zu benutzen?
Grübelnde Grüße
Hans-Georg
Hallo Hans-Georg,
Und, dass man die falsche Taste drücken könnte bei der nichts passiert. Bei nur einer Taste weiß man, dass man die richtige Weiche drückt. Die Weichenstellung kann immer nur die andere sein. Ich finde es konfortabler.
Es klappt, ich hab es so gemacht. Allerdings, wenn man den Netzstecker zieht ist, geht das zustandhaltende Relais in "Ruhe stellung" und beim "wiederreinstecken" kann es sein, dass man erst beim 2. "Tasten" den aktuellen Weichenstand hat (Nachteil). Das kriegt man bestimmt auch noch mit dem richtigen Aufwand gebacken, aber das ist mir erstmal egal.
Der Aufwand mit IC's/µController ist auch sehr hoch, gerade wenn man sich da erst reinarbeiten muß.
Gruß
Karsten
...daß die Tastatur doppelt so lang ist (die Tastatur möchte ich auch nicht gegen etwas anderes auswechseln).Was ist daran so schlimm, an Stelle EINES Tasters ZWEI zu benutzen?
Und, dass man die falsche Taste drücken könnte bei der nichts passiert. Bei nur einer Taste weiß man, dass man die richtige Weiche drückt. Die Weichenstellung kann immer nur die andere sein. Ich finde es konfortabler.
Der eine Pol (z.B.+) läßt sich ja durch das Relais nach dem Taster unterbrechen, wenn das Relais wieder in die Ausgangstellung geht. Die anderen beiden Minus gehen über das andere Relais, was den Zustand hält.Die ganzen Flip-Flop-Schaltungen haben ja den Nachteil, daß sie dauerhaft Strom an die
Weichenspulen legen.
Es klappt, ich hab es so gemacht. Allerdings, wenn man den Netzstecker zieht ist, geht das zustandhaltende Relais in "Ruhe stellung" und beim "wiederreinstecken" kann es sein, dass man erst beim 2. "Tasten" den aktuellen Weichenstand hat (Nachteil). Das kriegt man bestimmt auch noch mit dem richtigen Aufwand gebacken, aber das ist mir erstmal egal.
Der Aufwand mit IC's/µController ist auch sehr hoch, gerade wenn man sich da erst reinarbeiten muß.
Gruß
Karsten
Hallo,
mit dem CD4013 funktioniert meine Schaltung jetzt. Ich hab es mit anderen Netzteilen versucht. 12V und 5V, da geht es. Mit den 14 V geglätteten Lichtstrom vom Fahrstromtrafo flimmert immer etwas beim CD4013 durch.
Eine Touggle-Schaltung mit Transistoren und Widerständen funktioniert ebenfalls, auch mit dem Fahrstrontrafo.
Der Nachteil bei Touggle-Schaltung bzw. CD4013 ist, daß beim Trennen vom Netz bzw. beim Einschalten einer der beiden "Kanäle" durchschaltet. Das liegt wohl in der Natur der Sache, dass zumindest beim Einschalten wegen der Symetrie gerade der Transistor durchstartet, der es gerade will. Ich könnte zwar eine Seite mit einem Kondensator bremsen, dass ich eine Vorzugsstellung habe, aber ob mit oder ohne - ich habe dadurch immer wieder eine falsche Weichenstellung.
Kann man dagegen irgend etwas tun?
Gruß
Karsten
mit dem CD4013 funktioniert meine Schaltung jetzt. Ich hab es mit anderen Netzteilen versucht. 12V und 5V, da geht es. Mit den 14 V geglätteten Lichtstrom vom Fahrstromtrafo flimmert immer etwas beim CD4013 durch.
Eine Touggle-Schaltung mit Transistoren und Widerständen funktioniert ebenfalls, auch mit dem Fahrstrontrafo.
Der Nachteil bei Touggle-Schaltung bzw. CD4013 ist, daß beim Trennen vom Netz bzw. beim Einschalten einer der beiden "Kanäle" durchschaltet. Das liegt wohl in der Natur der Sache, dass zumindest beim Einschalten wegen der Symetrie gerade der Transistor durchstartet, der es gerade will. Ich könnte zwar eine Seite mit einem Kondensator bremsen, dass ich eine Vorzugsstellung habe, aber ob mit oder ohne - ich habe dadurch immer wieder eine falsche Weichenstellung.
Kann man dagegen irgend etwas tun?
Gruß
Karsten
Das kann man. Was allerdings so nicht geht, ist eine 'Memoryfunktion'. Sprich dass sich die Schaltung (ohne Stromzufuhr) den letzten geschalteten Zustand merkt.dass zumindest beim Einschalten wegen der Symetrie gerade der Transistor durchstartet, der es gerade will...Kann man dagegen irgend etwas tun?
Hallo Borax,
die Endtellung vom bistabilem Relais ist immerhin eine Art Indikator. Rein theoretisch versuche ich mir folgendes vorzustellen.
Bei Einschalten der Betriebsspannung müsste erst ein Stromstoßrelais eine Spannung über die entsprechenden Kontakte und damit an die entsprechende Seite des Flipflops legen. Das Flipflop muß demnach ein mü verzögert eingeschaltet werden um den Zustand nur noch zu übernehmen. Das Problem ist das Stromstoßrelais was nur einmal bei Stromeinschaltung anziehen soll.
Mit einem umgebautem Flipflop als Stromstoßrelais habe ich es nicht hinbekommen, weil für die Auslösung die vorherige Stromverbindung Voraussetzung ist. Die Einschaltverzögerung des CD4013 ist weniger das Problem. Hast du eine Ahnung, wie man ein einmaliges Auslösen eines Relais hinbekommt?
Gruß
Karsten
die Endtellung vom bistabilem Relais ist immerhin eine Art Indikator. Rein theoretisch versuche ich mir folgendes vorzustellen.
Bei Einschalten der Betriebsspannung müsste erst ein Stromstoßrelais eine Spannung über die entsprechenden Kontakte und damit an die entsprechende Seite des Flipflops legen. Das Flipflop muß demnach ein mü verzögert eingeschaltet werden um den Zustand nur noch zu übernehmen. Das Problem ist das Stromstoßrelais was nur einmal bei Stromeinschaltung anziehen soll.
Mit einem umgebautem Flipflop als Stromstoßrelais habe ich es nicht hinbekommen, weil für die Auslösung die vorherige Stromverbindung Voraussetzung ist. Die Einschaltverzögerung des CD4013 ist weniger das Problem. Hast du eine Ahnung, wie man ein einmaliges Auslösen eines Relais hinbekommt?
Gruß
Karsten
Ja. Dafür kann man ein Monoflop verwenden. Aber ich wüste jetzt auf die Schnelle nicht wie man das bewerkstelligen soll:Hast du eine Ahnung, wie man ein einmaliges Auslösen eines Relais hinbekommt?
Mit einem µC der den Zustand des bistabilem Relais erst 'misst' und dann entsprechend seinen Ausgang setzt, kein Problem. Aber in 'Analogtechnik' könnte das sehr aufwändig werden.Das Flipflop muß demnach ein mü verzögert eingeschaltet werden um den Zustand nur noch zu übernehmen.


