LED Matrix mit Fader-Schaltung

Hier werden Fragen zu LED-Grundlagen beantwortet...

Moderator: T.Hoffmann

Antworten
der_jipi
Mini-User
Beiträge: 9
Registriert: Di, 19.07.11, 11:47

Di, 19.07.11, 12:18

Hi Leute!
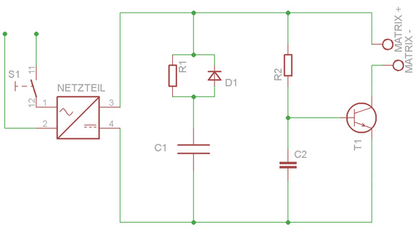
Ich habe in mein Wohnzimmer die LED Matrix (Warmweiss) mit dem kleinen Netzteil verbaut. Hübsches Teil, aber eine kleine Optimierung hätte ich noch gerne: Ein- und Ausfaden beim Schalten.
Da ich mich nicht sonderlich gut auskenne mit der Materie bitte ich um Nachsicht. Allerdings verstehe ich die zum Beispiel die Schaltung in diesem Thread schon recht gut.

Nachdem ich diverse Artikel und Threads dazu gelesen habe, habe ich mir eine eigene Schaltung überlegt, die einige Probleme mit den üblichen Schaltungen umgehen soll. Hier meine Gedanken dazu:
  • Natürlich hängt bei mir das Netzteil unter der Decke, also wird im 230V Netz geschaltet. Von daher ist kein Schalter im 12V Kreis zu finden. (Eine Relais-Schaltung mit den damit verbundenen Extra notwendigen Kabeln möchte ich mir sparen. Neue Kabel durch die Decke ziehen ist nicht drin)
  • Der Kreis mit C1, R1 und Diode ist dafür da, nach dem Abschalten der Primärspannung die LEDs langsam auszufaden. Hierfür dachte ich an einen dieser hübschen Speicherkondensatoren: SPK 100.000µF SP oder SPK 220.000µF-V Da die allerdings nur 5,5V vertragen, kann ich da einfach drei dieser Teile hintereinander hängen? Also dass quasi C1 in meiner Schaltung aus 3 seriellen Speicherkondensatoren besteht (die dann 16,5V abkönnen)?
  • Durch die Zuleitung zu der LED-Matrix fliessen bei Vollast 9*150mA = 1,35A
  • Als Überschlagsrechnung (Nur für die Größenordnung) dachte ich mir beispielsweise : C = As/V also s = CV/A = 0,220F * 12V / 1,35A = 1,95 sek. Damit wären wir in einem passablen Zeitbereich für das ausfaden.
  • Der Kreis mit dem C2, R2, T1 und der Matrix-Zuleitung dient dem Einfaden nach Anschalten des Netzteils. Über R2 und C2 können die Zeiten geregelt werden (In dem o.g. Thread ist noch ein weiterer Widerstand vor dem Transistor verbaut, wofür wird dieser eigentlich benötigt?). Dieser Kreis fadet wohl auch beim Abschalten, allerdings kann ich das Verhalten dafür nicht erraten und vernachlässige das erstmal
  • Das Netzteil scheint an sicht schon eine Einschaltverzögerung zu haben, da im Moment die Matrix auch erst nach ein bis 2 Sekunden angeht, was zwar ein bisschen blöd, aber nicht weiter tragisch ist.
Funktioniert das ungefähr so, oder ist das alles totaler Unsinn, wie ich mir das vorstelle?
Dateianhänge
led_matrix_fader.jpg
led_matrix_fader.jpg (27.65 KiB) 4637 mal betrachtet
Benutzeravatar
Sailor
Moderator
Beiträge: 9427
Registriert: Di, 28.11.06, 22:16
Wohnort: Saarland, Deutschland und die Welt

Di, 19.07.11, 12:57

In der Grundschaltung bestimmen R2 und C2 (alle Bezeichnungen aus Deiner Schaltung) die Zeiten zum Ein-und Ausfaden.
Gleichzeitig begrenzt R2 den Basis-Emitter-Strom des Transistors.

Der Transistor dient nur als Verstärker, so können die Bauteile R2 und C2 möglichst klein gehalten werden. Es fließt in den zeitbestimmenden Komponenten ein viel kleinerer Strom als in der zu fadenden LED-Schaltung.

Durch "spielen" mit Widerstand, Kondensator und dem Transistortyp lassen sich die Zeiten beeinflussen.

Mit den von Dir eingeführten Bauteilen hast Du eine zusätzliche "Hochleistungskomponente", die dafür sorgt, dass die Einschaltverzögerung noch länger wird und der Transistor nach dem Ausschalten länger (weniger werdende) Spannung bekommt, also auch das Ausschalten weiter verzögert wird.

Als zeitbestimmender Lastwiderstand beim Ausschalten dient die LED-Schaltung, die den Kondensator C1 über die Diode D1 entleert.

Beim Einschalten wird der Strom zum Kondensator durch den Widerstand R1 bestimmt, wodurch dieser zusammen mit dem Kondensator C1 die Zeit bestimmt.

Dem (die Zeit verlängernd) ist die RC-Kombination an der Basis des Transistors überlagert. Das zu erklären ist wohl besser in einer Simulation mit den 3 Schaltungen, einmal nur die "Leistungsstufe", einmal nur die Transistorstufe und einmal in Kombination sinnvoll. Sonst sieht man vor lauter Mathematik die Systematik nicht mehr.

Wenn 3 gleiche Kondensatoren in Reihe geschaltet werden, verdreifacht sich die Spannung. Soweit ist Deine Annahme oben richtig. Allerdings verringert sich die Kapazität in dieser Reihenschaltung auf ein Drittel.

Herzlich Willkommen im Forum!
der_jipi
Mini-User
Beiträge: 9
Registriert: Di, 19.07.11, 11:47

Di, 19.07.11, 13:10

Vielen Dank schonmal.
Stimmt, die "Leistungsstufe" verzögert ja auch den Einschaltstrom durch die LEDs. Vielleicht würde die alleine ja auch schon genügen? Oder, wenn die so ungefähr tut, was sie soll, kann man ja die "Steuerelemente" des zweiten Kreises benutzen, um die Zeiten feinzu justieren...?
Aber vom Prinzip her hab ich also schonmal richtig gedacht, das ist ja schonmal toll ;)

Wofür ist denn in dem Fading-Grundlagen-Thread der zusätzliche Widerstand vor dem Transistor? (So ungefähr kann ichs mir vorstellen, glaub ich: der erste Widerstand (hier R2) beeinflusst v.a. die Aufladezeit des C2 und einer vor dem T1 würde dann nochmals die Spannung an der Basis des T1 drücken, also auch die Spannungs-Zeit-Kurve für den Matrix-Anschluss.)

Dass die Speicherkondensatoren in Serienschaltung an Kapazität "verlieren" macht ja nichts, diese Teile gibts ja auch im Farad-Bereicht.
Benutzeravatar
Sailor
Moderator
Beiträge: 9427
Registriert: Di, 28.11.06, 22:16
Wohnort: Saarland, Deutschland und die Welt

Di, 19.07.11, 13:26

Der R1 in der Grundschaltung steht für die LED-Gruppe.

Bei Dir sind es die beiden offenen Klemmen rechts, die durch die LED-Gruppe miteinander verbunden werden.
der_jipi
Mini-User
Beiträge: 9
Registriert: Di, 19.07.11, 11:47

Di, 19.07.11, 16:48

Ups, da hab ich mich wohl blöd ausgedrückt. Das ist mir natürlich klar, das ist ja der Vorwiderstand der LED um dort den Strom zu begrenzen. Der "entfällt" ja bei mir, weil er in die Matrix-Module schon eingebaut ist. Ich meinte R2 in der Grundschaltung, also zwischen Transistor und Kapazität.
Borax
Star-Admin
Star-Admin
Beiträge: 12243
Registriert: Mo, 10.09.07, 16:28

Di, 19.07.11, 17:34

kann ich da einfach drei dieser Teile hintereinander hängen
Ja. Aber dabei drittelt sich auch die Kapazität. Für 220.000µF brauchst Du also 9 Stück. Oft haben die auch einen recht hohen Innenwiderstand, sind also nicht in der Lage einen hohen Strom abzugeben. Da es bei diesen Schnäppchen keine Datenblätter gibt, kann man das nicht im Voraus wissen.
der_jipi
Mini-User
Beiträge: 9
Registriert: Di, 19.07.11, 11:47

Mi, 20.07.11, 08:36

Okay, wenn ich so viele brauche, nimmt das ja schon wieder riesige Dimensionen an.
Das Datenblatt des Kondensator sagt:
Internat resistance at 1kHz: < 75 Ohm

Dieser hier hätte beispielsweise 1F und <30 Ohm Innenwiderstand bei 1kHz. Damit müsste ich zumindest keine davon parallel schalten. Leider sagt das Datenblatt nichts zum Frequenzverhalten des Innenwiderstandes... Kann der noch dramatisch zunehmen? Ich schätze mal, ich muss mit sehr niedrigen Frequenzen rechnen, oder?
Borax
Star-Admin
Star-Admin
Beiträge: 12243
Registriert: Mo, 10.09.07, 16:28

Mi, 20.07.11, 11:52

Ich schätze mal, ich muss mit sehr niedrigen Frequenzen rechnen, oder?
Ja. Eigentlich mit gar keiner Frequenz. Es geht ja um Ein- Ausschaltzeiten im Sekundenbereich, da kann man den 'Gleichspannungswiderstand' verwenden.
30 Ohm bei einer Serienschaltung von 3 Kondensatoren sind aber schon 90 Ohm. Also maximale Stromstärke (bei einem maximalen Einbruch der Spannung auf 11V) wären dann gerade mal 11mA. Der Gleichspannungswiderstand dürfte bei frischen Kondensatoren (die altern auch) wohl schon noch kleiner ausfallen, aber nicht weniger als die Hälfte, sprich etwa 15Ohm. Aber auch dann kannst Du maximal 50mA da raus ziehen...
Da helfen wohl nur noch UltraCap/Green-Cap Kondensatoren z.B. so was: http://www.conrad.de/ce/de/product/4514 ... 0&ref=list
Die haben einen Innenwiderstand von 0.14Ohm, 5 Stück in Serie also weniger als 1 Ohm. Bei einer Stromstärke von gut 1A bleibt also nur ein Spannungsverlust von etwa 1V. Macht das Ganze natürlich teuer und groß.
Falls Du es damit versuchen willst, dann simuliere ich das mal mit LTSpice.
Benutzeravatar
Achim H
Star-Admin
Star-Admin
Beiträge: 13067
Registriert: Mi, 14.11.07, 02:14
Wohnort: Herdecke (NRW)
Kontaktdaten:

Mi, 20.07.11, 16:07

Kauf Dir doch einfach einen PowerCap fürs Auto. Dann kannst Du dir das in Reihe schalten mehrerer Goldcaps sparen, um auf die nötige Betriebsspannung zu gelangen. PowerCaps haben einen sehr niedrigen ESR (je nach Typ und Hersteller: kleiner 0,001 bis ungefähr 0,01 Ohm). Einen 1 Farad Kondensator bekommt man schon für unter 18 Euro. Bei Ebay werden die Dinger auch gehandelt. Falls Du dir so einen kaufen willst, frage unbedingt nach dem Hersteller-Datenblatt.
Borax
Star-Admin
Star-Admin
Beiträge: 12243
Registriert: Mo, 10.09.07, 16:28

Mi, 20.07.11, 16:40

Da sind aber die 5 Green-Caps (mit immerhin 3F) noch günstiger und wesentlich kleiner.
der_jipi
Mini-User
Beiträge: 9
Registriert: Di, 19.07.11, 11:47

Do, 21.07.11, 11:03

Erstmal ein zwischenzeitliches Dankeschön für eure großartige Hilfe!

Naja, so gross sind die GreenCaps jetzt auch wieder nicht. Die mit 5F messen 1cm im Durchmesser und 2 cm in der Länge, das kriegt man ja sogar noch in nem kleinen Kabelschacht unter (heiß sollten sie ja nicht werden, da nur kurzzeitig Strom über sie fließt...). Der Preis von ca. 2 Euro pro Stück ist auch in Ordnung, finde ich.

Ich denke, ich bräuchte noch eine Diode am Eingang, damit der Strom beim Ausschalten nicht wieder zurück ins Netzteil fließt, oder? Ich hab mal probiert, das selber zu simulieren, aber komme noch nicht so ganz damit klar, wenn du dir die Zeit nehmen könntest, wäre ich natürlich sehr dankbar. Ich probier aber auch noch selber weiter (Ich bekomme da recht niedrige Kapazitätswerte raus, aber weiss auch nicht genau, welche Dioden und Transistoren ich benötige).

Wenn wir am Ende auf eine sinnvolle Schaltung kommen, könnte man daraus ja mal ne kleine Anleitung machen, vielleicht möchten sowas ja auch andere Käufer der LED Matrix realisieren (oder vielleicht möchte ja Lumnitronix ein kleines Zusatzmodul anbieten ;)).
Borax
Star-Admin
Star-Admin
Beiträge: 12243
Registriert: Mo, 10.09.07, 16:28

Do, 21.07.11, 15:16

Sieht nicht sehr gut aus :(
Es gibt da eine Menge Faktoren, die das eher 'unschön' machen.
1. Das Netzteil hat nur 1.5A. Die LEDs ziehen 1.35A, also darf man eigentlich nur maximal 0.15A zum Laden der GreenCaps abzweigen. Bis die dann halbwegs voll geladen sind (auf ~11.4V; bei 0.4V Verlust durch die Schottky-Diode zwischen Netzteil und Schaltung), dauert es mind. 10 Minuten (bei einem initialen Strom von 220mA). Fade-in ist brauchbar, aber das war ja auch nie ein Problem.
2. Auch der sehr geringe Innenwiderstand der GreenCaps (0.9Ohm alle zusammen) bringt bei gut einem A auch fast ein Volt Verlust, hinzu kommt der Verlust durch die Diode, so dass die resultierende 'Versorgungsspannung' für die LEDs (unabhängig von der Fader-Schaltung) nur noch knapp 10,2V beträgt. Das allein bewirkt eine 'Dimmung' nach dem Ausschalten auf fast die Hälfte der Lichtstärke im eingeschalteten Zustand. Erst da beginnt das Ausfaden, was dann gut 1 bis zwei Minuten dauert.
Schaltplan:
Fade_GreenCap_1.png
Fade_GreenCap_1.png (4.7 KiB) 4512 mal betrachtet
Ich wollte nicht 9 Matrix LEDs einzeichnen, daher mit 9 HighPower LEDs simuliert. Es sollten alles LTSpice Standard-Bauteile sein, die unten angehängte Datei sollte also in jeder halbwegs aktuellen LTSpice Installation laufen.
Gesamt-Strom-Spannungs-Übersicht:
Fade_GreenCap_1A.png
Fade_GreenCap_1A.png (4.57 KiB) 4512 mal betrachtet
V(n010)=Spannung am GreenCap; V(n001)='Versorgungsspannung' (hinter der Schottky-Diode D5); I(R6)=Gesamtstrom durch die LEDs); Eingeschaltet wird bei 0Sekunden, Ausgeschaltet bei 600Sek
Fade-In:
Fade_GreenCap_1B.png
Fade_GreenCap_1B.png (4 KiB) 4512 mal betrachtet
Fade-out:
Fade_GreenCap_1C.png
Fade_GreenCap_1C.png (4.3 KiB) 4512 mal betrachtet
Wie man sieht nicht so toll...
LTSpice-Datei zum 'selber spielen':
Dateianhänge
Fade_GreenCap_1.zip
(854 Bytes) 163-mal heruntergeladen
der_jipi
Mini-User
Beiträge: 9
Registriert: Di, 19.07.11, 11:47

Fr, 22.07.11, 12:31

Danke für die Simulation.
Schade, du hast recht, so macht das keinen Sinn... Man könnte zwar ein dickeres Netzteil nutzen, das wäre ja kein Problem, um mehr Strom für die Aufladung zur Verfügung zu haben, aber dann bleibt das Problem mit dem abrupten Helligkeitsverlust beim Abschalten und der trotzdem sehr langen Nachleuchtdauer.
Ausserdem ist die Spannung an den LEDs bei Betrieb auch nicht mehr ganz 12V, was ja wohl auch schon Helligkeitsverlust bedeutet.

Deine Datei konnt ich in meine neue Version von LTSpice leider nicht laden, aber habs selber auch hingekriegt. Meine Simulation lief wunderbar (mit kleinem Ersatzwiderstand an Stelle der LEDs), bis ich dann die LED-Matrix nachgebaut habe (Copy&Paste vereinfacht das).

Ich werde jetz einfach die Fade-In Schaltung einbauen und auf den Fade-Out verzichten, wie das aussieht kann man dem Anhang entnehmen.
Hat jemand zufällig das Spice-Modell für die NSSL 157T Nichia LEDs? Der Widerstand R1 ist nur drin, damit ich den Strom messen kann. Der stimmt natürlich nicht, weil die verbauten LEDs im Plan andere sind.
Ausserdem war der TIP121 Transistor war der einzige, für den ich ein Modell finden konnte und der den Strom von 1,35A verträgt...
Dateianhänge
Die Matrix selbst ist auf Grund der Göße abgeschnitten. Aber es wiederholt sich eh alles.
Die Matrix selbst ist auf Grund der Göße abgeschnitten. Aber es wiederholt sich eh alles.
Versorgungsspannung und Strom durch R1
Versorgungsspannung und Strom durch R1
Benutzeravatar
Achim H
Star-Admin
Star-Admin
Beiträge: 13067
Registriert: Mi, 14.11.07, 02:14
Wohnort: Herdecke (NRW)
Kontaktdaten:

Fr, 22.07.11, 17:21

Und was wäre, wenn man sich einfach ein anderes Netzteil besorgt?

Am Meanwell RS-25-12 (12V/2,1A) kannst Du die Ausgangsspannung um +-10% einstellen (10,8V - 13,2V).

Mit einer etwas höheren Ausgangsspannung (12,7V) würden auch die Matritzen mehr Spannung (12,7V - Spannungsabfall über den Transistor = ca. 12V) erhalten. Allerdings bräuchtest Du dann auch einen Greencap mehr in Reihe (dann 6 Stück).

Und der Widerstand R6 in Borax's Schaltung müsste angepasst werden.
der_jipi
Mini-User
Beiträge: 9
Registriert: Di, 19.07.11, 11:47

Fr, 22.07.11, 20:27

An höhere Spannung hab ich mal gar nicht gedacht ;)
Bisher ist der R6 aber eh nur für die Ersatzschaltung der Highpower LEDs, den müsste man ja urprünglich weglassen, die Matrix hat ja schon Widerstände verbaut.
Bleibt aber noch das Problem mit dem anfangs schnellen Helligkeitsverlust beim Ausschaltvorgang mit anschliessender langer Nachleuchtdauer...
Das Nachleuchteverhalten könnte man sicherlich noch mit einer zusätzlichen und bestimmt recht umständlichen Transistorschaltung optimieren, aber das wir glaub ich dann wirklich recht kompliziert...

Falls jemand noch weiss, wo man Spice-Modelle für die NSSL 157T Nichia LEDs findet, oder wie man das sonst präzise simulieren kann wäre ich sehr dankbar für die Info.
Borax
Star-Admin
Star-Admin
Beiträge: 12243
Registriert: Mo, 10.09.07, 16:28

Sa, 23.07.11, 22:35

Um es wirklich präzise zu simulieren müsstest Du die verwendeten Bauteile vermessen und selbst das Modell entsprechend anpassen. Die Bauteiltoleranzen bei Transistoren und isb. den LEDs sind viel zu groß, um das mit einem Standard-Modell eines Herstellers präzise zu simulieren. Da würde ich besser gleich einen realen Versuch machen...
der_jipi
Mini-User
Beiträge: 9
Registriert: Di, 19.07.11, 11:47

Mo, 25.07.11, 19:08

Alles, klar. Da mich die Bauteile insgesamt keine zwei Euro kosten, werd ich das einfach testen und dann wieder hier berichten (die Einfade-Schaltung).
Antworten