Hallo an alle,
könnt ihr mal bitte helfen und mir bei der Modifikation des Bausatzes ne Frage beantworten?
Wie kann ich bei nachfolgernder Schaltung die Empfindlichkeit soweit verändern, das erst bei 2Lux oder so geschalten wird? Also erst wenn es wirklich dunkel ist.
Als Hintergrund: Die Schaltung dient als Nachtlichtschalter in einem Flur ohne Fenster und soll auch nur Nachts leuchten. Zur Zeit ist es so, dass selbst Tagsüber die Leds leuchten, nur wenn die richtige Beleuchtung eingeschaltet wird, geht die Nachtbeleuchtung aus.
Pollin Dämmerungsschalter
Moderator: T.Hoffmann
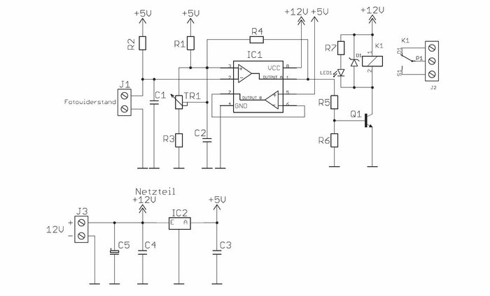
Hast Du mal ein paar Werte für die Widerstände?
An TR1 sollte man ja schon die Empfindlichkeit regeln können. Aber um Dir einen guten Tipp zu geben, ob man besser R2 oder R1 oder R3 ändert, wären die momentanen Werte hilfreich.
An TR1 sollte man ja schon die Empfindlichkeit regeln können. Aber um Dir einen guten Tipp zu geben, ob man besser R2 oder R1 oder R3 ändert, wären die momentanen Werte hilfreich.
In diesem Fall würde ich R2 vergrößern. Probier es mal mit 10k, wenn das nicht reicht, kannst Du problemlos bis 50K hochgehen. Um es vorher 'einzugrenzen', kannst Du auch mal den Fotowiderstand mit einem Ohmmeter nachmessen, sprich welchen Widerstand hat der bei etwa der Helligkeit wenn geschaltet werden soll.
Wie ist denn da das Verhältniss?
Ich will das etwa bei 50k (LDR) geschalten wird. Ist jetzt nur ne grobe Annäherung, dann ist es schon ausreichend dunkel. Muss aber gewiss noch nachgebessert werden. Muss ich dann wirklich im Betrieb sehen.
Vielleicht kann ich ja ber selber ein wenig rumrechen, wenn ich wüsste was es da zu berechnen gibt. Ich habe ja noch nicht mal ne Relation.
Ich will das etwa bei 50k (LDR) geschalten wird. Ist jetzt nur ne grobe Annäherung, dann ist es schon ausreichend dunkel. Muss aber gewiss noch nachgebessert werden. Muss ich dann wirklich im Betrieb sehen.
Vielleicht kann ich ja ber selber ein wenig rumrechen, wenn ich wüsste was es da zu berechnen gibt. Ich habe ja noch nicht mal ne Relation.
Das ist doch prima. Dann einfach den R2 ebenfalls auf ca. 50K erhöhen. Dann sollte der Dämmerungsschalter schalten, wenn das Poti relativ genau in der Mitte ist. Also hast Du einen großen Regelbereich nach oben und unten für das 'finetuning'.Ich will das etwa bei 50k (LDR) geschalten wird
Das Prinzip der Schaltung ist ein Komperator. Wenn die Spannung an dem Spannungsteiler der aus R2 und LDR gebildet wird mehr oder minder gleich der Spannung ist, die aus dem Potispannungsteiler (die Widerstände oben und unten, also R1/R3 spielen keine so große Rolle) besteht, dann wird geschaltet.
Ich habe gestern noch nen 47k eingelötet und bin schnell noch vorm ins Bett gehen auf die Leiter geklettert und hab alles wieder wie gewollt angeschlossen.
Was soll ich sagen? Keine Änderung mehr nötig. Läuft super so. Danke Borax.
Was soll ich sagen? Keine Änderung mehr nötig. Läuft super so. Danke Borax.


