Wechselblinker mit Fading Funktion

Fragen zu Schaltungen, Elektronik, Elektrik usw.

Moderator: T.Hoffmann

sleepydino
User
User
Beiträge: 15
Registriert: Mo, 16.05.11, 18:34

Mo, 16.05.11, 18:41

Hallo an alle Bastler,

hab ein Problem und finde bisher keine Lösung. :?:
Möchte 2 mal 10 LED´s wechselnd blinken lassen, wobei der Wechsel durch ein- und ausfaden erfolgen soll. Das Ganze ist gedacht an einer 12 V Stromversorgung.
Wäre überglücklich, wenn hierzu jemand eine passende Schaltung hat.

Gruß sleepydino
Borax
Star-Admin
Star-Admin
Beiträge: 12243
Registriert: Mo, 10.09.07, 16:28

Mo, 16.05.11, 22:37

Hallo sleepydino,
welcome on board!
2 mal 10 LED´s
Welche Farbe und welche Leistung (Stromstärke)?
Am einfachsten und flexibelsten wäre es mit einem µC machbar, es geht aber auch 'klassisch analog'. Nur dafür wären die Angaben zu den LEDs recht wichtig. Bei einer µC Schaltung (die per PWM arbeitet) wären die LEDs weitgehend egal.
sleepydino
User
User
Beiträge: 15
Registriert: Mo, 16.05.11, 18:34

Di, 17.05.11, 18:59

Hier die Daten der LEDs:
Farbe Blau
Gehäuse 5 mm
Ausführung Nicht gefärbt/Klar
Typ HLMP-CB35-RU0DD
IF typ. 20 mA
Abstrahlwinkel 30 °
Lichtstärke IV Max. 4.2 cd
Wellen-Länge typ. 470 nm
Technologie InGaN
UF typ. 3.2 V
RoHS-konform Ja

sowie:
Farbe Rot
Gehäuse 5 mm
Ausführung Klar
Typ GL 5 R
IF 20 mA
Abstrahlwinkel 30 °
Lichtstärke IV 200 mcd
UF 1.6 - 2.7 V
RoHS-konform Ja

Gruß sleepydino
Borax
Star-Admin
Star-Admin
Beiträge: 12243
Registriert: Mo, 10.09.07, 16:28

Mi, 18.05.11, 13:17

Und dann 10 rot und 10 blau abwechselnd oder in 'gemischter' Kombination?

Außerdem hast Du diese Frage noch nicht beantwortet:
Mit µC (z.B. AVR-ATTiny25) oder lieber 'klassisch analog'?
sleepydino
User
User
Beiträge: 15
Registriert: Mo, 16.05.11, 18:34

Mi, 18.05.11, 13:55

Sorry. Empfand die Frage mehr als Hinweis, welche Möglichkeiten es gibt.
Die LED sollen abwechselnd leuchten, nicht gemischt.
Bei der Schaltung hab ich leider gar keine Ahnung bei µC, obwohl das, was ich im Internet bisher darüber gelesen habe, echt super klingt (Möglichkeiten mit verschiedener Programmierung).
Wenns nicht zu kompliziert ist mit dem programmieren und der Technische Aufwand die Programmierung auf den µC zu bringen (z.B. spezielles Schreibgerät) wäre das schon ne feine Sache. Korrigiere mich wenn ich falsch bin, aber man kann dann auch unterschiedliche Beleuchtungszustände programmieren.
Müsste ich mir zuerst noch andere Geräte besorgen um sowas zu programmieren, würde ich lieber bei der klassischen analogen Technik bleiben, da dies etwas einmaliges wird und ich mit großer Wahrscheinlichkeit keine weitere Schaltung in der Art baue.

Vielen Dank bisher.

Gruß sleepydino. :)
Borax
Star-Admin
Star-Admin
Beiträge: 12243
Registriert: Mo, 10.09.07, 16:28

Mi, 18.05.11, 14:23

Müsste ich mir zuerst noch andere Geräte besorgen um sowas zu programmieren
Ja. Müsstest Du. Wenn Du einen echten seriellen Port an Deinem Computer hast (kein USB-seriell Adapter!), ist der Aufwand aber minimal (Bauteilkosten < 5€). Schau Dir mal diesen Thread an: viewtopic.php?f=35&t=5911&p=87595
Falls Du keinen echten seriellen Port an Deinem Computer hast, müsstest Du einen USB Programmer kaufen. Die kosten so 20-30€, würde ich für eine einmalige Schaltung nicht investieren.
aber man kann dann auch unterschiedliche Beleuchtungszustände programmieren.
Klar. Da ist sehr viel möglich.
Falls doch doch eine klassisch analoge Schaltung bevorzugst, dann müssten wir uns noch auf die Zeiten einigen...
Also wie lange soll das ein- und ausfaden dauern, soll eine 'Überschneidung' vorhanden sein, oder eher eine Pause wo beide Gruppen aus sind?
Bei der µC Lösung kann man das natürlich einfach durch Ändern des Programmes machen.
sleepydino
User
User
Beiträge: 15
Registriert: Mo, 16.05.11, 18:34

Mi, 18.05.11, 15:03

Würde dieser USB Programmer auch gehen?

mySmartUSB light bei Conrad 15,95 €

Wenn ja, will ich es mit µC machen, da du mir mit den Möglichkeiten den Mund wässrig gemacht hast.

Gruß sleepydino
Borax
Star-Admin
Star-Admin
Beiträge: 12243
Registriert: Mo, 10.09.07, 16:28

Mi, 18.05.11, 15:17

Klar, der geht auch.
Wenn ja, will ich es mit µC machen, da du mir mit den Möglichkeiten den Mund wässrig gemacht hast.
:D
Wir sollten dann aber noch ein wenig darüber reden, welche Möglichkeiten Dir vorschweben... (im Extremfall ja alle 20 LEDs einzeln völlig unabhängig voneinander faden - das wäre jetzt schon nicht mehr soo einfach).
Weil davon hängt ja auch der Schaltplan ab. Sind mit den 12V eigentlich 12V geregelt oder 12V Auto gemeint?
sleepydino
User
User
Beiträge: 15
Registriert: Mo, 16.05.11, 18:34

Mi, 18.05.11, 15:25

Ich kann dich beruhigen, alle 20 einzeln will ich nicht.
Sicher ist der Wechselblinker mit Fading in und out, dann nur Rot und nur Blau und vielleicht noch Rot und Blau als Blitzer, bzw. Lauflicht.
Als Spannung ist 12V Auto gemeint (Kofferraumbeleuchtung, möglich auch Dauer 12V).
Benutzeravatar
Skyl
User
User
Beiträge: 19
Registriert: Di, 05.04.11, 19:27

Mi, 18.05.11, 15:58

Also wenn du nur einen einfachen Wechselblinker mit fading haben möchtest, dann schalte einfach Kondis parallel zu den LED´s oder parallel zur Basis der Transistoren(insofern du einen astabilen multivibrator nimmst).

Das ist eigentlich die einfachste Methode dieses Problem zu lösen.


MFG: Skyl
Borax
Star-Admin
Star-Admin
Beiträge: 12243
Registriert: Mo, 10.09.07, 16:28

Mi, 18.05.11, 16:05

bzw. Lauflicht...
Hierzu müssten aber die LEDs einzeln angesteuert werden!
Wenn es aber bei den je 10 LEDs als 'nur gesamt zu steuernde Gruppe' bleibt, dann ist das relativ einfach und ein ATTiny25 reicht dafür.
12V Auto... Ok. Dann müssen wir noch einen 12V Low-Drop Spannungsregler vorsehen.
sleepydino
User
User
Beiträge: 15
Registriert: Mo, 16.05.11, 18:34

Mi, 18.05.11, 16:18

Mehr LEDs werden es nicht, da die Fläche (Plexiglas) nicht übermäßig groß ist und dafür 20 reichen.
Soll nur ein Zusatzeffekt werden.
Borax
Star-Admin
Star-Admin
Beiträge: 12243
Registriert: Mo, 10.09.07, 16:28

Mi, 18.05.11, 16:33

Es geht nicht um mehr als die 20 LEDs, sondern darum, ob diese 20 nacheinander als Lauflicht aufleuchten sollen (bzw. als 2x10 Kanal Lauflicht), oder nur gemeinsam alle 10 blaue oder alle 10 rote gleichmäßig angesteuert werden (im letzteren Fall können die LEDs in Serie geschaltet werden, ansonsten muss jede einzelne LED an einen einzelnen Anschluss des µCs angeschlossen werden).
sleepydino
User
User
Beiträge: 15
Registriert: Mo, 16.05.11, 18:34

Mi, 18.05.11, 16:38

Achso. Das mit dem Lauflicht war nur so ein Gedanke, kein MUSS.
Borax
Star-Admin
Star-Admin
Beiträge: 12243
Registriert: Mo, 10.09.07, 16:28

Mi, 18.05.11, 16:50

Ok. Dann planen wir es ohne.
Eine Frage noch... Bei den roten LEDs ist ein sehr großer Spannungsbereich angegeben:
UF 1.6 - 2.7 V
Kannst Du mal nachmessen (falls Du die LEDs schon hast), was die wirklich bei 20mA brauchen?
sleepydino
User
User
Beiträge: 15
Registriert: Mo, 16.05.11, 18:34

Mi, 18.05.11, 16:56

Bei 20mA ziehen sie 3,1V.
Borax
Star-Admin
Star-Admin
Beiträge: 12243
Registriert: Mo, 10.09.07, 16:28

Do, 19.05.11, 11:23

Bist Du sicher? Bei roten hatte ich noch keine Standard-20mA LED, die über 2.4V lag. Für die blauen wären 3.1V dagegen normal.

Wenn Du den Programmer vom C kaufen willst, dann würde ich den Rest ggf. auch da kaufen, ist zwar teurer als Reichelt aber dafür nur ein mal Versandkosten.
Vorläufige Einkaufsliste:
http://www.conrad.de/ce/de/product/1542 ... L8/0214041
http://www.conrad.de/ce/de/product/1914 ... TUSB-LIGHT
http://www.conrad.de/ce/de/product/1680 ... 0&ref=list
http://www.conrad.de/ce/de/product/1560 ... 3&ref=list
http://www.conrad.de/ce/de/product/1830 ... 8L05-100MA
2x http://www.conrad.de/ce/de/product/1559 ... Detail=005
3x http://www.conrad.de/ce/de/product/5008 ... Detail=005
http://www.conrad.de/ce/de/product/7411 ... 0&ref=list
http://www.conrad.de/ce/de/product/5018 ... Detail=005

Es fehlen noch ein paar Widerstände und ggf. ein Sockel für den µC sowie Lochraster oder Streifenraster Platine. Aber vielleicht hast Du so was ja auch schon.
Benutzeravatar
eatis
Super-User
Super-User
Beiträge: 54
Registriert: Do, 19.05.11, 15:35
Wohnort: saalfeld

Fr, 20.05.11, 07:03

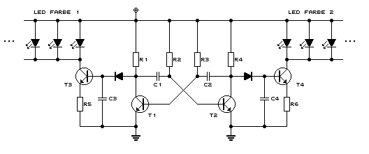
moin. hier mal nen einfacher analoger vorschlag.

R1,2,3,4 + C1,2 + T1,2 bilden nen astabilen multivibrator - bauteilwerte bekannt, je nachdem welche frequenz du möchtest. C3 und C4 (mit den zwei dioden) machen den fadeeffekt, musste bisschen rumexperimentieren, wie groß die sein müssen. denk ma irgendwas zwischen 470n und 1u. T3 und T4 müssen natürlich stark genug sein um den strom von den ganzen leds zu vertragen, R5 und R6 legen das fest.

hth
Dateianhänge
ledfader.GIF
ledfader.GIF (4.07 KiB) 8494 mal betrachtet
Borax
Star-Admin
Star-Admin
Beiträge: 12243
Registriert: Mo, 10.09.07, 16:28

Fr, 20.05.11, 10:00

musste bisschen rumexperimentieren, wie groß die sein müssen
Da muss man ganz schön viel rumexperimentieren, bis das wirklich passt. Hängt ja auch von der Frequenz ab. Für jemanden mit hinreichend Erfahrung und reichlich Material in der Bastelkiste ist das ja auch kein Problem, aber wenn man sich das Zeug bestellen muss, dann möchte man ggf. schon, dass es auch gleich klappt, ohne nochmal neue Bauteile bestellen zu müssen.
BTW: Beim Anschluss an 12V sollte man die Transistoren des astabilen Multivibrators mit zusätzlichen Dioden schützen. Siehe:
http://www.spicelab.de/astab_discretes.htm
sleepydino
User
User
Beiträge: 15
Registriert: Mo, 16.05.11, 18:34

Fr, 20.05.11, 12:33

Hab jetzt die Teile gem. deiner Liste Borax bei C bestellt. Sollten bis Mitte nächster Woche da sein. Dann könnte es los gehen. :wink:
Borax
Star-Admin
Star-Admin
Beiträge: 12243
Registriert: Mo, 10.09.07, 16:28

Fr, 20.05.11, 13:17

Ich hoffe, du hast das berücksichtigt:
Es fehlen noch ein paar Widerstände und ggf. ein Sockel für den µC sowie Lochraster oder Streifenraster Platine. Aber vielleicht hast Du so was ja auch schon.
Sonst wirst Du leider noch was nachbestellen müssen...
sleepydino
User
User
Beiträge: 15
Registriert: Mo, 16.05.11, 18:34

Fr, 20.05.11, 17:15

Sockel hab ich, Platine ist mitbestellt und Widerstände hab ich nen Haufen rumliegen.
sleepydino
User
User
Beiträge: 15
Registriert: Mo, 16.05.11, 18:34

Sa, 21.05.11, 11:01

Hab jetzt alles da, war echt schnell.
Borax
Star-Admin
Star-Admin
Beiträge: 12243
Registriert: Mo, 10.09.07, 16:28

Sa, 21.05.11, 13:32

Sehr gut! Dann kannst Du ja loslegen... Lochraster oder Streifenrasterplatine?
Dann mach ich Dir einen Lochmaster-Plan. Du brauchst Dir deswegen Lochmaster nicht kaufen. Aber als Plan zum hier posten ist das einfach ideal.
Du kannst Dir schon mal Bascom runterladen und installieren (Demo reicht).

Hast Du die roten LEDs noch mal nachgemessen? Ich kann die 3.1V bei 20mA einfach nicht glauben...
sleepydino
User
User
Beiträge: 15
Registriert: Mo, 16.05.11, 18:34

Sa, 21.05.11, 19:43

Zu Frage 1: hab ne Lochrasterplatine
Zu Frage 2: bei 20mA sind es 2,1V
Hab auf das Amperemeter vom Netzteil vertraut. Hattest recht.
Antworten