LED Fahrradleuchte mit B+M Oval

Unterbodenbeleuchtung, Pimp my room, usw.

Moderator: T.Hoffmann

Antworten
Maenneken
Super-User
Super-User
Beiträge: 86
Registriert: Fr, 02.11.07, 18:14

So, 15.11.09, 17:54

Hallo,

ich weiß, es gibt schon einige Threads zum Thema LED-Fahrrad-Licht.
Hab se mir auch angeguckt.

Mir schwebt diese Idee vor:

Ich habe eine B+M Halogen Oval Frontscheinwerfer. http://www.fahrrad-richter.de/popup_image.php?pID=351
Den möchte ich umbauen mit einer Cree XP-G R4, weiß, 325 Lumen inkl. Carclo Linse 10mm für Cree XP-E (sofern die passt).
Dazu brauche ich ja noch eine KSQ und einen Gleichrichter mit Glättung.
Ein LED Standlicht ist bereits vorhanden das auch weiter benutzt werden soll, wenns vom Platz her geht.

Hat das schon jemand realisiert? Welche KSQ kann ich verwenden? Benutze einen Shimano Narbendynamo. Kann man nen passenden Gleichrichter mit Glättung kaufen oder muss ich den selbst löten? Brauche ich noch einen Step Up Wandler? Kann man den auch kaufen? Löten wär kein Prob., aber kaufen wär auch bequemer ;-)

Gruß Johannes
Robert W.
User
User
Beiträge: 43
Registriert: Di, 02.12.08, 15:01

Di, 24.11.09, 20:26

Tag,

Ja, dass is eigentlich der grösste Schwachpunkt von HP - Leds : Die Kühlung... Wenn du das in dem scheinwerfer ein bauen willst geht über 350 mA nix...
Maenneken hat geschrieben:Benutze einen Shimano Narbendynamo. Kann man nen passenden Gleichrichter mit Glättung kaufen oder muss ich den selbst löten? Brauche ich noch einen Step Up Wandler? Kann man den auch kaufen? Löten wär kein Prob., aber kaufen wär auch bequemer
Gleich richter = 4 Dioden und n' mittlerer kondensator sollte reichen...
Step-up denk ich brauchlt du bei 6V u. 500mA im Dynamo noch nicht, wenn du ne 700derter KSQ nimmst (Kühlung der LED!!).

Falls ich was vergessen hab sags mir... :wink:


Ro
Kunibert93
Mega-User
Mega-User
Beiträge: 270
Registriert: Do, 26.03.09, 13:26
Wohnort: Niedersachsen

Di, 22.12.09, 22:03

Ich will meine Beleuchtung vom Cross Rad auch umstellen, dafür wollte ich 4 Cree XP-G R5, weiß, 340 Lumen mit entsprechender Optik verwenden. Da ich mit dem Rad nur in der Wildnis unterwegs bin störe ich auch keinen.
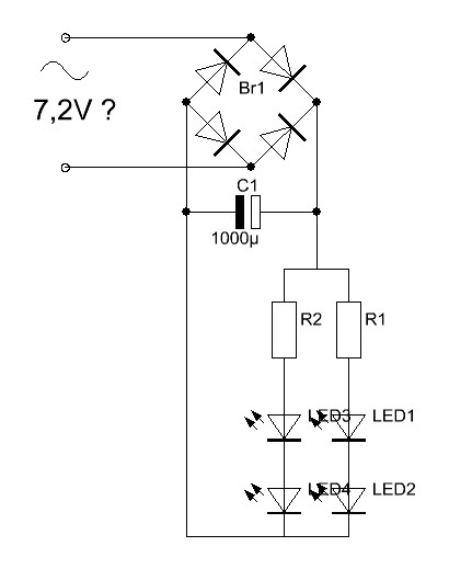
Nun zu den Fragen, der Narbendynamo hat scheinbar 7,2V Wechselspannung, um die Spannung Gleichzurichten habe ich schon 4 Schottky Dioden + Elko.
Bis jetzt bin ich davon ausgegangen, dass am Dynamo konstant 7,2V anliegen. Allerdings steht auf einigen Seiten, es sei eine KSQ und auf anderen eine konstante Spannung. Weiß jemand was es nun ist?
So sollte meine Schaltung zurzeit aussehen: Ist ja nicht aufwendig ^^
plan1.JPG
plan1.JPG (23.26 KiB) 11237 mal betrachtet
Steigt eigentlich die Spannung beim Gleichrichten? Die Schotty Dioden haben ja einen Drop von 0,3V. Somit müssten da ja schon 0,6V Abfallen.
Benutzeravatar
Sailor
Moderator
Beiträge: 9427
Registriert: Di, 28.11.06, 22:16
Wohnort: Saarland, Deutschland und die Welt

Di, 22.12.09, 23:00

Der Dynamo ist eine Konstantstromquelle, da er bis zur Sättigung des Feldes fährt und der Strom dann nicht mehr höher werden kann.

Der maximale Strom liegt zwischen 500 mA und 600 mA.

Die Spannung wird normalerweise über Zenerdioden auf einen Maximumpegel begrenzt, bei Belastung ist dies jedoch nicht unbedingt erforderlich.

Weiteres wird hier erklärt.

Die Widerstände vor den LED´s sind überflüssig, die Parallelschaltung führt zu einem Strom von 250 mA bis 300 mA durch jede LED-Reihe.
Kunibert93
Mega-User
Mega-User
Beiträge: 270
Registriert: Do, 26.03.09, 13:26
Wohnort: Niedersachsen

Mi, 23.12.09, 00:49

Ty, dann werde ich da mal eine wenig rumprobieren...
4LEDs auf 250mA sollte auch schon ein wenig Licht ins Dunkel bringen.
Maenneken
Super-User
Super-User
Beiträge: 86
Registriert: Fr, 02.11.07, 18:14

Mi, 27.01.10, 18:48

Hi,

welchen von den Carclo Linse 10mm für Cree XP-G würdest ihr mir denn empfhelen? Da gibt es ja 3 verschiedene. Welche ist denn wohl am Besten geeignet für ne Fahrradlampe?

Und brauche ich noch einen Step-Up Wandler für meine Fahrradleuchte oder kann ich die bei nem Nabendynamo weglassen?

Ich denke das auch 1x Cree R5 für normal Sterbliche ausreichen oder?

Gruß Johannes
Benutzeravatar
alexStyles
Auserwählter
Auserwählter
Beiträge: 2333
Registriert: So, 20.08.06, 16:51
Wohnort: Düsseldorf
Kontaktdaten:

Mi, 27.01.10, 22:44

Hier ein guter Eigenbau, mit zweckentfremdeten Standard Fahrrad Reflektoren.
Attention to the PDF :wink:
http://www.velomobilforum.de/forum/show ... hp?t=17908

Wie in der PDF Doku genau beschrieben und bebildert eignen sich die Reflektoren besonders gut da sie einen "Lichtstreifen" und Umlicht produzieren. Für Wildnissfahrten sollte das auch nicht gerade schlecht sein. Oder sogar besonders gut geeignet.

Man kann natürlich auch normale LED Linsen benutzen, dann würde ich an deiner Stelle eine für den Nahbereich und eine für ein Fernlicht verwenden. Kommt dann auf 2x R5 raus, was der Dynamo allerdings auch locker packt.

Wenn ich jetzt mal von 2x LED's ausgehe in Reihe geschaltet...sollte man keinen Step Up Wandler benötigen.
Bei normaler ausreichend schneller Fahrt kommt der Nabendynamo ja auch schnell auf seine ~6-7V
In der PDF Doku steht allerdings zur optimalen Stromversorgung von einer Lampe auch noch einiges nützliches und interessantes.
Einfach mal durchlesen 8)

MfG aLex
Maenneken
Super-User
Super-User
Beiträge: 86
Registriert: Fr, 02.11.07, 18:14

Do, 28.01.10, 17:57

Hi,

ja, die Doku kannte ich bereits.
Man kann natürlich auch normale LED Linsen benutzen, dann würde ich an deiner Stelle eine für den Nahbereich und eine für ein Fernlicht verwenden.
Und welche Linsen wären das dann?

Gruß Johannes
Benutzeravatar
alexStyles
Auserwählter
Auserwählter
Beiträge: 2333
Registriert: So, 20.08.06, 16:51
Wohnort: Düsseldorf
Kontaktdaten:

Do, 28.01.10, 18:06

Hier ein Zitat eines Kunden der Linsen im Shop bewertet hat:
21.08.2008 |Hermann

Bündelt und verteilt das Licht sehr gut. Habe für meinen Fahrradscheinwerfer in Verbindung mit drei Seoul P4 zwei 10° Linsen und eine 45° Linse verwendet. Die Linsen mit dem Abstrahlwinkel von 10° leuchten sehr weitreichend (Fernlicht), wobei die Linse mit 45° den Nahbereich großflächig ausleuchtet.
Aus Erfahrung kann ich dir noch nicht sagen welche Linse wofür genau.
Natürlich ist klar dass die 45er für den Nahbereich schon so einigermaßen passen sollte.
Und 10° für den Fernbereich ebenso. Nur kommt es dann eher wieder auf den persönlichen Geschmack und vorallem auf die Anforderungen an.

Wenn du bspw. fast nur in der Stadt fährst braucht man ja kein Licht wie nen Fernlicht/Nebelscheinwerfer beim Auto.
Wäre man nur im Wald/Landwegen/Straßen(unbeleuchtet) unterwegs würde ich mir sogar Fern,Mittel und Nahbereich zusammen bauen.

Wie gesagt aus persönlicher Erfahrung kann ich dir noch nicht sagen wie diese oder jene Optik für Stadt/Land geeignet ist.
Ich werde erst für kommenden Sommer&Touren mein Fahrrad auf eine ordentliche LED Alternative umrüsten.

mfg lex.
Maenneken
Super-User
Super-User
Beiträge: 86
Registriert: Fr, 02.11.07, 18:14

Do, 28.01.10, 20:44

Natürlich ist klar dass die 45er für den Nahbereich schon so einigermaßen passen sollte.
Und 10° für den Fernbereich ebenso. Nur kommt es dann eher wieder auf den persönlichen Geschmack und vorallem auf die Anforderungen an.
sprichst du da von den Carclo Linsen für die XP-E und XP-G? Ich finde bei den Carclo keine Winkelangaben.

Gruß Johannes
Radfahrer
Mini-User
Beiträge: 1
Registriert: Mi, 27.10.10, 00:07

Mi, 27.10.10, 00:15

Darüber habe ich mir auch schon Gedanken gemacht.
Der Umbau erscheint mir sehr auwändig, daher werde ich es mit einem Mag-lite LED upgrade Modul versuchen; ich habe eins gefunden mit 6V/3W, das sollte am Nabendynamo ordentlich laufen- das einzige Risiko sehe ich nur noch in der Passgenauigkeit des Lampensockels.
Sobald das Teil eingebaut ist, werde ich darüber berichten.
Antworten